ADAPTEC, INC.
ACB-2072
|
| |
|
Data bus: |
8-bit, ISA |
|
Size: |
Half-length, full-height card |
|
Hard drives supported: |
Two RLL ST506 drives |
|
Floppy drives supported: |
None |
|
CONNECTIONS | |
|
Function |
Location |
|
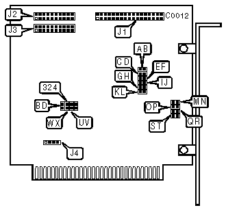
34-pin control cable connector-hard drive |
J1 |
|
20-pin data cable connector-drive 0 |
J2 |
|
20-pin data cable connector-drive 1 |
J3 |
|
4-pin connector-DC power |
J4 |
|
USER CONFIGURABLE SETTINGS | |||
|
Function |
Location |
Setting | |
| » |
BIOS enabled |
BD |
open |
|
BIOS disabled |
BD |
closed | |
| » |
I/O port address is 320h |
324 |
open |
|
I/O port address is 324h |
324 |
closed | |
| » |
Drive 0 is defined with Jumpers MN & OP |
AB |
open |
|
Drive 0 is a Syquest drive |
AB |
closed | |
| » |
Drive 1 is defined with Jumpers QR & ST |
CD |
open |
|
Drive 1 is a Syquest drive |
CD |
closed | |
| » |
Factory configured - do not alter |
EF |
open |
| » |
Factory configured - do not alter |
GH |
open |
| » |
Factory configured - do not alter |
IJ |
open |
| » |
Normal Operation |
KL |
open |
|
Self-diagnostics enabled |
KL |
closed | |
|
BIOS ADDRESS | |||
|
Select |
Jumper WX |
Jumper UV | |
| » |
C800h |
open |
open |
|
CA00h |
open |
closed | |
|
F800h |
closed |
open | |
|
CC00h |
closed |
closed | |
|
BIOS DRIVE TYPE TABLE | |||||
|
Table # |
Hds |
Cyls |
RLL Cap. |
Jumper MN Drive 0 Jumper QR- Drive 1 |
Jumper OP- Drive 0 Jumper ST- Drive 1 |
| 0 | 4 |
612 | 32.74MB |
closed |
closed |
| 1 | 2 |
612 | 16.29MB |
closed |
open |
| 2 | 5 |
981 | 65.29MB |
open |
closed |
| 3 | 4 |
615 | 32.58MB |
open |
open |