B & B ELECTRONICS

PCWDT

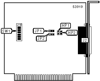
Card Type

Serial card

Chip Set

Unidentified

Data Bus

8-bit ISA

CONNECTIONS

Function

Label

Function

Label

Reset switch

HP1

25-pin serial port

J2

Reset switch

HP2

   

USER CONFIGURABLE SETTINGS

Function

Label

Position

Watchdog timer reset select computer reboot

JP1

Pins 1 & 2 closed

Watchdog timer reset select relay remains energized

JP1

Pins 2 & 3 closed

Timer reset select program reset

JP2

Pins 1 & 2 closed

Timer reset select external reset (requires trigger connected through J2)

JP2

Pins 2 & 3 closed

ADDRESS SELECTION

Address

SW1/1

SW1/2

SW1/3

SW1/4

SW1/5

SW1/6

SW1/7

200

On

On

On

On

On

On

Off

208

Off

On

On

On

On

On

Off

300

On

On

On

On

On

Off

Off

308

Off

On

On

On

On

Off

Off

310

On

Off

On

On

On

Off

Off

318

Off

Off

On

On

On

Off

Off

380

On

On

On

On

Off

Off

Off

388

Off

On

On

On

Off

Off

Off

3A0

On

On

Off

On

Off

Off

Off

3A8

Off

On

Off

On

Off

Off

Off

MISCELLANEOUS TECHNICAL NOTE

The PCWDT can be used to re-boot the host computer by connecting HP1 & HP2. For further information about this process, see B & B electronics documentation.