KOUWELL ELECTRONIC CORPORATION

KW-524E

Card Type

Multi I/O card

Chipset/Controller

Krueger company

I/O Options

Game port, parallel port, serial ports (2)

Maximum DRAM

N/A

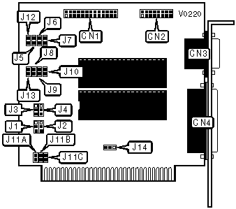
CONNECTIONS

Purpose

Location

Purpose

Location

Serial port 2

CN1

Serial port 1

CN3

Game port

CN2

Parallel port

CN4

SERIAL PORT CONFIGURATION

Port 1 (CN3)

J5

J6

J7

J12

»

COM1

Open

Closed

Open

Open

 

COM2

Open

Open

Closed

Open

 

COM3

Closed

Open

Open

Open

 

COM4

Open

Open

Open

Closed

 

Disabled

Open

Open

Open

Open

SERIAL PORT CONFIGURATION

Port 2 (CN1)

J8

J9

J10

J13

»

COM2

Closed

Open

Open

Open

 

COM1

Open

Closed

Open

Open

 

COM4

Open

Open

Closed

Open

 

COM3

Open

Open

Open

Closed

 

Disabled

Open

Open

Open

Open

SERIAL PORT INTERRUPT SELECT

Port 1 (CN3)

Port 2 (CN1)

J1

J2

J3

J4

»

IRQ4

IRQ3

Pins 1 & 2

Pins 2 & 3

Pins 1 & 2

Pins 2 & 3

 

IRQ5

IRQ2

Pins 2 & 3

Pins 1 & 2

Pins 2 & 3

Pins 1 & 2

PARALLEL PORT CONFIGURATION

LPT

J11A

J11B

J11C

»

1

Open

Open

Closed

 

2

Open

Closed

Open

 

3

Closed

Open

Open

PARALLEL PORT CONFIGURATION

IRQ

J14

»

7

Pins 1 & 2 closed

 

5

Pins 2 & 3 closed