LAVA COMPUTER MANUFACTURING, INC.

LAVA BI-DIRECTIONAL PARALLEL PORT (VER. 3)

Card Type

Parallel card

Chip Set

Unidentified

Maximum Onboard Memory

Unidentified

I/O Options

Parallel port

Data Bus

8-bit ISA

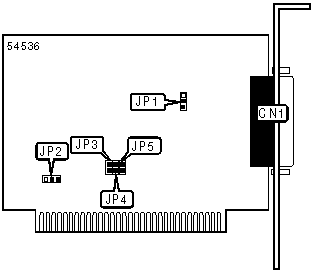
CONNECTIONS

Function

Label

Parallel port (DB-25)

CN1

USER CONFIGURABLE SETTINGS

Function

Label

Position

Bi-directional mode enabled

JP1

Pins 1 & 2 closed

Output mode enabled

JP1

Pins 2 & 3 closed

PARALLEL PORT ADDRESS SELECTION

Setting

JP3

JP4

JP5

LPT1 (3BCh)

Closed

Open

Open

LPT2 (378h)

Open

Closed

Open

LPT3 (278h)

Open

Open

Closed

PARALLEL PORT INTERRUPT SELECTION

IRQ

JP2

IRQ5

Pins 1 & 2 closed

IRQ7

Pins 2 & 3 closed