SIIG, INC.
I/O PROFESSIONAL
|
Card Type |
Multi I/O card |
|
Chipset Controller |
Unidentified |
|
I/O Options |
Bi-directional parallel port, serial ports(2) |
|
Maximum DRAM |
N/A |
|
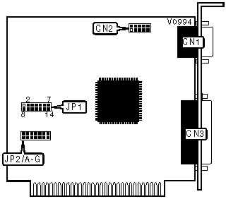
CONNECTIONS | |||
|
Purpose |
Location |
Purpose |
Location |
|
9-pin serial port connector |
CN1 |
25-pin bi-directional parallel port connector |
CN3 |
|
10-pin serial port interface |
CN2 | ||
|
SERIAL PORT 1 CONFIGURATION | |||||
|
Address |
IRQ |
JP2/A |
JP2/B |
JP1 | |
| » |
3F8h-3FFh(COM1) |
4 |
Open |
Open |
Pins 1 & 2 closed |
|
3E8h-3EFh(COM3) |
5 |
Closed |
Open |
Pins 2 & 3 closed | |
|
2E8h-2EFh(COM4) |
2/9 |
Open |
Closed |
Pins 9 & 10 closed | |
|
Disabled |
N/A |
Closed |
Closed |
N/A | |
|
SERIAL PORT 2 CONFIGURATION | |||||
|
Address |
IRQ |
JP2/C |
JP2/D |
JP1 | |
| » |
2F8h-2FFh(COM2) |
3 |
Open |
Open |
Pins 4 & 5 closed |
|
2E8h-2EFh(COM4) |
2/9 |
Closed |
Open |
Pins 10 & 11 closed | |
|
3E8h-3EFh(COM3) |
5 |
Open |
Closed |
Pins 3 & 4 closed | |
|
Disabled |
N/A |
Closed |
Closed |
N/A | |
|
PARALLEL PORT CONFIGURATION | |||||
|
Address |
IRQ |
JP2/E |
JP2/F |
JP1 | |
| » |
378h-37Fh |
7 |
Closed |
Open |
Pins 6 & 7 closed |
|
278h-27Fh |
5 |
Open |
Closed |
Pins 13 & 14 closed | |
|
Disabled |
N/A |
Closed |
Closed |
N/A | |
|
BI-DIRECTIONAL PARALLEL PORT COMPATIBILITY CONFIGURATION | ||
|
Mode |
JP2/G | |
| » |
Bi-directional |
Open |
|
Uni-directional |
Closed | |