UNIDENTIFIED
286 I/O CARD
|
Card Type |
Multi I/O card |
|
Chipset/Controller |
N/A |
|
I/O Options |
Game port, parallel port, serial ports (2) |
|
Maximum DRAM |
N/A |
|
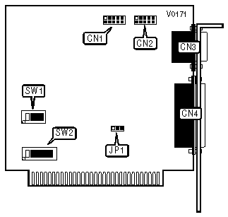
CONNECTIONS | |||
|
Purpose |
Location |
Purpose |
Location |
|
Serial port 1 |
CN1 |
Game port |
CN3 |
|
Serial port 2 |
CN2 |
Parallel port |
CN4 |
|
SERIAL PORT CONFIGURATION | ||||
|
Port 1 (CN1) |
Port 2 (CN2) |
SW1/1 |
SW1/2 | |
| » |
COM1 |
COM2 |
On |
On |
|
COM2 |
COM3 |
On |
Off | |
|
COM3 |
COM4 |
Off |
On | |
|
Disabled |
Disabled |
Off |
Off | |
|
SERIAL PORT INTERRUPT SELECTION | ||||||
|
Port 1 |
Port 2 |
SW2/1 |
SW2/2 |
SW2/3 |
SW2/4 | |
| » |
IRQ4 |
IRQ3 |
On |
Off |
Off |
On |
|
IRQ3 |
IRQ4 |
Off |
On |
On |
Off | |
|
PARALLEL PORT ADDRESS SELECTION | |||
|
LPT |
JP1 |
SW1/4 | |
| » |
1 |
Pins 2 & 3 closed |
On |
|
2 |
Pins 1 & 2 closed |
On | |
|
Disabled |
N/A |
Off | |
|
PARALLEL PORT CONFIGURATION | ||
|
Setting |
SW1/4 | |
| » |
Enabled |
On |
|
Disabled |
Off | |
|
PARALLEL PORT INTERRUPT SELECTION | |||
|
IRQ |
SW2/5 |
SW2/6 | |
| » |
7 |
Off |
On |
|
5 |
On |
Off | |