UNIDENTIFIED
B231 286 I/O
|
Card Type |
Multi-I/O card |
|
Chip Set |
Unidentified |
|
I/O Options |
Game port, Parallel port, Serial ports (2) |
|
Hard Drives supported |
None |
|
Floppy drives supported |
None |
|
Data Bus |
8-bit ISA |
|
Card Size |
Half-length |
|
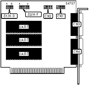
CONNECTIONS | |||
|
Function |
Label |
Function |
Label |
|
Serial Port 1 |
CN1 |
Game Port |
CN3 |
|
Serial Port 2 |
CN2 |
Parallel Port |
CN4 |
|
USER CONFIGURABLE SETTINGS | |||
|
Function |
Label |
Position | |
| » |
Factory configured-do not alter |
S1/D |
Unidentified |
|
PARALLEL PORT ADDRESS SELECTION | |
|
Setting |
S1/C |
|
LPT1 (378-37A) |
OFF |
|
LPT2 (278-27A) |
ON |
|
SERIAL PORT ADDRESS SELECTION | |||
|
Serial Port 1 |
Serial Port 2 |
S1/A |
S1/B |
|
COM1 |
COM2 |
OFF |
OFF |
|
COM2 |
COM3 |
ON |
OFF |
|
COM3 |
COM4 |
ON |
ON |
|
COM3 |
Disable |
OFF |
ON |
|
SERIAL PORT 1 INTERRUPT SELECTION | |||
|
IRQ |
S2/C |
S2/D | |
| » |
IRQ4 |
On |
Off |
|
IRQ3 |
Off |
On | |
|
SERIAL PORT 2 INTERRUPT SELECTION | |||
|
IRQ |
S2/E |
S2/F | |
| » |
IRQ4 |
Off |
On |
|
IRQ3 |
On |
Off | |
|
PARALLEL PORT INTERRUPT SELECTION | |||
|
IRQ |
S2/A |
S2/B | |
| » |
IRQ7 |
On |
Off |
|
IRQ5 |
Off |
On | |