AST RESEARCH, INC.

PREMMIA SE

Processor

80486SX/80486DX/80486DX2/Pentium Overdrive/Pentium

Processor Speed

25/33/50(internal)/66(internal)MHz

Chip Set

AST

Max. Onboard DRAM

128MB

Cache

64/128/256KB (with external cache card installed)

BIOS

AST

Dimensions

330mm x 218mm

I/O Options

Floppy drive interfaces (2), IDE interface, parallel port, PS/2 mouse port, serial ports (2), VGA feature connector, VGA port, SCSI backplane card

NPU Options

None

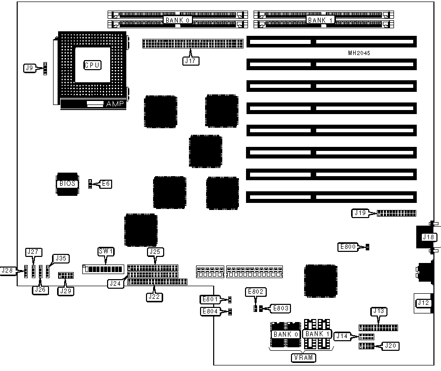
CONNECTIONS

Purpose

Location

Purpose

Location

Chassis fan power

J9

IDE interface

J22

PS/2 mouse port

J12

Floppy drive interface (primary)

J24

Parallel port

J13

Floppy drive interface (secondary)

J25

Serial port 1

J14

External battery

J26

Pentium/Cache upgrade connector

J17

Speaker

J27

VGA port

J18

Chassis fan power

J28

VGA feature connector

J19

Control console connector

J29

Serial port 2

J20

IDE interface LED

J35

USER CONFIGURABLE SETTINGS

Function

Jumper/Switch

Position

»

Flash BIOS type select 5v - 5volt

E6

pins 2 & 3 closed

 

Flash BIOS type select 12v - 12volt

E6

pins 1 & 2 closed

»

Factory configured - do not alter

E800

pins 1 & 2 closed

»

Factory configured - do not alter

E801

pins 2 & 3 closed

»

Factory configured - do not alter

E802

pins 2 & 3 closed

»

Factory configured - do not alter

E803

pins 1 & 2 closed

»

Factory configured - do not alter

E804

pins 1 & 2 closed

»

On board video enabled

SW1/1

On

 

On board video disabled

SW1/1

Off

»

Factory configured - do not alter

SW1/2

Off

»

EISA CMOS memory normal operation

SW1/3

Off

 

EISA CMOS memory clear

SW1/3

On

»

Boot type select normal

SW1/4

Off

 

Boot type select flash BIOS update

SW1/4

On

»

Password disabled

SW1/5

On

 

Password enabled

SW1/5

Off

»

Factory configured - do not alter

SW1/6

Off

»

System setup type select allow access

SW1/7

Off

 

System setup type select deny access

SW1/7

On

»

Factory configured - do not alter

SW1/8

Off

»

I/O port address select 0398h

SW1/9

On

 

I/O port address select 026Eh

SW1/9

Off

»

Factory configured - do not alter

SW1/10

Off

DRAM CONFIGURATION

Size

Bank 0

Bank 1

2MB

(2) 256K x 36

NONE

4MB

(2) 256K x 36

(2) 256K x 36

4MB

(2) 512K x 36

NONE

6MB

(2) 256K x 36

(2) 512K x 36

8MB

(2) 512K x 36

(2) 512K x 36

10MB

(2) 256K x 36

(2) 1M x 36

12MB

(2) 512K x 36

(2) 1M x 36

16MB

(2) 2M x 36

NONE

18MB

(2) 256K x 36

(2) 2M x 36

20MB

(2) 512K x 36

(2) 2M x 36

24MB

(2) 1M x 36

(2) 2M x 36

32MB

(2) 2M x 36

(2) 2M x 36

32MB

(2) 4M x 36

NONE

34MB

(2) 256K x 36

(2) 4M x 36

36MB

(2) 512K x 36

(2) 4M x 36

40MB

(2) 1M x 36

(2) 4M x 36

48MB

(2) 2M x 36

(2) 4M x 36

64MB

(2) 4M x 36

(2) 4M x 36

64MB

(2) 8M x 36

NONE

66MB

(2) 256K x 36

(2) 8M x 36

68MB

(2) 512K x 36

(2) 8M x 36

72MB

(2) 1M x 36

(2) 8M x 36

80MB

(2) 2M x 36

(2) 8M x 36

96MB

(2) 4M x 36

(2) 8M x 36

128MB

(2) 8M x 36

(2) 8M x 36

VIDEO MEMORY CONFIGURATION

Size

Bank 0

Bank 1

515KB

(2) 256K x 4

NONE

1MB

(2) 256K x 4

(2) 256K x 4

Note: Bank 0- is factory installed and is not configurable.

MISCELLANEOUS TECHNICAL NOTE

Note: CPU speed is dependent upon main board model.

CONNECTIONS

Purpose

Location

Purpose

Location

DC power connector 1

CN1

SCSI connector

J4

DC power connector 2

CN2

SCSI connector

J7

SCSI connector

J1

SCSI drive cage connector

J8

SCSI drive cage connector

J2

SCSI drive cage connector

J9

SCSI drive cage connector

J3

SCSI connector

J10

USER CONFIGURABLE SETTINGS

Function

Jumper

Position

»

Terminator power jumper enabled

E13

Closed

 

Terminator power jumper disabled

E13

Open

»

Terminator power jumper enabled

E14

Closed

 

Terminator power jumper disabled

E14

Open

SCSI ID CONFIGURATION (J1)

Setting

E1

E2

E3

ID0

Open

Open

Open

ID1

Closed

Open

Open

ID2

Open

Closed

Open

ID3

Closed

Closed

Open

ID4

Open

Open

Closed

ID5

Closed

Open

Closed

ID6

Open

Closed

Closed

ID7

N/A

N/A

N/A

Note: ID7 is factory reserved - do not alter.

SCSI ID CONFIGURATION (J4)

Setting

E4

E5

E6

ID0

Open

Open

Open

ID1

Closed

Open

Open

ID2

Open

Closed

Open

ID3

Closed

Closed

Open

ID4

Open

Open

Closed

ID5

Closed

Open

Closed

ID6

Open

Closed

Closed

ID7

N/A

N/A

N/A

Note: ID7 is factory reserved - do not alter.

SCSI ID CONFIGURATION (J7)

Setting

E7

E8

E9

ID0

Open

Open

Open

ID1

Closed

Open

Open

ID2

Open

Closed

Open

ID3

Closed

Closed

Open

ID4

Open

Open

Closed

ID5

Closed

Open

Closed

ID6

Open

Closed

Closed

ID7

N/A

N/A

N/A

Note: ID7 is factory reserved - do not alter.

SCSI ID CONFIGURATION (J10)

Setting

E10

E11

E12

ID0

Open

Open

Open

ID1

Closed

Open

Open

ID2

Open

Closed

Open

ID3

Closed

Closed

Open

ID4

Open

Open

Closed

ID5

Closed

Open

Closed

ID6

Open

Closed

Closed

ID7

N/A

N/A

N/A

Note: ID7 is factory reserved - do not alter.