AMPTRON INTERNATIONAL, INC.

PM-7500C

Processor

Pentium

Processor Speed

75/90/100/120/133MHz

Chip Set

Intel

Video Chip Set

None

Maximum Onboard Memory

128MB (EDO supported)

Maximum Video Memory

None

Cache

256/512KB

BIOS

Award

Dimensions

254mm x 218mm

I/O Options

32-bit PCI slots (3), floppy drive interface, IDE interfaces (2), parallel port, serial ports (2)

NPU Options

None

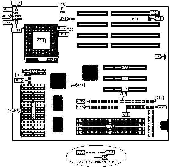
CONNECTIONS

Purpose

Location

Purpose

Location

Serial port 2

CN1

Chassis fan power

J23

Serial port 1

CN2

Speaker

JP25

Floppy drive interface

CN3

Power LED & keylock

JP26

Parallel port

CN4

Reset switch

JP27

IDE interface 2

CN5

IDE interface LED

JP28

IDE interface 1

CN6

32-bit PCI slots

PC1 – PC3

External battery

J4

   

USER CONFIGURABLE SETTINGS

Function

Label

Position

»

CMOS memory normal operation

J4

Pins 2 & 3 closed

 

CMOS memory clear

J4

Pins 3 & 4 closed

 

Battery type select external

J4

Closed

 

Flash BIOS voltage select 12v

JP4

Closed

 

Flash BIOS voltage select 5v

JP4

Open

»

Factory configured - do not alter

JP9

Unidentified

»

Factory configured - do not alter

JP10

Unidentified

DRAM CONFIGURATION

Size

Bank 0

Bank 1

8MB

(2) 1M x 36

None

16MB

(2) 2M x 36

None

16MB

(2) 1M x 36

(2) 1M x 36

24MB

(2) 2M x 36

(2) 1M x 36

32MB

(2) 4M x 36

None

32MB

(2) 2M x 36

(2) 2M x 36

40MB

(2) 4M x 36

(2) 1M x 36

48MB

(2) 4M x 36

(2) 2M x 36

64MB

(2) 8M x 36

None

64MB

(2) 4M x 36

(2) 4M x 36

72MB

(2) 8M x 36

(2) 1M x 36

80MB

(2) 8M x 36

(2) 2M x 36

96MB

(2) 8M x 36

(2) 4M x 36

128MB

(2) 8M x 36

(2) 8M x 36

Note: Board accepts EDO memory. The location of the banks is unidentified.

CACHE CONFIGURATION

Size

Bank 0

TAG

256KB

(8) 32K x 8

(1) 8K/16K/32K x 8

512KB

(8) 64K x 8

(1) 16K/32K x 8

CACHE JUMPER CONFIGURATION

Size

J9

256KB

Pins 1 & 2 closed

512KB

Pins 2 & 3 closed

CACHE VOLTAGE CONFIGURATION

Voltage

J10

3.3v

Pins 1 & 2 closed

5v

Pins 2 & 3 closed

CPU SPEED SELECTION

CPU speed

Clock speed

Multiplier

JP3

JP5A

JP5B

JP11A

JP11B

75MHz

50MHz

1.5x

1 & 2

Closed

Closed

Open

Open

90MHz

60MHz

1.5x

2 & 3

Open

Closed

Open

Open

100MHz

66MHz

1.5x

2 & 3

Closed

Open

Open

Open

120MHz

60MHz

2x

2 & 3

Open

Closed

Closed

Open

133MHz

66MHz

2x

2 & 3

Closed

Open

Closed

Open

Note: Pins designated should be in the closed position. The orientation of A & B on JP11 is unidentified.

CPU VOLTAGE SELECTION

Voltage

JP6

3.3v

Pins 2 & 3 closed

3.5v

Pins 1 & 2 closed

DMA CHANNEL SELECTION

Channel

JP1

JP2

1

Pins 1 & 2 closed

Pins 1 & 2 closed

2

Pins 2 & 3 closed

Pins 2 & 3 closed