ASUS COMPUTER INTERNATIONAL

SP97-XV (REV. 1.02)

Device Type

Mainboard

Processor

CX 6X86/IBM 6X86/CX 686MX/IBM 6X86MX/AM K5/

AM K6/Pentium/Pentium MMX

Processor Speed

75/90/100/120/133/150/166/200/233MHz

Chip Set

SIS

Video Chip Set

None

Maximum Onboard Memory

256MB (EDO & SDRAM supported)

Cache

512KB

BIOS

Unidentified

Dimensions

305mm x 244mm

I/O Options

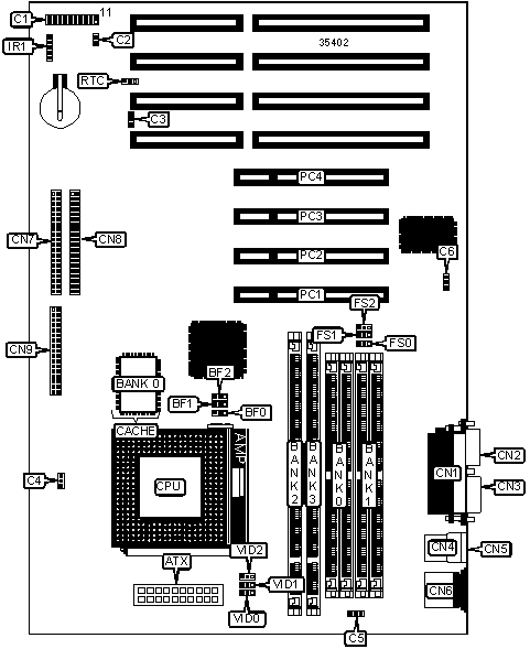
32-bit PCI slots (4), floppy drive interface, green PC connector, IDE interfaces (2), parallel port, PS/2 mouse port, serial ports (2), IR connector, USB connectors (2), ATX power connector

NPU Options

None

CONNECTIONS

Purpose

Location

Purpose

Location

ATX power connector

ATX

Parallel port

CN1

Power LED & keylock

C1/pins 1 - 5

Serial port 2

CN2

Speaker

C1/pins 7 - 10

Serial port 1

CN3

Message LED

C1/pins 12 & 13

USB connector 1

CN4

Green PC connector

C1/pins 14 & 15

USB connector 2

CN5

Soft off power supply

C1/pins 16 & 17

PS/2 mouse port

CN6

Reset switch

C1/pins 19 & 20

IDE interface 2

CN7

IDE interface LED

C2

IDE interface 1

CN8

Chassis fan power

C3

Floppy drive interface

CN9

CPU fan power

C4

IR connector

IR1

Fan power

C5

32-bit PCI slots

PC1 – PC4

Wake on LAN connector

C6

   

USER CONFIGURABLE SETTINGS

Function

Label

Position

»

CMOS memory normal operation

RTC

Pins 1 & 2 closed

 

CMOS memory clear

RTC

Pins 2 & 3 closed

SIMM CONFIGURATION

Size

Bank 0

Bank 1

8MB

(2) 1M x 36

None

16MB

(2) 2M x 36

None

16MB

(2) 1M x 36

(2) 1M x 36

24MB

(2) 2M x 36

(2) 1M x 36

32MB

(2) 4M x 36

None

32MB

(2) 2M x 36

(2) 2M x 36

40MB

(2) 4M x 36

(2) 1M x 36

48MB

(2) 4M x 36

(2) 2M x 36

64MB

(2) 8M x 36

None

64MB

(2) 4M x 36

(2) 4M x 36

72MB

(2) 8M x 36

(2) 1M x 36

80MB

(2) 8M x 36

(2) 2M x 36

96MB

(2) 8M x 36

(2) 4M x 36

128MB

(2) 8M x 36

(2) 8M x 36

128MB

(2) 16M x 36

None

136MB

(2) 16M x 36

(2) 1M x 36

SIMM CONFIGURATION (CON’T)

Size

Bank 0

Bank 1

144MB

(2) 16M x 36

(2) 2M x 36

160MB

(2) 16M x 36

(2) 4M x 36

192MB

(2) 16M x 36

(2) 8M x 36

256MB

(2) 16M x 36

(2) 16M x 36

Note: Board accepts EDO memory.

DIMM CONFIGURATION

Size

Bank 2

Bank 3

8MB

(1) 1M x 64

None

16MB

(1) 2M x 64

None

16MB

(1) 1M x 64

(1) 1M x 64

24MB

(1) 2M x 64

(1) 1M x 64

32MB

(1) 4M x 64

None

32MB

(1) 2M x 64

(1) 2M x 64

40MB

(1) 4M x 64

(1) 1M x 64

48MB

(1) 4M x 64

(1) 2M x 64

64MB

(1) 8M x 64

None

64MB

(1) 4M x 64

(1) 4M x 64

72MB

(1) 8M x 64

(1) 1M x 64

80MB

(1) 8M x 64

(1) 2M x 64

96MB

(1) 8M x 64

(1) 4M x 64

128MB

(1) 8M x 64

(1) 8M x 64

Note: Board accepts EDO & SDRAM memory.

CACHE CONFIGURATION

Size

Bank 0

512KB

(1) 64K x 64

CPU SPEED SELECTION (CX 6X86)

CPU speed

Clock speed

Multiplier

BF0

BF1

BF2

FS0

FS1

FS2

166MHz

66MHz

2x

2 & 3

1 & 2

Open

2 & 3

1 & 2

2 & 3

Note: Pins designated should be in the closed position.

CPU SPEED SELECTION (IBM 6X86)

CPU speed

Clock speed

Multiplier

BF0

BF1

BF2

FS0

FS1

FS2

166MHz

66MHz

2x

2 & 3

1 & 2

Open

2 & 3

1 & 2

2 & 3

Note: Pins designated should be in the closed position.

CPU SPEED SELECTION (CX 6X86MX)

CPU speed

Clock speed

Multiplier

BF0

BF1

BF2

FS0

FS1

FS2

166MHz

60MHz

2.5x

2 & 3

2 & 3

Open

1 & 2

2 & 3

2 & 3

200MHz

66MHz

2.5x

2 & 3

2 & 3

Open

2 & 3

1 & 2

2 & 3

233MHz

66MHz

3x

1 & 2

2 & 3

Open

2 & 3

1 & 2

2 & 3

Note: Pins designated should be in the closed position.

CPU SPEED SELECTION (IBM 6X86MX)

CPU speed

Clock speed

Multiplier

BF0

BF1

BF2

FS0

FS1

FS2

166MHz

60MHz

2.5x

2 & 3

2 & 3

Open

1 & 2

2 & 3

2 & 3

200MHz

66MHz

2.5x

2 & 3

2 & 3

Open

2 & 3

1 & 2

2 & 3

233MHz

66MHz

3x

1 & 2

2 & 3

Open

2 & 3

1 & 2

2 & 3

Note: Pins designated should be in the closed position.

CPU SPEED SELECTION (AM K5)

CPU speed

Clock speed

Multiplier

BF0

BF1

BF2

FS0

FS1

FS2

75MHz

50MHz

1.5x

1 & 2

1 & 2

Open

2 & 3

2 & 3

2 & 3

90MHz

60MHz

1.5x

1 & 2

1 & 2

Open

1 & 2

2 & 3

2 & 3

100MHz

66MHz

1.5x

1 & 2

1 & 2

Open

2 & 3

1 & 2

2 & 3

120MHz

60MHz

1.5x

1 & 2

1 & 2

Open

1 & 2

2 & 3

2 & 3

133MHz

66MHz

1.5x

1 & 2

1 & 2

Open

2 & 3

1 & 2

2 & 3

Note: Pins designated should be in the closed position.

CPU SPEED SELECTION (AM K6)

CPU speed

Clock speed

Multiplier

BF0

BF1

BF2

FS0

FS1

FS2

166MHz

66MHz

2.5x

2 & 3

2 & 3

Open

2 & 3

1 & 2

2 & 3

200MHz

66MHz

3x

1 & 2

2 & 3

Open

2 & 3

1 & 2

2 & 3

233MHz

66MHz

3.5x

1 & 2

1 & 2

Open

2 & 3

1 & 2

2 & 3

Note: Pins designated should be in the closed position.

CPU SPEED SELECTION (INTEL)

CPU speed

Clock speed

Multiplier

BF0

BF1

BF2

FS0

FS1

FS2

75MHz

50MHz

1.5x

1 & 2

1 & 2

Open

2 & 3

2 & 3

2 & 3

90MHz

60MHz

1.5x

1 & 2

1 & 2

Open

1 & 2

2 & 3

2 & 3

100MHz

66MHz

1.5x

1 & 2

1 & 2

Open

2 & 3

1 & 2

2 & 3

120MHz

60MHz

2x

2 & 3

1 & 2

Open

1 & 2

2 & 3

2 & 3

133MHz

66MHz

2x

2 & 3

1 & 2

Open

2 & 3

1 & 2

2 & 3

150MHz

60MHz

2.5x

2 & 3

2 & 3

Open

1 & 2

2 & 3

2 & 3

166MHz

66MHz

2.5x

2 & 3

2 & 3

Open

2 & 3

1 & 2

2 & 3

200MHz

66MHz

3x

1 & 2

2 & 3

Open

2 & 3

1 & 2

2 & 3

Note: Pins designated should be in the closed position.

CPU SPEED SELECTION (INTEL MMX)

CPU speed

Clock speed

Multiplier

BF0

BF1

BF2

FS0

FS1

FS2

166MHz

66MHz

2.5x

2 & 3

2 & 3

Open

2 & 3

1 & 2

2 & 3

200MHz

66MHz

3x

1 & 2

2 & 3

Open

2 & 3

1 & 2

2 & 3

233MHz

66MHz

3.5x

1 & 2

1 & 2

Open

2 & 3

1 & 2

2 & 3

Note: Pins designated should be in the closed position.

CPU VOLTAGE SELECTION (SINGLE)

Voltage

VID0

VID1

VID2

3.4v

Pins 2 & 3 closed

Pins 2 & 3 closed

Pins 2 & 3 closed

3.5v

Pins 1 & 2 closed

Pins 2 & 3 closed

Pins 2 & 3 closed

CPU VOLTAGE SELECTION (DUAL)

Voltage

VID0

VID1

VID2

2.1v

Pins 1 & 2 closed

Pins 2 & 3 closed

Pins 2 & 3 closed

2.8v

Pins 2 & 3 closed

Pins 2 & 3 closed

Pins 2 & 3 closed

2.9v

Pins 1 & 2 closed

Pins 2 & 3 closed

Pins 2 & 3 closed

3.2v

Pins 2 & 3 closed

Pins 2 & 3 closed

Pins 1 & 2 closed