ACER, INC.

ACERALTOS 930 (M17A), M17A

Device Type

Mainboard

Processor

Pentium II

Processor Speed

233/266/300MHz

Chip Set

Intel 440LX

Maximum Onboard Memory

512MB (SDRAM supported)

Cache

256/512KB (located on Pentium II CPU)

BIOS

Acer

Dimensions

305mm x 244mm

I/O Options

32-bit PCI slots (4), floppy drive interface, IDE interfaces (2), SCSI interface, Wide Ultra SCSI interface, parallel port, PS/2 mouse port, serial ports (2), feature connector, USB connectors (2), ATX power connector, AGP slot

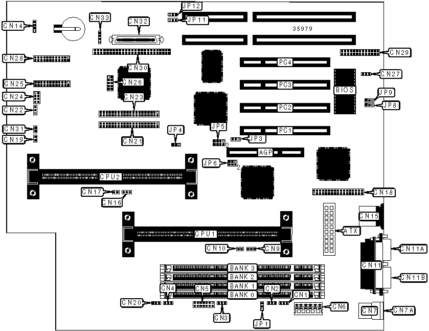
CONNECTIONS

Purpose

Location

Purpose

Location

AGP slot

AGP

Floppy drive interface

CN18

ATX power connector

ATX

Soft off power supply

CN19

Power connector

CN1

Chassis fan power 1

CN20

Chassis fan power 3

CN3

IDE interface 1

CN21

Chassis fan power 2

CN4

Power LED

CN22

3.3v power

CN6

IDE interface 2

CN23

USB connector 1

CN7

Reset switch

CN24

USB connector 2

CN7A

RDM connector

CN25

CPU 1 fan power

CN9

Redundant power status connector

CN26

Thermal sensor connector 1

CN10

RDM connector

CN28

Parallel port

CN11

Feature connector

CN29

Serial port 1

CN11A

SCSI interface

CN30

Serial port 2

CN11B

Housing door connector

CN31

IDE interface LED

CN14

Ultra Wide SCSI interface

CN32

PS/2 mouse port

CN15

Speaker

CN33

CPU 2 fan power

CN16

32-bit PCI slots

PC1 - PC4

Thermal sensor connector 2

CN17

   

USER CONFIGURABLE SETTINGS

Function

Label

Position

»

Factory configured - do not alter

CN2

Unidentified

»

Factory configured - do not alter

CN5

Unidentified

»

Factory configured - do not alter

CN27

Unidentified

»

Power down for 250W power supply enabled

JP1

Pins 2 & 3 closed

 

Power down for 250W power supply disabled

JP1

Pins 1 & 2 closed

»

BIOS type select Acer

JP8

Pins 1 & 2 closed

 

BIOS type select OEM

JP8

Pins 2 & 3 closed

»

Password disabled

JP9

Pins 2 & 3 closed

 

Password enabled

JP9

Pins 1 & 2 closed

»

Buzzer enabled

JP11

Pins 1 & 2 closed

 

External speaker enabled

JP11

Pins 2 & 3 closed

»

Termination enabled

JP12

Pins 1 & 2 closed

 

Termination switchable through SCSI select utility

JP12

Pins 2 & 3 closed

DIMM CONFIGURATION

Size

Bank 0

Bank 1

Bank 2

Bank 3

8MB

(1) 1M x 64

None

None

None

16MB

(1) 2M x 64

None

None

None

16MB

(1) 1M x 64

(1) 1M x 64

None

None

24MB

(1) 2M x 64

(1) 1M x 64

None

None

DIMM CONFIGURATION (CON'T)

Size

Bank 0

Bank 1

Bank 2

Bank 3

24MB

(1) 1M x 64

(1) 1M x 64

(1) 1M x 64

None

32MB

(1) 4M x 64

None

None

None

32MB

(1) 2M x 64

(1) 2M x 64

None

None

32MB

(1) 1M x 64

(1) 1M x 64

(1) 1M x 64

(1) 1M x 64

40MB

(1) 4M x 64

(1) 1M x 64

None

None

48MB

(1) 4M x 64

(1) 2M x 64

None

None

48MB

(1) 2M x 64

(1) 2M x 64

(1) 2M x 64

None

64MB

(1) 2M x 64

(1) 2M x 64

(1) 2M x 64

(1) 2M x 64

64MB

(1) 8M x 64

None

None

None

64MB

(1) 4M x 64

(1) 4M x 64

None

None

72MB

(1) 8M x 64

(1) 1M x 64

None

None

80MB

(1) 8M x 64

(1) 2M x 64

None

None

96MB

(1) 8M x 64

(1) 4M x 64

None

None

96MB

(1) 4M x 64

(1) 4M x 64

(1) 4M x 64

None

128MB

(1) 16M x 64

None

None

None

128MB

(1) 8M x 64

(1) 8M x 64

None

None

128MB

(1) 4M x 64

(1) 4M x 64

(1) 4M x 64

(1) 4M x 64

136MB

(1) 16M x 64

(1) 1M x 64

None

None

144MB

(1) 16M x 64

(1) 2M x 64

None

None

176MB

(1) 16M x 64

(1) 2M x 64

(1) 2M x 64

(1) 2M x 64

192MB

(1) 16M x 64

(1) 8M x 64

None

None

192MB

(1) 8M x 64

(1) 8M x 64

(1) 8M x 64

None

256MB

(1) 16M x 64

(1) 16M x 64

None

None

256MB

(1) 8M x 64

(1) 8M x 64

(1) 8M x 64

(1) 8M x 64

272MB

(1) 16M x 64

(1) 16M x 64

(1) 1M x 64

(1) 1M x 64

288MB

(1) 16M x 64

(1) 16M x 64

(1) 2M x 64

(1) 2M x 64

320MB

(1) 16M x 64

(1) 16M x 64

(1) 4M x 64

(1) 4M x 64

384MB

(1) 16M x 64

(1) 16M x 64

(1) 16M x 64

None

512MB

(1) 16M x 64

(1) 16M x 64

(1) 16M x 64

(1) 16M x 64

Note: Board accepts SDRAM memory.

CACHE CONFIGURATION

Note: 256KB/512KB cache is located on the Pentium II CPU.

CPU SPEED SELECTION

CPU speed

Clock speed

Multiplier

JP5/pins 1 & 2

JP5/pins 3 & 4

JP5/pins 5 & 6

JP5/pins 7 & 8

JP6

266MHz

66MHz

4x

Closed

Closed

Closed

Open

1 & 2, 4 & 5

300MHz

66MHz

4.5x

Closed

Open

Closed

Open

1 & 2, 4 & 5

333MHz

66MHz

5x

Closed

Closed

Open

Open

1 & 2, 4 & 5

Note: Pins designated should be in the closed position.

CPU TYPE SELECTION

Type

JP3

JP4

»

CPU1 installed

Pins 1 & 2 closed

Pins 1 & 2 closed

 

CPU2 installed

Pins 2 & 3 closed

Pins 2 & 3 closed

 

Both slots installed

Pins 2 & 3 closed

Pins 1 & 2 closed