ACER, INC.

AX5T-3

Device Type

Mainboard

Processor

AM K5/AM K6/Pentium/Pentium MMX/CX 6X86/CX 6X86L

Processor Speed

90/100/120/133/150/166/180/200/233MHz

Chip Set

Unidentified

Maximum Onboard Memory

256MB (Fast Page & EDO supported)

Cache

256/512KB

BIOS

Award

Dimensions

305mm x 244mm

I/O Options (backplane)

32-bit PCI slots (4), floppy drive interface, IDE interfaces (2), parallel port, PS/2 mouse port, serial ports (2), IR connector, IrDA connector, USB connector, ATX power connector

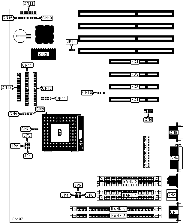
CONNECTIONS

Purpose

Location

Purpose

Location

Serial port 1

CN1

IDE interface 1

CN11

PS/2 mouse port

CN2

Floppy drive interface

CN12

Parallel port

CN4

HDD LED connector

CN13

Serial port 2

CN5

Power LED & keylock

CN14/pins 1 - 5

USB connector

CN6

Speaker

CN14/pins 7 - 10

Soft power switch connector

CN7

Reset switch

CN14/pins 19 & 20

CPU fan connector 2

CN8

IR connector

CN15

CPU fan connector 1

CN9

IR/modem wake up connector

CN16

IDE interface 2

CN10

32-bit PCI slots

PC1 - PC4

USER CONFIGURABLE SETTINGS

Function

Label

Position

»

CMOS memory normal operation

JP14

Pins 1 & 2 closed

 

CMOS memory clear

JP14

Pins 2 & 3 closed

SIMM CONFIGURATION

Size

Bank 0

Bank 1

8MB

(2) 1M x 36

None

16MB

(2) 1M x 36

(2) 1M x 36

16MB

(2) 2M x 36

None

24MB

(2) 2M x 36

(2) 1M x 36

32MB

(2) 2M x 36

(2) 2M x 36

32MB

(2) 4M x 36

None

40MB

(2) 4M x 36

(2) 1M x 36

48MB

(2) 4M x 36

(2) 2M x 36

64MB

(2) 4M x 36

(2) 4M x 36

64MB

(2) 8M x 36

None

72MB

(2) 8M x 36

(2) 1M x 36

80MB

(2) 8M x 36

(2) 2M x 36

96MB

(2) 8M x 36

(2) 4M x 36

128MB

(2) 8M x 36

(2) 8M x 36

128MB

(2) 16M x 36

None

136MB

(2) 16M x 36

(2) 1M x 36

144MB

(2) 16M x 36

(2) 2M x 36

160MB

(2) 16M x 36

(2) 4M x 36

192MB

(2) 16M x 36

(2) 8M x 36

256MB

(2) 16M x 36

(2) 16M x 36

Note: Board accepts EDO memory.

DIMM CONFIGURATION

Size

Bank 2

Bank 3

8MB

(1) 1M x 64

None

16MB

(1) 1M x 64

(1) 1M x 64

16MB

(1) 2M x 64

None

24MB

(1) 2M x 64

(1) 1M x 64

32MB

(1) 2M x 64

(1) 2M x 64

32MB

(1) 4M x 64

None

40MB

(1) 4M x 64

(1) 1M x 64

48MB

(1) 4M x 64

(1) 2M x 64

64MB

(1) 4M x 64

(1) 4M x 64

64MB

(1) 8M x 64

None

72MB

(1) 8M x 64

(1) 1M x 64

80MB

(1) 8M x 64

(1) 2M x 64

96MB

(1) 8M x 64

(1) 4M x 64

128MB

(1) 8M x 64

(1) 8M x 64

128MB

(1) 16M x 64

None

136MB

(1) 16M x 64

(1) 1M x 64

144MB

(1) 16M x 64

(1) 2M x 64

160MB

(1) 16M x 64

(1) 4M x 64

192MB

(1) 16M x 64

(1) 8M x 64

256MB

(1) 16M x 64

(1) 16M x 64

CACHE CONFIGURATION

Note: The configuration of the cache is unidentified.

CPU SPEED SELECTION (PENTIUM)

CPU speed

Clock speed

Multiplier

JP1

JP2

JP3

JP4

JP5

JP6

90MHz

60MHz

1.5x

1 & 2

1 & 2

1 & 2

1 & 2

2 & 3

1 & 2

100MHz

66MHz

1.5x

1 & 2

1 & 2

1 & 2

2 & 3

2 & 3

1 & 2

120MHz

60MHz

2x

2 & 3

1 & 2

1 & 2

1 & 2

2 & 3

1 & 2

133MHz

66MHz

2x

2 & 3

1 & 2

1 & 2

2 & 3

2 & 3

1 & 2

150MHz

60MHz

2.5x

2 & 3

2 & 3

1 & 2

1 & 2

2 & 3

1 & 2

166MHz

66MHz

2.5x

2 & 3

2 & 3

1 & 2

2 & 3

2 & 3

1 & 2

200MHz

66MHz

3x

1 & 2

2 & 3

1 & 2

2 & 3

2 & 3

1 & 2

Note: Pins designated are in the closed position.

CPU SPEED SELECTION (PENTIUM MMX)

CPU speed

Clock speed

Multiplier

JP1

JP2

JP3

JP4

JP5

JP6

150MHz

60MHz

2.5x

2 & 3

2 & 3

1 & 2

1 & 2

2 & 3

1 & 2

166MHz

66MHz

2.5x

2 & 3

2 & 3

1 & 2

2 & 3

2 & 3

1 & 2

200MHz

66MHz

3x

1 & 2

2 & 3

1 & 2

2 & 3

2 & 3

1 & 2

233MHz

66MHz

3.5x

1 & 2

1 & 2

1 & 2

2 & 3

2 & 3

1 & 2

Note: Pins designated are in the closed position.

CPU SPEED SELECTION (CX 6X86)

CPU speed

Clock speed

Multiplier

JP1

JP2

JP3

JP4

JP5

JP6

120MHz

60MHz

2x

2 & 3

1 & 2

1 & 2

1 & 2

2 & 3

1 & 2

133MHz

66MHz

2x

2 & 3

1 & 2

1 & 2

2 & 3

2 & 3

1 & 2

150MHz

75MHz

2x

2 & 3

1 & 2

1 & 2

2 & 3

1 & 2

1 & 2

Note: Pins designated are in the closed position.

CPU SPEED SELECTION (CX 6X86L)

CPU speed

Clock speed

Multiplier

JP1

JP2

JP3

JP4

JP5

JP6

150MHz

60MHz

2.5x

2 & 3

2 & 3

1 & 2

1 & 2

2 & 3

1 & 2

166MHz

66MHz

2.5x

2 & 3

2 & 3

1 & 2

2 & 3

2 & 3

1 & 2

200MHz

66MHz

3x

1 & 2

2 & 3

1 & 2

2 & 3

2 & 3

1 & 2

233MHz

66MHz

3.5x

1 & 2

1 & 2

1 & 2

2 & 3

2 & 3

1 & 2

Note: Pins designated are in the closed position.

CPU SPEED SELECTION (AM K5)

CPU speed

Clock speed

Multiplier

JP1

JP2

JP3

JP4

JP5

JP6

90MHz

60MHz

1.5x

1 & 2

1 & 2

1 & 2

1 & 2

2 & 3

1 & 2

100MHz

66MHz

1.5x

1 & 2

1 & 2

1 & 2

2 & 3

2 & 3

1 & 2

90MHz

60MHz

1.5x

1 & 2

1 & 2

1 & 2

1 & 2

2 & 3

1 & 2

100MHz

66MHz

1.5x

1 & 2

1 & 2

1 & 2

2 & 3

2 & 3

1 & 2

116MHz

66MHz

1.75x

2 & 3

2 & 3

1 & 2

2 & 3

2 & 3

1 & 2

Note: Pins designated are in the closed position.

CPU SPEED SELECTION (AM K6)

CPU speed

Clock speed

Multiplier

JP1

JP2

JP3

JP4

JP5

JP6

166MHz

66MHz

2.5x

2 & 3

2 & 3

1 & 2

2 & 3

2 & 3

1 & 2

200MHz

66MHz

3x

1 & 2

2 & 3

1 & 2

2 & 3

2 & 3

1 & 2

233MHz

66MHz

3.5x

1 & 2

1 & 2

1 & 2

2 & 3

2 & 3

1 & 2

Note: Pins designated are in the closed position.

CPU VOLTAGE SELECTION (SINGLE)

Voltage

JP11

»

3.45v

Pins 1 & 2 closed

CPU VOLTAGE SELECTION (DUAL)

Voltage

JP11

2.8v

Pins 7 & 8 closed

2.9v

Pins 5 & 6 closed

3.2v

Pins 9 & 10 closed

3.52v

Pins 3 & 4 closed