DTK COMPUTER, INC.

PAM-0066I (VER. 1.20)

Device Type

Mainboard

Processor

CX 6X86/CX 6X86L/CX 6X86MX/AM K5/AM K6/Pentium/Pentium MMX

Processor Speed

90/100/110/120/130/133/150/166/200/233/266MHz

Chip Set

Intel 430TX

Maximum Onboard Memory

256MB (EDO & SDRAM supported)

Cache

512KB

BIOS

Award

Video Chip Set

S3

Maximum Video Memory

4MB VRAM

Dimensions

200mm x 248mm

I/O Options

32-bit EISA slot, floppy drive interface, green PC connector, IDE interfaces (2), parallel port, PS/2 mouse port, serial ports (2), VGA feature connector, VGA port, wavetable connector, audio in - CD-ROM (2), audio connectors (2)

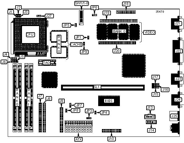
CONNECTIONS

Purpose

Location

Purpose

Location

ATX power

ATX

IR connector

J15

Reset switch

J1

USB connector 1

J16

Green PC connector

J2

USB connector 2

J17

Green PC LED

J3

VGA feature connector

J18

Speaker

J4

Video memory expansion board connector

J19

IDE interface LED

J5

Video memory expansion board connector

J20

Power LED & keylock

J6

VGA port

J21

IDE interface 1

J7

Parallel port

J22

IDE interface 2

J8

Serial port 1

J23

Floppy drive interface

J9

Serial port 2

J24

Wavetable connector

J10

PS/2 mouse port

J25

Audio in - CD-ROM connector

J13

CPU fan power

J27

Audio in - CD-ROM connector

J14

32-bit EISA slot

SL1

USER CONFIGURABLE SETTINGS

Function

Label

Position

 

VGA enabled

JP1

Closed

 

VGA disabled

JP1

Open

 

Flash BIOS voltage select 5v

JP3

Pins 2 & 3 closed

 

Flash BIOS voltage select 12v

JP3

Pins 1 & 2 closed

 

Audio enabled

JP4

Closed

 

Audio disabled

JP4

Open

»

Factory configured - do not alter

JP6

Pins 2 & 3 closed

»

CMOS memory normal operation

JP7

Pins 1 & 2 closed

 

CMOS memory clear

JP7

Pins 2 & 3 closed

DRAM CONFIGURATION

Size

Bank 0

Bank 1

8MB

(2) 1MB x 36

None

16MB

(2) 1MB x 36

(2) 1MB x 36

16MB

(2) 2MB x 36

None

24MB

(2) 2MB x 36

(2) 1MB x 36

32MB

(2) 2MB x 36

(2) 2MB x 36

32MB

(2) 4MB x 36

None

40MB

(2) 4MB x 36

(2) 1MB x 36

48MB

(2) 4MB x 36

(2) 2MB x 36

64MB

(2) 4MB x 36

(2) 4MB x 36

64MB

(2) 8MB x 36

None

72MB

(2) 8MB x 36

(2) 1MB x 36

80MB

(2) 8MB x 36

(2) 2MB x 36

96MB

(2) 8MB x 36

(2) 4MB x 36

128MB

(2) 8MB x 36

(2) 8MB x 36

128MB

(2) 16MB x 36

None

136MB

(2) 16MB x 36

(2) 1MB x 36

DRAM CONFIGURATION (CON’T)

Size

Bank 0

Bank 1

144MB

(2) 16MB x 36

(2) 2MB x 36

160MB

(2) 16MB x 36

(2) 4MB x 36

192MB

(2) 16MB x 36

(2) 8MB x 36

256MB

(2) 16MB x 36

(2) 16MB x 36

Note: Board supports Page and EDO memory.

VIDEO MEMORY CONFIGURATION

Size

Bank 0

J19/J20

2MB

2MB

None

4MB

2MB

2MB expansion board

POWER SUPPLY SELECTION

Power supply

JP8

JP9

AT power

Closed

Open

ATX power

Open

Closed

CPU SPEED SELECTION (INTEL)

Speed

Clock speed

Multiplier

SW1/3

SW1/4

SW1/5

SW1/6

SW1/7

SW1/8

90MHz

60MHz

1.5x

Off

Off

Off

On

Off

Off

100MHz

66MHz

1.5x

Off

Off

Off

Off

On

Off

120MHz

60MHz

2x

On

Off

Off

On

Off

Off

133MHz

66MHz

2x

On

Off

Off

Off

On

Off

166MHz

66MHz

2.5x

On

On

Off

Off

On

Off

200MHz

66MHz

3x

Off

On

Off

Off

On

Off

CPU SPEED SELECTION (INTEL MMX)

Speed

Clock speed

Multiplier

SW1/3

SW1/4

SW1/5

SW1/6

SW1/7

SW1/8

166MHz

66MHz

2.5x

On

On

Off

Off

On

Off

200MHz

66MHz

3x

Off

On

Off

Off

On

Off

233MHz

66MHz

3.5x

Off

Off

Off

Off

On

Off

CPU SPEED SELECTION (CX 6X86L)

Speed

Clock speed

Multiplier

SW1/3

SW1/4

SW1/5

SW1/6

SW1/7

SW1/8

150MHz

60MHz

2x

On

Off

Off

On

Off

Off

166MHz

66MHz

2x

On

Off

Off

Off

On

Off

200MHz

75MHz

2x

On

Off

Off

Off

Off

On

CPU SPEED SELECTION (CX 6X86MX)

Speed

Clock speed

Multiplier

SW1/3

SW1/4

SW1/5

SW1/6

SW1/7

SW1/8

166MHz

60MHz

2.5x

On

On

Off

On

Off

Off

200MHz

75MHz

2x

On

Off

Off

Off

Off

On

CPU SPEED SELECTION (AM K5)

Speed

Clock speed

Multiplier

SW1/3

SW1/4

SW1/5

SW1/6

SW1/7

SW1/8

120MHz

60MHz

2x

On

Off

Off

On

Off

Off

133MHz

66MHz

2x

On

Off

Off

Off

On

Off

166MHz

66MHz

2.5x

On

On

Off

Off

On

Off

CPU SPEED SELECTION (AM K6)

Speed

Clock speed

Multiplier

SW1/3

SW1/4

SW1/5

SW1/6

SW1/7

SW1/8

166MHz

66MHz

2.5x

On

On

Off

Off

On

Off

200MHz

66MHz

3x

Off

On

Off

Off

On

Off

233MHz

66MHz

3.5x

Off

Off

Off

Off

On

Off

266MHz

66MHz

4x

On

Off

On

Off

On

Off

CPU VOLTAGE SELECTION

Voltage

SW1/1

SW1/2

JP5

Auto

Off

Off

Open

2.8V

Off

Off

Closed

2.9V

On

Off

Closed

3.2V

Off

Off

Open

3.3V

Off

On

Open

3.5V

On

On

Closed