FREE COMPUTER TECHNOLOGY, INC.
P5F78
|
Processor |
CX 6X86/CX 6X86L/CX 6X86MX/IBM 6X86/ IBM 6X86L/ IBM 6X86MX AM K5/AM K6/Pentium |
|
Processor Speed |
90/100/120/133/150/166/200/233MHz |
|
Chip Set |
Intel |
|
Video Chip Set |
None |
|
Maximum Onboard Memory |
256MB (EDO supported) |
|
Maximum Video Memory |
None |
|
Cache |
256/512KB |
|
BIOS |
Award |
|
Dimensions |
305mm x 244mm |
|
I/O Options |
32-bit PCI slots (5), floppy drive interface, IDE interfaces (2), parallel port, PS/2 mouse port, serial ports (2), IR connector, USB connectors (2), ATX power connector |
|
NPU Options |
None |
|
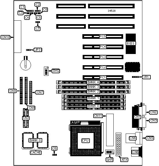
CONNECTIONS | |||
|
Purpose |
Location |
Purpose |
Location |
|
ATX power connector |
ATX |
Serial port 1 |
CN3 |
|
Power LED & keylock |
C1 |
USB connector 1 |
CN4 |
|
Speaker |
C2 |
USB connector 2 |
CN5 |
|
Soft off power supply |
C3 |
PS/2 mouse port |
CN6 |
|
Reset switch |
C4 |
Floppy drive interface |
CN7 |
|
Turbo LED |
C5 |
IDE interface 2 |
CN8 |
|
IDE interface LED |
C6 |
IDE interface 1 |
CN9 |
|
Chassis fan power |
C7 |
System Management Connector |
CN10 |
|
Chassis fan power |
C8 |
Switching Regulator |
CN11 |
|
Parallel port |
CN1 |
IR connector |
IR1 |
|
Serial port 2 |
CN2 |
32-bit PCI slots |
PC1 – PC5 |
|
USER CONFIGURABLE SETTINGS | |||
|
Function |
Label |
Position | |
|
» |
CMOS memory normal operation |
JP3 |
Open |
|
CMOS memory clear |
JP3 |
Pins 2 & 3 closed | |
|
DIMM/SIMM CONFIGURATION | |||||
|
Size |
Bank 0 |
Bank 1 |
Bank 2 |
Bank 3 |
Bank 4 |
|
8MB |
(2) 1M x 36 |
None |
None |
None |
None |
|
8MB |
None |
None |
(1) 1M x 64 |
None |
None |
|
16MB |
(2) 2M x 36 |
None |
None |
None |
None |
|
16MB |
(2) 1M x 36 |
(2) 1M x 36 |
None |
None |
None |
|
16MB |
None |
None |
(1) 2M x 64 |
None |
None |
|
16MB |
None |
None |
(1) 1M x 64 |
(1) 1M x 64 |
None |
|
16MB |
None |
(2) 1M x 36 |
(1) 1M x 64 |
None |
None |
|
24MB |
(2) 2M x 36 |
(2) 1M x 36 |
None |
None |
None |
|
24MB |
None |
None |
(1) 2M x 64 |
(1) 1M x 64 |
None |
|
24MB |
None |
None |
(1) 1M x 64 |
(1) 1M x 64 |
(1) 1M x 64 |
|
24MB |
(2) 1M x 36 |
(2) 1M x 36 |
(1) 1M x 64 |
None |
None |
|
24MB |
(2) 1M x 36 |
None |
(1) 1M x 64 |
None |
(1) 1M x 64 |
|
32MB |
(2) 4M x 36 |
None |
None |
None |
None |
|
32MB |
(2) 2M x 36 |
(2) 2M x 36 |
None |
None |
None |
|
32MB |
None |
None |
(1) 4M x 64 |
None |
None |
|
32MB |
None |
None |
(1) 2M x 64 |
(1) 2M x 64 |
None |
|
32MB |
(2) 1M x 36 |
(2) 1M x 36 |
(1) 2M x 64 |
None |
None |
|
40MB |
(2) 4M x 36 |
(2) 1M x 36 |
None |
None |
None |
|
40MB |
None |
None |
(1) 4M x 64 |
(1) 1M x 64 |
None |
|
40MB |
(2) 2M x 36 |
(2) 2M x 36 |
(1) 1M x 64 |
None |
None |
|
48MB |
(2) 4M x 36 |
(2) 2M x 36 |
None |
None |
None |
|
48MB |
None |
None |
(1) 4M x 64 |
(1) 2M x 64 |
None |
|
48MB |
None |
None |
(1) 2M x 64 |
(1) 2M x 64 |
(1) 2M x 64 |
|
48MB |
(2) 2M x 36 |
(2) 2M x 36 |
(1) 2M x 64 |
None |
None |
|
DIMM/SIMM CONFIGURATION (CON’T) | |||||
|
Size |
Bank 0 |
Bank 1 |
Bank 2 |
Bank 3 |
Bank 4 |
|
48MB |
(2) 1M x 36 |
(2) 1M x 36 |
(1) 4M x 64 |
None |
None |
|
48MB |
None |
(2) 2M x 36 |
(1) 2M x 64 |
(1) 2M x 64 |
None |
|
48MB |
(2) 2M x 36 |
None |
(1) 2M x 64 |
None |
(1) 2M x 64 |
|
64MB |
(2) 8M x 36 |
None |
None |
None |
None |
|
64MB |
(2) 4M x 36 |
(2) 4M x 36 |
None |
None |
None |
|
64MB |
None |
None |
(1) 8M x 64 |
None |
None |
|
64MB |
None |
None |
(1) 4M x 64 |
(1) 4M x 64 |
None |
|
64MB |
(2) 2M x 36 |
(2) 2M x 36 |
(1) 4M x 64 |
None |
None |
|
72MB |
(2) 8M x 36 |
(2) 1M x 36 |
None |
None |
None |
|
72MB |
None |
None |
(1) 8M x 64 |
(1) 1M x 64 |
None |
|
72MB |
(2) 4M x 36 |
(2) 4M x 36 |
(1) 1M x 64 |
None |
None |
|
80MB |
(2) 8M x 36 |
(2) 2M x 36 |
None |
None |
None |
|
80MB |
None |
None |
(1) 8M x 64 |
(1) 2M x 64 |
None |
|
80MB |
(2) 4M x 36 |
(2) 4M x 36 |
(1) 2M x 64 |
None |
None |
|
96MB |
(2) 8M x 36 |
(2) 4M x 36 |
None |
None |
None |
|
96MB |
None |
None |
(1) 8M x 64 |
(1) 4M x 64 |
None |
|
96MB |
None |
None |
(1) 4M x 64 |
(1) 4M x 64 |
(1) 4M x 64 |
|
96MB |
(2) 4M x 36 |
(2) 4M x 36 |
(1) 4M x 64 |
None |
None |
|
96MB |
None |
(2) 4M x 36 |
(1) 4M x 64 |
(1) 4M x 64 |
None |
|
96MB |
(2) 4M x 36 |
None |
(1) 4M x 64 |
None |
(1) 4M x 64 |
|
128MB |
(2) 8M x 36 |
(2) 8M x 36 |
None |
None |
None |
|
128MB |
(2) 16M x 36 |
None |
None |
None |
None |
|
128MB |
None |
None |
(1) 8M x 64 |
(1) 8M x 64 |
None |
|
128MB |
None |
None |
(1) 8M x 64 |
None |
(1) 8M x 64 |
|
136MB |
(2) 16M x 36 |
(2) 1M x 36 |
None |
None |
None |
|
136MB |
(2) 8M x 36 |
(2) 8M x 36 |
(1) 1M x 64 |
None |
None |
|
136MB |
None |
(2) 8M x 36 |
(1) 1M x 64 |
(1) 8M x 64 |
None |
|
136MB |
(2) 8M x 36 |
None |
(1) 8M x 64 |
None |
(1) 1M x 64 |
|
144MB |
(2) 16M x 36 |
(2) 2M x 36 |
None |
None |
None |
|
144MB |
(2) 8M x 36 |
(2) 8M x 36 |
(1) 2M x 64 |
None |
None |
|
152MB |
None |
(2) 1M x 36 |
(1) 2M x 64 |
(1) 16M x 64 |
None |
|
160MB |
(2) 16M x 36 |
(2) 4M x 36 |
None |
None |
None |
|
160MB |
(2) 8M x 36 |
(2) 8M x 36 |
(1) 4M x 64 |
None |
None |
|
192MB |
(2) 16M x 36 |
(2) 8M x 36 |
None |
None |
None |
|
192MB |
None |
None |
(1) 8M x 64 |
None |
(1) 16M x 64 |
|
256MB |
(2) 16M x 36 |
(2) 16M x 36 |
None |
None |
None |
|
256MB |
None |
None |
(1) 16M x 64 |
None |
(1) 16M x 64 |
|
256MB |
(2) 16M x 36 |
None |
(1) 16M x 64 |
None |
None |
|
Note: Board accepts EDO memory. | |||||
|
CACHE CONFIGURATION | ||
|
Size |
Bank 0 |
TAG |
|
256KB |
(2) 32K x 32 |
Unidentified |
|
512KB |
(2) 64K x 32 |
Unidentified |
|
CPU SPEED SELECTION (CX 6X86/6X86L) | ||||||
|
CPU speed |
Clock speed |
Multiplier |
SW2/1 |
SW2/2 |
SW2/3 |
SW2/4 |
|
133MHz |
55MHz |
2x |
On |
Off |
On |
On |
|
150MHz |
60MHz |
2x |
On |
Off |
On |
Off |
|
166MHz |
66MHz |
2x |
On |
Off |
Off |
Off |
|
CPU SPEED SELECTION (IBM 6X86/6X86L) | ||||||
|
CPU speed |
Clock speed |
Multiplier |
SW2/1 |
SW2/2 |
SW2/3 |
SW2/4 |
|
133MHz |
55MHz |
2x |
On |
Off |
On |
On |
|
150MHz |
60MHz |
2x |
On |
Off |
On |
Off |
|
166MHz |
66MHz |
2x |
On |
Off |
Off |
Off |
|
CPU SPEED SELECTION (CX 6X86MX) | ||||||
|
CPU speed |
Clock speed |
Multiplier |
SW2/1 |
SW2/2 |
SW2/3 |
SW2/4 |
|
166MHz |
60MHz |
2.5x |
On |
On |
On |
Off |
|
200MHz |
66MHz |
2.5x |
On |
On |
Off |
Off |
|
233MHz |
66MHz |
3x |
Off |
On |
Off |
Off |
|
CPU SPEED SELECTION (IBM 6X86MX) | ||||||
|
CPU speed |
Clock speed |
Multiplier |
SW2/1 |
SW2/2 |
SW2/3 |
SW2/4 |
|
166MHz |
60MHz |
2.5x |
On |
On |
On |
Off |
|
200MHz |
66MHz |
2.5x |
On |
On |
Off |
Off |
|
233MHz |
66MHz |
3x |
Off |
On |
Off |
Off |
|
CPU SPEED SELECTION (AM K5) | ||||||
|
CPU speed |
Clock speed |
Multiplier |
SW2/1 |
SW2/2 |
SW2/3 |
SW2/4 |
|
90MHz |
60MHz |
1.5x |
Off |
Off |
On |
Off |
|
100MHz |
66MHz |
1.5x |
Off |
Off |
Off |
Off |
|
120MHz |
60MHz |
1.5x |
Off |
Off |
On |
Off |
|
133MHz |
66MHz |
1.5x |
On |
Off |
Off |
Off |
|
150MHz |
60MHz |
1.75x |
On |
On |
On |
Off |
|
166MHz |
66MHz |
1.75x |
On |
On |
Off |
Off |
|
CPU SPEED SELECTION (AM K6) | ||||||
|
CPU speed |
Clock speed |
Multiplier |
SW2/1 |
SW2/2 |
SW2/3 |
SW2/4 |
|
166MHz |
66MHz |
2.5x |
On |
On |
Off |
Off |
|
200MHz |
66MHz |
3x |
Off |
On |
Off |
Off |
|
233MHz |
66MHz |
3.5x |
Off |
Off |
Off |
Off |
|
CPU SPEED SELECTION (INTEL) | ||||||
|
CPU speed |
Clock speed |
Multiplier |
SW2/1 |
SW2/2 |
SW2/3 |
SW2/4 |
|
90MHz |
60MHz |
1.5x |
Off |
Off |
On |
Off |
|
100MHz |
66MHz |
1.5x |
Off |
Off |
Off |
Off |
|
120MHz |
60MHz |
2x |
On |
Off |
On |
Off |
|
133MHz |
66MHz |
2x |
On |
Off |
Off |
Off |
|
150MHz |
60MHz |
2.5x |
On |
On |
On |
Off |
|
166MHz |
66MHz |
2.5x |
On |
On |
Off |
Off |
|
200MHz |
66MHz |
3x |
Off |
On |
Off |
Off |
|
233MHz |
66MHz |
3.5x |
Off |
Off |
Off |
Off |
|
CPU VOLTAGE SELECTION | ||||
|
Voltage |
SW1/1 |
SW1/2 |
SW1/3 |
SW1/4 |
|
2.5v |
On |
Off |
Off |
Off |
|
2.8v |
Off |
On |
Off |
Off |
|
2.9v |
Off |
Off |
On |
Off |
|
3.2v |
Off |
Off |
Off |
On |
|
3.3v |
Any setting |
Any setting |
Any setting |
Any setting |
|
3.5v |
Any setting |
Any setting |
Any setting |
Any setting |