FLASH TECH, INC.

SL-67A

Device Type

Mainboard

Processor

Pentium II/Deschutes

Processor Speed

233/266/300/333/350/400/450/500MHz

Chip Set

Intel 440BX

Maximum Onboard Memory

768MB (EDO & SDRAM supported)

Cache

256/512KB

BIOS

Award

I/O Options

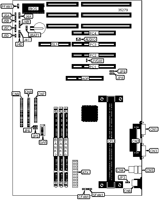
32-bit PCI slots (4), floppy drive interface, IDE interfaces (2), parallel port, PS/2 mouse port, serial ports (2), green PC connector, USB port (2), AGP slot, RAID slot, IR connector, ATX power connector

Dimensions

305mm x 220mm

CONNECTIONS

Purpose

Location

Purpose

Location

AGP slot

AGP

Chassis fan

PFAN1

ATX power connector

ATX

Power fan

SFAN1

SoundBlast PCI socket

AUDIO

IDE interface LED

J4A

Serial port 2

CN1

IR connector

J4B

Parallel port

CN2

Power switch

J4C

Serial port 1

CN3

Green PC switch

J4D

USB connector 2

CN4

Speaker

J5A

USB connector 1

CN5

Reset switch

J5B

PS/2 mouse port

CN6

Power LED & keylock

J5C

Floppy drive interface

CN7

Green PC LED

J5D

IDE interface 2

CN8

32-bit PCI slots

PC1 - PC4

IDE interface 1

CN9

RAID slot

SL1

CPU fan

CFAN1

   

USER CONFIGURABLE SETTINGS

Function

Label

Position

»

CMOS normal operation

JBAT1

Pins 1 & 2 closed

 

CMOS clear

JBAT1

Pins 2 & 3 closed

»

Keyboard power on enabled

JP3

Pins 2 & 3 closed

 

Keyboard power on disabled

JP3

Pins 1 & 2 closed

»

Normal VGA card

JVGA1

Closed

 

Special VGA card

JVGA1

Open

DIP SWITCH/JUMPERLESS SELECTION

CPU Clock Setting

JP5

JP6

»

DIP SW1 enabled

Pins 2 & 3 closed

Pins 2 & 3 closed

 

BIOS setting enabled

Pins 1 & 2 closed

Pins 1 & 2 closed

USB PORT SELECTION

USB Port

JP8

JP9

»

Redirect all USB ports to USB connector

Pins 1 & 2 closed

Pins 1 & 2 closed

 

Redirect USB1 to AGP port

Pins 2 & 3 closed

Pins 2 & 3 closed

DRAM CONFIGURATION

Size

Bank 0

Bank 1

Bank 2

8MB

(2) 1MB x 36

None

None

16MB

(2) 1MB x 36

(1) 1MB x 64

None

16MB

(2) 2MB x 36

None

None

24MB

(2) 1MB x 36

(1) 1MB x 64

(1) 1MB x 64

24MB

(2) 2MB x 36

(1) 1MB x 64

None

32MB

(2) 2MB x 36

(1) 2MB x 64

None

32MB

(2) 4MB x 64

None

None

40MB

(2) 2MB x 36

(1) 2MB x 64

(1) 1MB x 64

40MB

(2) 4MB x 36

(1) 1MB x 64

None

48MB

(2) 2MB x 36

(1) 2MB x 64

(1) 2MB x 64

48MB

(2) 4MB x 36

(1) 2MB x 64

None

64MB

(2) 4MB x 36

(1) 4MB x 64

None

64MB

(2) 8MB x 36

None

None

72MB

(2) 4MB x 36

(1) 4MB x 64

(1) 1MB x 64

72MB

(2) 8MB x 36

(1) 1MB x 64

None

80MB

(2) 4MB x 36

(1) 4MB x 64

(1) 2MB x 64

80MB

(2) 8MB x 36

(1) 2MB x 64

None

96MB

(2) 4MB x 36

(1) 4MB x 64

(1) 4MB x 64

96MB

(2) 8MB x 36

(1) 4MB x 64

None

128MB

(2) 8MB x 36

(1) 8MB x 64

None

128MB

(2) 16MB x 36

None

None

136MB

(2) 8MB x 36

(1) 8MB x 64

(1) 1MB x 64

136MB

(2) 16MB x 36

(1) 1MB x 64

None

144MB

(2) 8MB x 36

(1) 8MB x 64

(1) 2MB x 64

144MB

(2) 16MB x 36

(1) 2MB x 64

None

160MB

(2) 8MB x 36

(1) 8MB x 64

(1) 4MB x 64

160MB

(2) 16MB x 36

(1) 4MB x 64

None

196MB

(2) 8MB x 36

(1) 8MB x 64

(1) 8MB x 64

196MB

(2) 16MB x 36

(1) 8MB x 64

None

256MB

(2) 16MB x 36

(1) 16MB x 64

None

256MB

(2) 32MB x 36

None

None

264MB

(2) 32MB x 36

(1) 1MB x 64

None

272MB

(2) 32MB x 36

(1) 2MB x 64

None

288MB

(2) 32MB x 36

(1) 4MB x 64

None

320MB

(2) 32MB x 36

(1) 8MB x 64

None

384MB

(2) 32MB x 36

(1) 16MB x 64

None

512MB

(2) 32MB x 36

(1) 32MB x 64

None

520MB

(2) 32MB x 36

(1) 32MB x 64

(1) 1MB x 64

528MB

(2) 32MB x 36

(1) 32MB x 64

(1) 2MB x 64

544MB

(2) 32MB x 36

(1) 32MB x 64

(1) 4MB x 64

576MB

(2) 32MB x 36

(1) 32MB x 64

(1) 8MB x 64

640MB

(2) 32MB x 36

(1) 32MB x 64

(1) 16MB x 64

768MB

(2) 32MB x 36

(1) 32MB x 64

(1) 32MB x 64

CACHE CONFIGURATION

Note: 256/512KB cache is located on the Pentium II/Deschutes CPU.

CPU SPEED SELECTION (PENTIUM II)

CPU Speed

Clock speed

Multiplier

SW1/1

SW1/2

SW1/3

SW1/4

SW1/5

SW1/6

233MHz

66MHz

3.5x

On

Off

Off

On

On

Off

266MHz

66MHz

4x

Off

On

On

On

On

Off

300MHz

66MHz

4.5x

Off

On

Off

On

On

Off

333MHz

66MHz

5x

Off

Off

On

On

On

Off

Note: SW1/5 and SW1/6 control Bus Clock Speed. Default setting is Auto Detect, with SW1/5 Off, and SW1/6 On

CPU SPEED SELECTION (DESCHUTES)

CPU Speed

Clock speed

Multiplier

SW1/1

SW1/2

SW1/3

SW1/4

SW1/5

SW1/6

350MHz

100MHz

3.5x

On

Off

Off

On

Off

Off

400MHz

100MHz

4x

Off

On

On

On

Off

Off

450MHz

100MHz

4.5x

Off

On

Off

On

Off

Off

500MHz

100MHz

5x

Off

Off

On

On

Off

Off

Note: SW1/5 and SW1/6 control Bus Clock Speed. Default setting is Auto Detect, with SW1/5 Off, and SW1/6 On