GEMLIGHT COMPUTER, LTD.

GMB-P6IAK (VER. 1.02)

Device Type

Mainboard

Processor

Pentium II

Processor Speed

233/266/300MHz

Chip Set

Intel 440FX

Maximum Onboard Memory

512MB (EDO supported)

Cache

256/512KB (located on the Pentium II CPU)

BIOS

AMI

Dimensions

305mm x 244mm

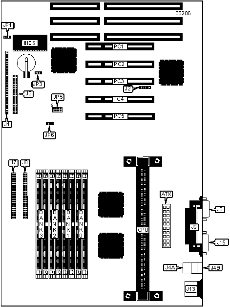
I/O Options

32-bit PCI slots (5), floppy drive interface, green PC connector, IDE interface (2), parallel port, PS/2 mouse port, serial ports (2), IR connector, USB connector (2), ATX power connector

CONNECTIONS

Purpose

Location

Purpose

Location

ATX power supply

ATX

USB connector 1

J4A

Speaker

J1/pins 1 - 4

USB connector 2

J4B

Reset switch

J1/pins 6 & 7

Serial port 2

J6

Keylock

J1/pins 9 - 13

IDE interface 1

J7

IDE interface LED

J1/pins 15 - 18

IDE interface 2

J8

Green PC connector

J1/pins 20 & 21

Parallel port

J9

ATX power switch

J1/pins 22 & 23

PS/2 mouse port

J13

Turbo LED

J1/pins 25 & 26

Serial port 1

J15

IR connector

J2

32-bit PCI slots

PC1 - PC5

Floppy drive interface

J3

   

USER CONFIGURABLE SETTINGS

Function

Label

Position

 

Flash BIOS voltage select 12v

JP1

Pins 1 & 2 closed

 

Flash BIOS voltage select 5v

JP1

Pins 2 & 3 closed

»

CMOS memory normal operation

JP3

Pins 2 & 3 closed

 

CMOS memory clear

JP3

Pins 1 & 2 closed

DRAM CONFIGURATION

Size

Bank 0

Bank 1

Bank 2

Bank 3

8MB

(2) 1M x 36

None

None

None

16MB

(2) 2M x 36

None

None

None

16MB

(2) 1M x 36

(2) 1M x 36

None

None

24MB

(2) 2M x 36

(2) 1M x 36

None

None

24MB

(2) 1M x 36

(2) 1M x 36

(2) 1M x 36

None

32MB

(2) 4M x 36

None

None

None

32MB

(2) 2M x 36

(2) 2M x 36

None

None

32MB

(2) 1M x 36

(2) 1M x 36

(2) 1M x 36

(2) 1M x 36

40MB

(2) 4M x 36

(2) 1M x 36

None

None

48MB

(2) 4M x 36

(2) 2M x 36

None

None

48MB

(2) 2M x 36

(2) 2M x 36

(2) 2M x 36

None

64MB

(2) 2M x 36

(2) 2M x 36

(2) 2M x 36

(2) 2M x 36

64MB

(2) 8M x 36

None

None

None

64MB

(2) 4M x 36

(2) 4M x 36

None

None

DRAM CONFIGURATION (CON’T)

Size

Bank 0

Bank 1

Bank 2

Bank 3

72MB

(2) 8M x 36

(2) 1M x 36

None

None

80MB

(2) 8M x 36

(2) 2M x 36

None

None

96MB

(2) 8M x 36

(2) 4M x 36

None

None

96MB

(2) 4M x 36

(2) 4M x 36

(2) 4M x 36

None

128MB

(2) 16M x 36

None

None

None

128MB

(2) 8M x 36

(2) 8M x 36

None

None

128MB

(2) 4M x 36

(2) 4M x 36

(2) 4M x 36

(2) 4M x 36

136MB

(2) 16M x 36

(2) 1M x 36

None

None

144MB

(2) 16M x 36

(2) 2M x 36

None

None

152MB

(2) 16M x 36

(2) 1M x 36

(2) 1M x 36

(2) 1M x 36

160MB

(2) 16M x 36

(2) 4M x 36

None

None

176MB

(2) 16M x 36

(2) 2M x 36

(2) 2M x 36

(2) 2M x 36

192MB

(2) 16M x 36

(2) 8M x 36

None

None

192MB

(2) 8M x 36

(2) 8M x 36

(2) 8M x 36

None

224MB

(2) 16M x 36

(2) 4M x 36

(2) 4M x 36

(2) 4M x 36

256MB

(2) 32M x 36

None

None

None

256MB

(2) 16M x 36

(2) 16M x 36

None

None

256MB

(2) 8M x 36

(2) 8M x 36

(2) 8M x 36

(2) 8M x 36

272MB

(2) 16M x 36

(2) 16M x 36

(2) 1M x 36

(2) 1M x 36

280MB

(2) 32M x 36

(2) 1M x 36

(2) 1M x 36

(2) 1M x 36

288MB

(2) 16M x 36

(2) 16M x 36

(2) 2M x 36

(2) 2M x 36

304MB

(2) 32M x 36

(2) 2M x 36

(2) 2M x 36

(2) 2M x 36

320MB

(2) 16M x 36

(2) 16M x 36

(2) 4M x 36

(2) 4M x 36

320MB

(2) 16M x 36

(2) 8M x 36

(2) 8M x 36

(2) 8M x 36

352MB

(2) 32M x 36

(2) 4M x 36

(2) 4M x 36

(2) 4M x 36

384MB

(2) 16M x 36

(2) 16M x 36

(2) 16M x 36

None

448MB

(2) 32M x 36

(2) 8M x 36

(2) 8M x 36

(2) 8M x 36

512MB

(2) 16M x 36

(2) 16M x 36

(2) 16M x 36

(2) 16M x 36

CPU SPEED SELECTION (PENTIUM)

Speed

Clock speed

Multiplier

JP5

JP6

233MHz

66MHz

3.5x

1 & 2, 3 & 4

1 & 2

266MHz

66MHz

4x

1 & 2, 5 & 6, 7 & 8

1 & 2

300MHz

66MHz

4.5x

1 & 2, 5 & 6

1 & 2

Note: Numbers designate pins that should be closed.