GEMLIGHT COMPUTER, LTD.
GMB-P6LIDK (VER. 1.00)
|
Device Type |
Mainboard |
|
Processor |
Pentium II |
|
Processor Speed |
233/266/300/333MHz |
|
Chip Set |
Intel 440LX |
|
Maximum Onboard Memory |
1GB (EDO and SDRAM supported) |
|
Cache |
Unidentified |
|
BIOS |
Award/AMI |
|
Dimensions |
305mm x 244mm |
|
I/O Options |
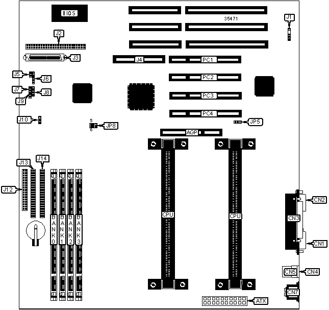
32-bit PCI slots (4), floppy drive interface, IDE interfaces (2), parallel port, PS/2 mouse port, serial ports (2), USB ports (2), SCSI connector, SCSI UltraWide connector, AGP slot, RAID slot |
|
CONNECTIONS | |||
|
Purpose |
Location |
Purpose |
Location |
|
ATX power connector |
ATX |
RAID SLOT |
J4 |
|
AGP slot |
AGP |
IDE interface LED |
J5 |
|
Serial port 1 |
CN1 |
Power LED & keylock |
J6 |
|
Serial port 2 |
CN2 |
Power switch |
J7 |
|
Parallel port |
CN3 |
Speaker |
J8 |
|
USB connector 1 |
CN4 |
Reset switch |
J9 |
|
USB connector 2 |
CN5 |
Floppy drive interface |
J12 |
|
PS/2 mouse interface |
CN7 |
IDE interface 1 |
J13 |
|
IR connector |
J1 |
IDE interface 2 |
J14 |
|
SCSI connector |
J2 |
Wake on LAN connector |
JP5 |
|
SCSI UltraWide connector |
J3 |
32-bit PCI slots |
PC1 - PC4 |
|
USER CONFIGURABLE SETTINGS | |||
|
Function |
Label |
Position | |
|
» |
CMOS memory normal operation |
J10 |
Pins 2 & 3 closed |
|
CMOS memory clear |
J10 |
Pins 1 & 2 closed | |
|
DRAM CONFIGURATION | ||||
|
Size |
Bank 0 |
Bank 1 |
Bank 2 |
Bank 3 |
|
8MB |
(1) 1MB x 64 |
None |
None |
None |
|
16MB |
(1) 1MB x 64 |
(1) 1MB x 64 |
None |
None |
|
16MB |
(1) 2MB x 64 |
None |
None |
None |
|
24MB |
(1) 1MB x 64 |
(1) 1MB x 64 |
(1) 1MB x 64 |
None |
|
24MB |
(1) 2MB x 64 |
(1) 1MB x 64 |
None |
None |
|
32MB |
(1) 1MB x 64 |
(1) 1MB x 64 |
(1) 1MB x 64 |
(1) 1MB x 64 |
|
32MB |
(1) 2MB x 64 |
(1) 2MB x 64 |
None |
None |
|
32MB |
(1) 4MB x 64 |
None |
None |
None |
|
32MB |
(1) 2MB x 64 |
(1) 1MB x 64 |
(1) 1MB x 64 |
None |
|
40MB |
(1) 2MB x 64 |
(1) 2MB x 64 |
(1) 1MB x 64 |
None |
|
48MB |
(1) 2MB x 64 |
(1) 2MB x 64 |
(1) 2MB x 64 |
None |
|
48MB |
(1) 2MB x 64 |
(1) 2MB x 64 |
(1) 1MB x 64 |
(1) 1MB x 64 |
|
56MB |
(1) 4MB x 64 |
(1) 2MB x 64 |
(1) 1MB x 64 |
None |
|
64MB |
(1) 2MB x 64 |
(1) 2MB x 64 |
(1) 2MB x 64 |
(1) 2MB x 64 |
|
64MB |
(1) 4MB x 64 |
(1) 4MB x 64 |
None |
None |
|
64MB |
(1) 8MB x 64 |
None |
None |
None |
|
64MB |
(1) 4MB x 64 |
(1) 2MB x 64 |
(1) 1MB x 64 |
(1) 1MB x 64 |
|
88MB |
(1) 4MB x 64 |
(1) 4MB x 64 |
(1) 2MB x 64 |
(1) 1MB x 64 |
|
96MB |
(1) 4MB x 64 |
(1) 4MB x 64 |
(1) 4MB x 64 |
None |
|
DRAM CONFIGURATION (CONT.) | ||||
|
Size |
Bank 0 |
Bank 1 |
Bank 2 |
Bank 3 |
|
120MB |
(1) 8MB x 64 |
(1) 4MB x 64 |
(1) 2MB x 64 |
(1) 1MB x 64 |
|
128MB |
(1) 4MB x 64 |
(1) 4MB x 64 |
(1) 4MB x 64 |
(1) 4MB x 64 |
|
128MB |
(1) 8MB x 64 |
(1) 8MB x 64 |
None |
None |
|
128MB |
(1) 16MB x 64 |
None |
None |
None |
|
136MB |
(1) 8MB x 64 |
(1) 4MB x 64 |
(1) 4MB x 64 |
(1) 1MB x 64 |
|
192MB |
(1) 8MB x 64 |
(1) 8MB x 64 |
(1) 8MB x 64 |
None |
|
240MB |
(1) 16MB x 64 |
(1) 8MB x 64 |
(1) 4MB x 64 |
(1) 2MB x 64 |
|
256MB |
(1) 8MB x 64 |
(1) 8MB x 64 |
(1) 8MB x 64 |
(1) 8MB x 64 |
|
256MB |
(1) 16MB x 64 |
(1) 16MB x 64 |
None |
None |
|
256MB |
(1) 32MB x 64 |
None |
None |
None |
|
384MB |
(1) 16MB x 64 |
(1) 16MB x 64 |
(1) 16MB x 64 |
None |
|
480MB |
(1) 32MB x 64 |
(1) 16MB x 64 |
(1) 8MB x 64 |
(1) 4MB x 64 |
|
512MB |
(1) 16MB x 64 |
(1) 16MB x 64 |
(1) 16MB x 64 |
(1) 16MB x 64 |
|
512MB |
(1) 32MB x 64 |
(1) 32MB x 64 |
None |
None |
|
768MB |
(1) 32MB x 64 |
(1) 32MB x 64 |
(1) 32MB x 64 |
None |
|
1024MB |
(1) 32MB x 64 |
(1) 32MB x 64 |
(1) 32MB x 64 |
(1) 32MB x 64 |
|
Note: Board accepts EDO & SDRAM memory. Maximum EDO memory is 1GB. Maximum SDRAM is 512MB | ||||
|
CPU SPEED SELECTION | |||||
|
Speed |
Clock speed |
Multiplier |
JP8/pins 1 & 2 |
JP8/pins 3 & 4 |
JP8/pins 5 & 6 |
|
233MHz |
66MHz |
3.5x |
Open |
Open |
Closed |
|
266MHz |
66MHz |
4x |
Closed |
Closed |
Open |
|
300MHz |
66MHz |
4.5x |
Open |
Closed |
Open |
|
333MHz |
66MHz |
5x |
Closed |
Open |
Open |