FREE COMPUTER TECHNOLOGY, INC.

P6F94

Device Type

Mainboard

Processor

Pentium II/Celeron

Processor Speed

233/266/300/333MHz

Chip Set

Intel 440LX

Video Chip Set

None

Maximum Onboard Memory

256MB (SDRAM supported)

Maximum Video Memory

None

Cache

512KB (located on Pentium II CPU)

BIOS

Award

Dimensions

245mm x 190mm

I/O Options

32-bit PCI slots (3), floppy drive interface, game/MIDI port, IDE interfaces (2), parallel port, PS/2 mouse port, IR connector, USB connectors (2), ATX power connector, AGP slot, line in, line out, microphone in, SB-link connector, wake on LAN connector

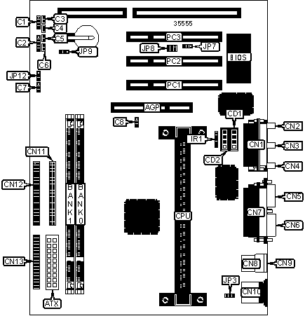
CONNECTIONS

Purpose

Location

Purpose

Location

AGP slot

AGP

Line out

CN4

ATX power connector

ATX

Serial port 1

CN5

Speaker

C1

Serial port 2

CN6

Power LED & keylock

C2

Parallel port

CN7

IDE interface LED

C3

USB connector 1

CN8

Standby LED

C4

USB connector 2

CN9

Reset switch

C5

PS/2 mouse port

CN10

Soft off power supply

C6

IDE interface 2

CN11

Chassis fan power

C7

IDE interface 1

CN12

CPU fan power

C8

Floppy drive interface

CN13

Audio in – CD-ROM

CD1

IR connector

IR1

Audio in – CD-ROM

CD2

Wake on LAN connector

JP7

Game/MIDI port

CN1

SB-link connector

JP8

Microphone in

CN2

32-bit PCI slots

PC1 – PC3

Line in

CN3

   

USER CONFIGURABLE SETTINGS

Function

Label

Position

 

Keyboard/mouse voltage select +5v

JP3

Pins 1 & 2 closed

 

Keyboard/mouse voltage select +5vsb

JP3

Pins 2 & 3 closed

»

CMOS memory normal operation

JP9

Pins 1 & 2 closed

 

CMOS memory clear

JP9

Pins 2 & 3 closed

»

Auto power on disabled

JP12

Pins 2 & 3 closed

 

Auto power on enabled

JP12

Pins 1 & 2 closed

DIMM CONFIGURATION

Size

Bank 0

Bank 1

8MB

(1) 1M x 64

None

16MB

(1) 2M x 64

None

16MB

(1) 1M x 64

(1) 1M x 64

24MB

(1) 2M x 64

(1) 1M x 64

32MB

(1) 4M x 64

None

32MB

(1) 2M x 64

(1) 2M x 64

40MB

(1) 4M x 64

(1) 1M x 64

48MB

(1) 4M x 64

(1) 2M x 64

64MB

(1) 8M x 64

None

64MB

(1) 4M x 64

(1) 4M x 64

DIMM CONFIGURATION (CON’T)

Size

Bank 0

Bank 1

72MB

(1) 8M x 64

(1) 1M x 64

80MB

(1) 8M x 64

(1) 2M x 64

96MB

(1) 8M x 64

(1) 4M x 64

128MB

(1) 16M x 64

None

128MB

(1) 8M x 64

(1) 8M x 64

136MB

(1) 16M x 64

(1) 1M x 64

144MB

(1) 16M x 64

(1) 2M x 64

160MB

(1) 16M x 64

(1) 4M x 64

192MB

(1) 16M x 64

(1) 8M x 64

256MB

(1) 16M x 64

(1) 16M x 64

Note: Board accepts SDRAM memory.

CACHE CONFIGURATION

Note: 512KB cache is located on the Pentium II CPU.