GIGA-BYTE TECHNOLOGY CO., LTD.

GA-6BXD (REV. 1.0)

Device Type

Mainboard

Processor

Pentium II

Processor Speed

233/266/300/333/350/366/400/450MHz

Chip Set

Intel 440BX

Video Chip Set

None

Maximum Onboard Memory

1GB (SDRAM supported)

Maximum Video Memory

None

Cache

256/512KB (located on Pentium II CPU)

BIOS

Award

Dimensions

305mm x 244mm

I/O Options

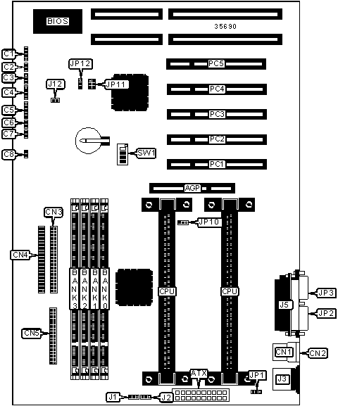
32-bit PCI slots (5), floppy drive interface, green PC connector, IDE interfaces (2), parallel port, PS/2 mouse port, serial ports (2), IR connector, USB connectors (2), ATX power connector, AGP slot, SB-link connector, wake on LAN connector

CONNECTIONS

Purpose

Location

Purpose

Location

AGP slot

AGP

IDE interface 2

CN3

ATX power connector

ATX

IDE interface 1

CN4

Speaker

C1

Floppy drive interface

CN5

Reset switch

C2

CPU fan power

J1

Power LED

C3

CPU fan power

J2

IDE interface LED

C4

PS/2 mouse port

J3

IR connector

C5

Parallel port

J5

Green PC connector

C6

Serial port 2

JP2

Soft off power supply

C7

Serial port 1

JP3

Green PC LED

C8

SB-link connector

JP11

USB connector 1

CN1

Wake on LAN connector

JP12

USB connector 2

CN2

32-bit PCI slots

PC1 – PC5

USER CONFIGURABLE SETTINGS

Function

Label

Position

 

ATX power control select soft off

J12

Open

 

ATX power control select soft off/full on

J12

Closed

 

Keyboard power on enabled

JP1

Pins 1 & 2 closed

 

Keyboard power on disabled

JP1

Pins 2 & 3 closed

DIMM CONFIGURATION

Size

Bank 0

Bank 1

Bank 2

Bank 3

8MB

(1) 1M x 64

None

None

None

16MB

(1) 2M x 64

None

None

None

16MB

(1) 1M x 64

(1) 1M x 64

None

None

24MB

(1) 2M x 64

(1) 1M x 64

None

None

24MB

(1) 1M x 64

(1) 1M x 64

(1) 1M x 64

None

32MB

(1) 4M x 64

None

None

None

32MB

(1) 2M x 64

(1) 2M x 64

None

None

32MB

(1) 1M x 64

(1) 1M x 64

(1) 1M x 64

(1) 1M x 64

40MB

(1) 4M x 64

(1) 1M x 64

None

None

48MB

(1) 4M x 64

(1) 2M x 64

None

None

48MB

(1) 2M x 64

(1) 2M x 64

(1) 2M x 64

None

64MB

(1) 2M x 64

(1) 2M x 64

(1) 2M x 64

(1) 2M x 64

64MB

(1) 8M x 64

None

None

None

DIMM CONFIGURATION (CON’T)

Size

Bank 0

Bank 1

Bank 2

Bank 3

64MB

(1) 4M x 64

(1) 4M x 64

None

None

72MB

(1) 8M x 64

(1) 1M x 64

None

None

80MB

(1) 8M x 64

(1) 2M x 64

None

None

96MB

(1) 8M x 64

(1) 4M x 64

None

None

96MB

(1) 4M x 64

(1) 4M x 64

(1) 4M x 64

None

128MB

(1) 16M x 64

None

None

None

128MB

(1) 8M x 64

(1) 8M x 64

None

None

128MB

(1) 4M x 64

(1) 4M x 64

(1) 4M x 64

(1) 4M x 64

136MB

(1) 16M x 64

(1) 1M x 64

None

None

144MB

(1) 16M x 64

(1) 2M x 64

None

None

152MB

(1) 16M x 64

(1) 1M x 64

(1) 1M x 64

(1) 1M x 64

160MB

(1) 16M x 64

(1) 4M x 64

None

None

176MB

(1) 16M x 64

(1) 2M x 64

(1) 2M x 64

(1) 2M x 64

192MB

(1) 16M x 64

(1) 8M x 64

None

None

192MB

(1) 8M x 64

(1) 8M x 64

(1) 8M x 64

None

224MB

(1) 16M x 64

(1) 4M x 64

(1) 4M x 64

(1) 4M x 64

256MB

(1) 32M x 64

None

None

None

256MB

(1) 16M x 64

(1) 16M x 64

None

None

256MB

(1) 8M x 64

(1) 8M x 64

(1) 8M x 64

(1) 8M x 64

272MB

(1) 16M x 64

(1) 16M x 64

(1) 1M x 64

(1) 1M x 64

280MB

(1) 32M x 64

(1) 1M x 64

(1) 1M x 64

(1) 1M x 64

288MB

(1) 16M x 64

(1) 16M x 64

(1) 2M x 64

(1) 2M x 64

304MB

(1) 32M x 64

(1) 2M x 64

(1) 2M x 64

(1) 2M x 64

320MB

(1) 16M x 64

(1) 16M x 64

(1) 4M x 64

(1) 4M x 64

320MB

(1) 16M x 64

(1) 8M x 64

(1) 8M x 64

(1) 8M x 64

352MB

(1) 32M x 64

(1) 4M x 64

(1) 4M x 64

(1) 4M x 64

384MB

(1) 16M x 64

(1) 16M x 64

(1) 16M x 64

None

448MB

(1) 32M x 64

(1) 8M x 64

(1) 8M x 64

(1) 8M x 64

512MB

(1) 32M x 64

(1) 32M x 64

None

None

512MB

(1) 16M x 64

(1) 16M x 64

(1) 16M x 64

(1) 16M x 64

640MB

(1) 32M x 64

(1) 16M x 64

(1) 16M x 64

(1) 16M x 64

768MB

(1) 32M x 64

(1) 32M x 64

(1) 32M x 64

None

1024MB

(1) 32M x 64

(1) 32M x 64

(1) 32M x 64

(1) 32M x 64

Note: Board accepts SDRAM memory.

CACHE CONFIGURATION

Note: 256KB/512KB cache is located on the Pentium II CPU.

CPU SPEED SELECTION

CPU speed

Clock speed

Multiplier

SW1/1

SW1/2

SW1/3

SW1/4

233MHz

66MHz

3.5x

Off

Off

On

On

266MHz

66MHz

4x

On

On

Off

On

300MHz

66MHz

4.5x

Off

On

Off

On

300MHz

100MHz

3x

On

Off

On

On

333MHz

66MHz

5x

On

Off

Off

On

350MHz

100MHz

3.5x

Off

Off

On

On

366MHz

66MHz

5.5x

Off

Off

Off

On

400MHz

100MHz

4x

On

On

Off

On

450MHz

100MHz

4.5x

Off

On

Off

On

MAINBOARD BUS SPEED SELECTION

Speed

JP10

Auto detect

Pins 2 & 3 closed

66MHz

Pins 1 & 2 closed

100MHz

Open