LEADING TECHNOLOGY

5500AT

Processor

80286 (Exact location is unknown)

Processor Speed

8/10/12/16/20/25MHz

Chip Set

SIS

Max. Onboard DRAM

5MB

Cache

None

BIOS

AMI

Dimensions

330mm x 218mm

I/O Options

Floppy drive interface, IDE interface, Joystick port, parallel port,

NPU Options

80287

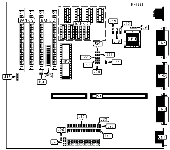
CONNECTIONS

Purpose

Location

Purpose

Location

Parallel port

CN1

IDE interface

J10

Joystick port

CN2

Floppy drive interface

J12

Serial port 2 (25 pin)

CN3

Speaker

J15

Serial port 1 (9 pin)

CN4

IDE interface LED

J29

Function panel connector

J4

Riser Card

S1

External battery

J9

   

USER CONFIGURABLE SETTINGS

Function

Jumper/Switch

Position

»

Joystick port enabled

J17

closed

 

Joystick port disabled

J17

open

»

IDE interface enabled

J28

open

 

IDE interface disabled

J28

closed

»

Floppy drive interface enabled

J33

closed

 

Floppy drive interface disabled

J33

open

»

Parity enabled

J34

closed

 

Parity disabled

J34

open

DRAM CONFIGURATION

Size

Bank 0

Bank 1

Bank 2

1MB

(8) 441100

NONE

NONE

1MB

(4) 256K x 9

NONE

NONE

2MB

(4) 256K x 9

(4) 256K x 9

NONE

3MB

(4) 256K x 9

(4) 256K x 9

(4) 256K x 9

4MB

(4) 1M x 9

NONE

NONE

5MB

(4) 256K x 9

(4) 1M x 9

NONE

SERIAL PORT CONFIGURATION

Port 1 (CN4)

Port 2 (CN2)

J20

J22

J25

J26

»

COM1

COM2

pins 2 & 3

pins 1 & 2

Open

Open

 

COM1

COM3

pins 2 & 3

Open

pins 1 & 2

Open

 

COM1

COM4

pins 2 & 3

Open

Open

pins 1 & 2

 

COM2

COM1

pins 1 & 2

pins 2 & 3

Open

Open

 

COM2

COM3

Open

pins 2 & 3

pins 1 & 2

Open

 

COM2

COM4

Open

pins 2 & 3

Open

pins 1 & 2

 

COM3

COM1

pins 1 & 2

Open

pins 2 & 3

Open

 

COM3

COM2

Open

pins 1 & 2

pins 2 & 3

Open

 

COM3

COM4

Open

Open

pins 2 & 3

pins 1 & 2

 

COM4

COM1

pins 2 & 3

Open

Open

pins 1 & 2

 

COM4

COM2

Open

pins 1 & 2

Open

pins 2 & 3

 

COM4

COM3

Open

Open

pins 1 & 2

pins 2 & 3

Note:Pins designated should be in the closed position.

SERIAL PORT IRQ CONFIGURATION

Port 1 (CN1)

Port 2 (CN2)

J18

J19

»

IRQ4

IRQ3

pins 2 & 3 closed

pins 1 & 2 closed

 

IRQ3

IRQ4

pins 1 & 2 closed

pins 2 & 3 closed

PARALLEL PORT CONFIGURATION

LPT

IRQ

J16

J21

»

1

7

pins 2 & 3 closed

pins 2 & 3 closed

 

1

5

pins 2 & 3 closed

pins 1 & 2 closed

 

2

7

pins 1 & 2 closed

pins 2 & 3 closed

 

2

5

pins 1 & 2 closed

pins 1 & 2 closed