LUCKY STAR TECHNOLOGY CO., LTD.

6ALX2

Device Type

Mainboard

Processor

Pentium II

Processor Speed

200/233/266/300/333/366MHz

Chip Set

Intel 440LX

Maximum Onboard Memory

384MB (EDO & SDRAM supported)

Cache

512KB (located on Pentium II CPU)

BIOS

Award

Dimensions

305mm x 190mm

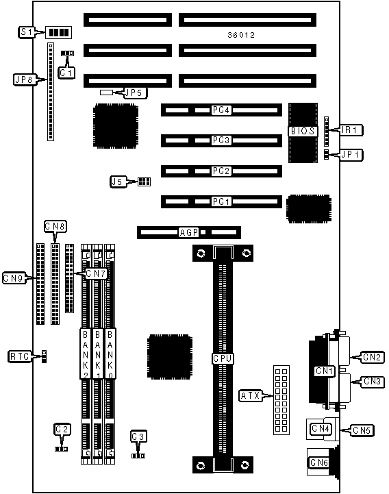
I/O Options

32-bit PCI slots (4), floppy drive interface, green PC connector, IDE interfaces (2), parallel port, PS/2 mouse port, serial ports (2), IR connector, USB connectors (2), ATX power connector, AGP slot

CONNECTIONS

Purpose

Location

Purpose

Location

AGP slot

AGP

IDE interface 1

CN9

ATX power connector

ATX

IR connector

IR1

Chassis fan power

C1

SB-link connector

J5

Chassis fan power

C2

Auto sense fan

JP5

Chassis fan power

C3

Power LED & keylock

JP8/pins 1 - 5

Parallel port

CN1

Speaker

JP8/pins 7 - 10

Serial port 2

CN2

Reset switch

JP8/pins 12 & 13

Serial port 1

CN3

IDE interface LED

JP8/pins 15 & 16

USB connector 1

CN4

Soft off power supply

JP8/pins 18 & 19

USB connector 2

CN5

Green PC connector

JP8/pins 21 & 22

PS/2 mouse port

CN6

Turbo LED

JP8/pins 24 & 25

Floppy drive interface

CN7

32-bit PCI slots

PC1 - PC4

IDE interface 2

CN8

   

USER CONFIGURABLE SETTINGS

Function

Label

Position

»

Factory configured - do not alter

JP1

Unidentified

»

CMOS memory normal operation

RTC

Pins 1 & 2 closed

 

CMOS memory clear

RTC

Pins 2 & 3 closed

DIMM CONFIGURATION

Size

Bank 0

Bank 1

Bank 2

8MB

(1) 1M x 64

None

None

16MB

(1) 2M x 64

None

None

16MB

(1) 1M x 64

(1) 1M x 64

None

24MB

(1) 2M x 64

(1) 1M x 64

None

24MB

(1) 1M x 64

(1) 1M x 64

(1) 1M x 64

32MB

(1) 4M x 64

None

None

32MB

(1) 2M x 64

(1) 1M x 64

(1) 1M x 64

32MB

(1) 2M x 64

(1) 2M x 64

None

40MB

(1) 4M x 64

(1) 1M x 64

None

40MB

(1) 2M x 64

(1) 2M x 64

(1) 1M x 64

48MB

(1) 4M x 64

(1) 1M x 64

(1) 1M x 64

48MB

(1) 4M x 64

(1) 2M x 64

None

48MB

(1) 2M x 64

(1) 2M x 64

(1) 2M x 64

56MB

(1) 4M x 64

(1) 2M x 64

(1) 1M x 64

64MB

(1) 8M x 64

None

None

64MB

(1) 4M x 64

(1) 2M x 64

(1) 2M x 64

64MB

(1) 4M x 64

(1) 4M x 64

None

DIMM CONFIGURATION (CON'T)

Size

Bank 0

Bank 1

Bank 2

72MB

(1) 8M x 64

(1) 1M x 64

None

72MB

(1) 4M x 64

(1) 4M x 64

(1) 1M x 64

80MB

(1) 8M x 64

(1) 1M x 64

(1) 1M x 64

80MB

(1) 8M x 64

(1) 2M x 64

None

80MB

(1) 4M x 64

(1) 4M x 64

(1) 2M x 64

88MB

(1) 8M x 64

(1) 2M x 64

(1) 1M x 64

96MB

(1) 8M x 64

(1) 2M x 64

(1) 2M x 64

96MB

(1) 8M x 64

(1) 4M x 64

None

96MB

(1) 4M x 64

(1) 4M x 64

(1) 4M x 64

104MB

(1) 8M x 64

(1) 4M x 64

(1) 1M x 64

112MB

(1) 8M x 64

(1) 4M x 64

(1) 2M x 64

128MB

(1) 16M x 64

None

None

128MB

(1) 8M x 64

(1) 4M x 64

(1) 4M x 64

128MB

(1) 8M x 64

(1) 8M x 64

None

136MB

(1) 16M x 64

(1) 1M x 64

None

136MB

(1) 8M x 64

(1) 8M x 64

(1) 1M x 64

144MB

(1) 16M x 64

(1) 1M x 64

(1) 1M x 64

144MB

(1) 16M x 64

(1) 2M x 64

None

144MB

(1) 8M x 64

(1) 8M x 64

(1) 2M x 64

152MB

(1) 16M x 64

(1) 2M x 64

(1) 1M x 64

160MB

(1) 16M x 64

(1) 2M x 64

(1) 2M x 64

160MB

(1) 16M x 64

(1) 4M x 64

None

160MB

(1) 8M x 64

(1) 8M x 64

(1) 4M x 64

168MB

(1) 16M x 64

(1) 4M x 64

(1) 1M x 64

176MB

(1) 16M x 64

(1) 4M x 64

(1) 2M x 64

192MB

(1) 16M x 64

(1) 4M x 64

(1) 4M x 64

192MB

(1) 16M x 64

(1) 8M x 64

None

192MB

(1) 8M x 64

(1) 8M x 64

(1) 8M x 64

200MB

(1) 16M x 64

(1) 8M x 64

(1) 1M x 64

208MB

(1) 16M x 64

(1) 8M x 64

(1) 2M x 64

224MB

(1) 16M x 64

(1) 8M x 64

(1) 4M x 64

256MB

(1) 16M x 64

(1) 8M x 64

(1) 8M x 64

384MB

(1) 16M x 64

(1) 16M x 64

(1) 16M x 64

Note: Board accepts EDO & SDRAM memory.

CACHE CONFIGURATION

Note: 512KB cache is located on the Pentium II CPU.

CPU SPEED SELECTION

CPU speed

Clock speed

Multiplier

S1/1

S1/2

S1/3

S1/4

200MHz

66MHz

3x

Off

Off

On

Off

233MHz

66MHz

3.5x

Off

On

On

Off

266MHz

66MHz

4x

Off

Off

Off

On

300MHz

66MHz

4.5x

Off

On

Off

On

333MHz

66MHz

5x

Off

Off

On

On

366MHz

66MHz

5.5x

Off

On

On

On