MICRONICS COMPUTERS INC.

M4PE

Processor

80486SX/80486DX/80486DX2/80486DX4

Processor Speed

25/33/50(internal)/66(internal)/75(internal)/100(internal) MHz

Chip Set

Intel

Max. Onboard DRAM

128MB

Cache

128/256 KB

BIOS

Phoenix

Dimensions

355mm x 304mm

I/O Options

Floppy drive interface, IDE interface, PCI slots (3), parallel port, PS/2 mouse port,

serial ports (2)

NPU Options

None

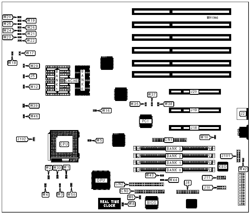
CONNECTIONS

Purpose

Location

Purpose

Location

Primary IDE interface (PCI)

CN1

PCI slot 1

J18

Secondary IDE interface (ISA)

CN2

PCI slot 2

J19

Floppy drive interface

CN3

PCI slot 3

J20

PS/2 mouse port

J2

Fan power connector

J102

Speaker

J5

Power LED & keylock

W12

Parallel port

J8

Turbo switch

W29

Serial port 2

J10

IDE interface LED (PCI)

W39

Serial port 1

J11

IDE interface LED (ISA)

W46

USER CONFIGURABLE SETTINGS

Function

Jumper

Position

»

Factory configured do not alter

J101

Open

»

Secondary cache in write-back mode

W1

pins 2 & 3

 

Secondary cache in write-through mode

W1

pins 1 & 2

»

Internal cache in write-through mode

W4

Open

 

Internal cache in write-back mode

W4

Closed

»

BIOS in normal mode

W6

pins 2 & 3 closed

 

BIOS recovery mode

W6

pins 1 & 2 closed

»

Factory configured do not alter

W8

Closed

»

PS/2 mouse installed

W10

Closed

 

PS/2 mouse not installed

W10

Open

»

Monitor type select color

W14

Closed

 

Monitor type select monochrome

W14

Open

»

CPU generates parity

W17

pins 2 & 3 closed

 

DPU generates parity

W17

pins 1 & 2 closed

»

DPU does not force parity error

W18

pins 2 & 3 closed

 

DPU forces parity error

W18

pins 1 & 2 closed

»

Factory configured do not alter

W19

Closed

»

Secondary cache installed

W21

Open

 

Secondary cache not installed

W21

Closed

»

Secondary cache 0 wait state

W25

Open

 

Secondary cache 1 wait state

W25

Closed

»

PCI IDE uses ISA IRQ 14

W35

Closed

 

PCI IDE does not use ISA IRQ 14

W35

Open

»

PCI IDE uses PCI INTR_A

W37

Closed

 

PCI IDE does not use PCI INTR_A

W37

Open

»

PCI IDE does not use ISA IRQ15

W38

Open

 

PCI IDE uses ISA IRQ15

W38

Closed

USER CONFIGURABLE SETTINGS (CONTINUED)

Function

Jumper

Position

»

ISA IDE uses ISA IRQ 15

W42

pins 2 & 3

 

ISA IDE used ISA IRQ 14

W42

pins 1 & 2

»

ISA IDE uses PIO transfer

W43

Open

 

ISA IDE uses channel 7

W43

pins 2 & 3

 

ISA IDE uses DMA channel 6

W43

pins 1 & 2

»

ISA IDE uses PIO transfer

W44

Open

 

ISA IDE uses channel 7

W44

pins 2 & 3

 

ISA IDE uses DMA channel 6

W44

pins 1 & 2

»

3.45V for DX4 - 100 MHz

W50

Open

 

3.30v for DX4 - 75 MHz

W50

Closed

DRAM CONFIGURATION

Size

Bank 0

Bank 1

Bank 2

Bank 3

8MB

(1) 1M x 36

(1) 1M x 36

None

None

16MB

(1) 1M x 36

(1) 1M x 36

(1) 1M x 36

(1) 1M x 36

16MB

(1) 2M x 36

(1) 2M x 36

None

None

24MB

(1) 2M x 36

(1) 2M x 36

(1) 1M x 36

(1) 1M x 36

32MB

(1) 2M x 36

(1) 2M x 36

(1) 2M x 36

(1) 2M x 36

32MB

(1) 4M x 36

(1) 4M x 36

None

None

40MB

(1) 4M x 36

(1) 4M x 36

(1) 1M x 36

(1) 1M x 36

48MB

(1) 4M x 36

(1) 4M x 36

(1) 2M x 36

(1) 2M x 36

64MB

(1) 4M x 36

(1) 4M x 36

(1) 4M x 36

(1) 4M x 36

64MB

(1) 8M x 36

(1) 8M x 36

None

None

72MB

(1) 8M x 36

(1) 8M x 36

(1) 4M x 36

(1) 4M x 36

80MB

(1) 8M x 36

(1) 8M x 36

(1) 2M x 36

(1) 2M x 36

96MB

(1) 8M x 36

(1) 8M x 36

(1) 4M x 36

(1) 4M x 36

128MB

(1) 8M x 36

(1) 8M x 36

(1) 8M x 36

(1) 8M x 36

CACHE JUMPER CONFIGURATION

Size

W5

W22

W23

128KB

Open

Open

Open

256KB

Closed

Closed

Closed

TAG ADDRESS CONFIGURATION

Address

W24

W26

9-bit

Closed

Open

7-bit

Open

Closed

8-bit

Closed

Closed

Illegal

Open

Open

CPU TYPE CONFIGURATION

Type

W2

W3

W33

80486SX

pins 2 & 3 closed

Closed

Open

80486DX

Closed

Closed

Open

80486DX2

Closed

Closed

Open

80486DX4 (50i)

Closed

Closed

pins 2 & 3 closed

80486DX4 (66i)

Closed

Closed

pins 2 & 3 closed

80486DX4 (75i)

Closed

Closed

Open

80486DX4 (100i)

Closed

Closed

Open

80486 DX4 (future use)

Closed

Closed

pins 1 & 2 closed

Pentium Overdrive

Closed

Open

Open

CPU SPEED CONFIGURATION

Speed

W16

W20

25MHz

Open

Closed

33MHz

Closed

Open

50iMHz

Open

Closed

66iMHz

Closed

Open

75iMHz

Open

Closed

100iMHz

Closed

Open