OCEAN INFORMATION SYSTEMS, INC.
HIPPO PRO 486 REV 1.3
|
Processor |
80486SX/80487SX/80486DX/80486DX2/Pentium Overdrive |
|
Processor Speed |
25/33/50(internal)/50/66(internal)MHz |
|
Chip Set |
UNI |
|
Max. Onboard DRAM |
128MB |
|
Cache |
None |
|
BIOS |
AMI |
|
Dimensions |
330mm x 218mm |
|
I/O Options |
32-bit VESA local bus slots (3), floppy drive interface, game port, IDE interface, parallel port, serial ports (2) |
|
NPU Options |
None |
|
CONNECTIONS | |||
|
Purpose |
Location |
Purpose |
Location |
|
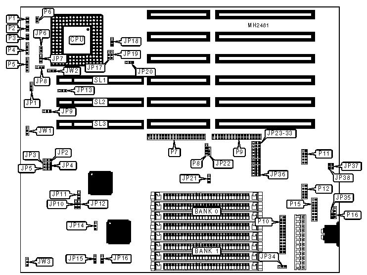
Reset switch |
P1 |
Floppy drive interface |
P9 |
|
Turbo switch |
P2 |
Parallel port |
P10 |
|
Turbo LED |
P3 |
Serial port 1 |
P11 |
|
Speaker |
P4 |
Serial port 2 |
P12 |
|
Power LED & keylock |
P5 |
Game interface |
P15 |
|
Chassis fan power |
P6 |
External battery |
P16 |
|
IDE interface |
P7 |
32-bit VESA Local bus slots |
SL1 - SL3 |
|
IDE interface LED |
P8 | ||
|
USER CONFIGURABLE SETTINGS | |||
|
Function |
Jumper |
Position | |
|
» |
Factory configured - do not alter |
JP1 |
pins 1 & 2 closed |
|
» |
Factory configured - do not alter |
JP3 |
pins 2 & 3 closed |
|
» |
Factory configured - do not alter |
JP4 |
Open |
|
» |
Factory configured - do not alter |
JP6 |
Open |
|
» |
Factory configured - do not alter |
JP7 |
pins 1 & 2 closed |
|
» |
Factory configured - do not alter |
JP8 |
pins 1 & 2 closed |
|
» |
Factory configured - do not alter |
JP9 |
Open |
|
» |
Factory configured - do not alter |
JP11 |
Open |
|
» |
Factory configured - do not alter |
JP13 |
pins 1 & 2 closed |
|
» |
Factory configured - do not alter |
JP14 |
pins 1 & 2 closed |
|
» |
Monitor type select monochrome |
JP15 |
pins 2 & 3 closed |
|
Monitor type select color |
JP15 |
pins 1 & 2 closed | |
|
» |
Factory configured - do not alter |
JP16 |
pins 1 & 2 closed |
|
» |
Factory configured - do not alter |
JP20 |
pins 1 & 2 closed |
|
» |
Game interface enabled |
JP21 |
pins 1 & 2 closed |
|
Game interface disabled |
JP21 |
pins 2 & 3 closed | |
|
» |
Factory configured - do not alter |
JP22 |
Open |
|
» |
Factory configured - do not alter |
JP26 |
pins 1 & 2 closed |
|
» |
Floppy drive interface enabled |
JP33 |
pins 1 & 2 closed |
|
Floppy drive interface disabled |
JP33 |
pins 2 & 3 closed | |
|
» |
CMOS memory normal operation |
JP34 |
pins 1 & 2 closed |
|
CMOS memory clear |
JP34 |
pins 2 & 3 closed | |
|
» |
Factory configured - do not alter |
JP35 |
Open |
|
» |
Factory configured - do not alter |
JP37 |
Open |
|
» |
Factory configured - do not alter |
JP38 |
Open |
|
» |
Factory configured - do not alter |
JW1 |
pins 1 & 2 closed |
|
» |
Factory configured - do not alter |
JW2 |
pins 2 & 3 closed |
|
» |
Factory configured - do not alter |
JW3 |
Open |
|
DRAM CONFIGURATION | ||
|
Size |
Bank 0 |
Bank 1 |
|
1MB |
(4) 256K x 9 |
NONE |
|
2MB |
(4) 256K x 9 |
(4) 256K x 9 |
|
4MB |
(4) 1M x 9 |
NONE |
|
5MB |
(4) 256K x 9 |
(4) 1M x 9 |
|
8MB |
(4) 1M x 9 |
(4) 1M x 9 |
|
16MB |
(4) 4M x 9 |
NONE |
|
20MB |
(4) 1M x 9 |
(4) 4M x 9 |
|
32MB |
(4) 4M x 9 |
(4) 4M x 9 |
|
80MB |
(4) 4M x 9 |
(4) 16M x 9 |
|
128MB |
(4) 16M x 9 |
(4) 16M x 9 |
|
CPU TYPE CONFIGURATION | |||
|
Type |
JP17 |
JP18 |
JP19 |
|
80486SX |
pins 2 & 3 closed |
Open |
pins 1 & 2 closed |
|
80487SX |
pins 1 & 2 closed |
pins 1 & 2 closed |
pins 2 & 3 closed |
|
80486DX |
pins 1 & 2 closed |
pins 2 & 3 closed |
pins 2 & 3 closed |
|
80486DX2 |
pins 1 & 2 closed |
pins 2 & 3 closed |
pins 2 & 3 closed |
|
CPU SPEED CONFIGURATION | |
|
Speed |
JP2 |
|
25MHz |
pins 1 & 2 closed |
|
33MHz |
pins 2 & 3 closed |
|
50iMHz |
pins 1 & 2 closed |
|
66iMHz |
pins 2 & 3 closed |
|
PARALLEL PORT CONFIGURATION | ||
|
Setting |
JP27 |
JP28 |
|
278H |
pins 1 & 2 closed |
pins 1 & 2 closed |
|
378H |
pins 2 & 3 closed |
pins 1 & 2 closed |
|
380H |
pins 1 & 2 closed |
pins 2 & 3 closed |
|
Disabled |
pins 2 & 3 closed |
pins 2 & 3 closed |
|
SERIAL PORT 1 CONFIGURATION | |||
|
Port 1 |
JP29 |
JP30 | |
| » |
COM1 |
pins 1 & 2 closed |
pins 1 & 2 closed |
|
Disabled |
pins 2 & 3 closed |
pins 2 & 3 closed | |
|
SERIAL PORT 2 CONFIGURATION | |||
|
Port 2 |
JP31 |
JP32 | |
| » |
COM2 |
pins 1 & 2 closed |
pins 1 & 2 closed |
|
Disabled |
pins 2 & 3 closed |
pins 2 & 3 closed | |
|
FLOPPY DRIVE CONFIGURATION (2.88MB ONLY) | |||
|
Type |
JP23 |
JP24 |
JP25 |
|
2.88MB |
pins 1 & 2 closed |
pins 1 & 2 closed |
pins 1 & 2 closed |
|
2.88MB not installed |
pins 2 & 3 closed |
pins 2 & 3 closed |
pins 2 & 3 closed |
|
ON BOARD IDE CONFIGURATION | |||
|
Type |
JP5 |
JP36 | |
| » |
On board IDE enabled |
pins 2 & 3 closed |
pins 1 & 2 closed |
|
On board IDE disabled |
pins 1 & 2 closed |
pins 2 & 3 closed | |
|
IDE ACCESS TIME CONFIGURATION | ||||
|
Mode |
Cycle time (ms) |
Access time (ms) |
JP10 |
JP12 |
|
1 |
390 |
120 |
pins 1 & 2 closed |
pins 2 & 3 closed |
|
0 |
600 |
180 |
pins 2 & 3 closed |
pins 2 & 3 closed |
|
2 |
240 |
190 |
pins 2 & 3 closed |
pins 1 & 2 closed |
|
3 |
150 |
90 |
pins 1 & 2 closed |
pins 1 & 2 closed |