MICRO-STAR INTERNATIONAL CO., LTD.

MS-6122

Device Type

Mainboard

Processor

Pentium II

Processor Speed

200/233/266/300/333MHz

Audio Chip Set

Yamaha

Chip Set

Intel 440EX

Maximum Onboard Memory

256MB (EDO & SDRAM supported)

Cache

256/512KB (located on the Pentium II CPU)

BIOS

Unidentified

Dimensions

305mm x 170mm

I/O Options

32-bit PCI slots (3), floppy drive interface, IDE interfaces (2), parallel port, PS/2 mouse port, serial ports (2), IR connector, USB connectors (2), ATX power connector, AGP slot, line in, line out, speaker out, game/MIDI port

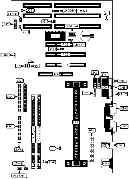
CONNECTIONS

Purpose

Location

Purpose

Location

AGP slot

AGP

External battery connector

JBAT1

ATX power connector

ATX

CPU fan power

JFAN

CPU fan power

CFAN

IDE interface LED

JFP1/pins 1 & 8

IDE interface 1

CN1

Power LED

JFP1/pins 2 - 4

IDE interface 2

CN2

Power switch

JFP1/pins 5 & 6

Floppy drive interface

CN3

Speaker

JFP1/pins 9 - 12

Serial port 2

CN4

Reset switch

JFP1/pins 13 & 14

Serial port 1

CN5

Suspend switch

JGS1

Parallel port

CN6

Green PC LED

JGL1

USB connector 1

CN7

Wake on modem connector

JMODEM

USB connector 2

CN8

CD-ROM - audio in

JP3

PS/2 mouse port

CN9

CD-ROM - audio in

JP4

Speaker out

CN10

Wake on LAN connector

JWOL

Line in

CN11

Soft power off switch

JSW1

Line out

CN12

32-bit PCI slots

PC1 - PC3

Game/MIDI port

CN13

Chassis fan power

SFAN

IR connector

IR1

Power supply fan power

PSFAN

SB link connector

J9

   

USER CONFIGURABLE SETTINGS

Function

Label

Position

 

Flash BIOS voltage select 12v

JMODE1

Pins 1 & 2 closed

 

Flash BIOS voltage select 5v

JMODE1

Pins 2 & 3 closed

»

Factory configured - do not alter

J5

Reserved

»

Factory configured - do not alter

J6

Reserved

»

Factory configured - do not alter

J7

Reserved

»

CMOS memory normal operation

JBAT1

Pins 1 & 2 closed

 

CMOS memory clear

JBAT1

Pins 2 & 3 closed

»

Boot up by switch

J8

Closed

 

Immediate boot up

J8

Open

DIMM CONFIGURATION

Size

Bank 0

Bank 1

8MB

(1) 1M x 64

None

16MB

(1) 2M x 64

None

16MB

(1) 1M x 64

(1) 1M x 64

24MB

(1) 2M x 64

(1) 1M x 64

32MB

(1) 4M x 64

None

32MB

(1) 2M x 64

(1) 2M x 64

40MB

(1) 4M x 64

(1) 1M x 64

48MB

(1) 4M x 64

(1) 2M x 64

64MB

(1) 8M x 64

None

64MB

(1) 4M x 64

(1) 4M x 64

72MB

(1) 8M x 64

(1) 1M x 64

80MB

(1) 8M x 64

(1) 2M x 64

96MB

(1) 8M x 64

(1) 4M x 64

128MB

(1) 16M x 64

None

128MB

(1) 8M x 64

(1) 8M x 64

136MB

(1) 16M x 64

(1) 1M x 64

144MB

(1) 16M x 64

(1) 2M x 64

160MB

(1) 16M x 64

(1) 4M x 64

192MB

(1) 16M x 64

(1) 8M x 64

256MB

(1) 16M x 64

(1) 16M x 64

CACHE CONFIGURATION

Note: The 256/512KB cache is located on the Pentium II CPU.

CPU SPEED SELECTION

CPU speed

Clock speed

Multiplier

SW1/1

SW1/2

SW1/3

SW1/4

200MHz

66MHz

3x

On

On

Off

On

233MHz

66MHz

3.5x

On

Off

Off

On

266MHz

66MHz

4x

On

On

On

Off

300MHz

66MHz

4.5x

On

Off

On

Off

333MHz

66MHz

5x

On

On

Off

Off