SEANIX TECHNOLOGY, INC.
YUKON HX
|
Processor |
Pentium |
|
Processor Speed |
75/90/100/120/133/150/166/200/MHz |
|
Chip Set |
Intel |
|
Video Chip Set |
None |
|
Maximum Onboard Memory |
128MB (EDO supported) |
|
Maximum Video Memory |
None |
|
Cache |
256/512KB |
|
BIOS |
AMI |
|
Dimensions |
254mm x 218mm |
|
I/O Options |
32-bit PCI slots (4), floppy drive interface, green PC connector, IDE interfaces (2), SCSI interface, parallel port, PS/2 mouse interface, serial ports (2), IR connector, USB connector |
|
NPU Options |
None |
|
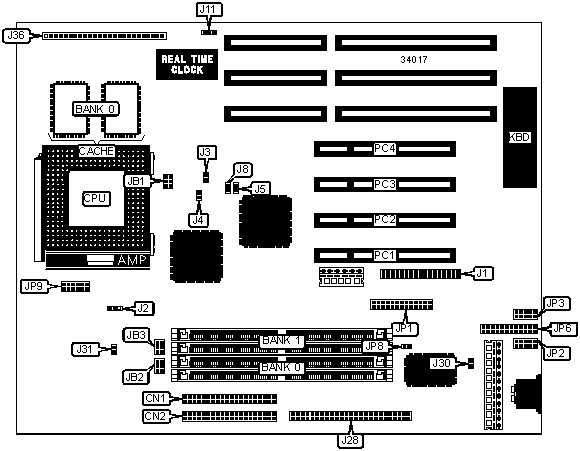
CONNECTIONS | |||
|
Purpose |
Location |
Purpose |
Location |
|
IDE interface 1 |
CN1 |
IR connector |
J36 pins 20 - 24 |
|
IDE interface 2 |
CN2 |
Speaker |
J36 pins 26 - 29 |
|
Floppy drive interface |
J1 |
Parallel port |
JP1 |
|
SCSI interface |
J28 |
Serial port 1 |
JP2 |
|
Chassis fan power |
J36 pins 1 & 2 |
Serial port 2 |
JP3 |
|
Reset switch |
J36 pins 4 & 5 |
USB connector\PS/2 mouse |
JP6 |
|
Power LED & keylock |
J36 pins 7 - 11 |
SCSI LED |
JP8 |
|
IDE interface LED |
J36 pins 13 - 16 |
32-bit PCI slots |
PC1 – PC4 |
|
Green PC connector |
J36 pins 17 & 18 | ||
|
USER CONFIGURABLE SETTINGS | |||
|
Function |
Label |
Position | |
|
» |
CMOS memory normal operation |
J8 |
Open |
|
CMOS memory clear |
J8 |
Closed | |
|
» |
Plug & play enabled |
J11 |
Pins 1 & 2 closed |
|
Plug & play disabled |
J11 |
Pins 2 & 3 closed | |
|
» |
Factory configured - do not alter |
J30 |
Unidentified |
|
DRAM CONFIGURATION | ||
|
Size |
Bank 0 |
Bank 1 |
|
8MB |
(2) 1M x 36 |
None |
|
16MB |
(2) 2M x 36 |
None |
|
16MB |
(2) 1M x 36 |
(2) 1M x 36 |
|
32MB |
(2) 4M x 36 |
None |
|
32MB |
(2) 2M x 36 |
(2) 2M x 36 |
|
64MB |
(2) 8M x 36 |
None |
|
64MB |
(2) 4M x 36 |
(2) 4M x 36 |
|
128MB |
(2) 8M x 36 |
(2) 8M x 36 |
|
Note: Board accepts EDO memory. Board also accepts x 32 SIMMs. | ||
|
DRAM VOLTAGE CONFIGURATION | ||
|
Voltage |
JB2 |
JB3 |
|
3.3v |
Open |
Pins 1 & 2, 3 & 4, 5 & 6 closed |
|
5v |
Pins 1 & 2, 3 & 4, 5 & 6 closed |
Open |
|
CACHE CONFIGURATION | |
|
Size |
Bank 0 |
|
256KB |
(2) 32K x 32 |
|
512KB |
(2) 64K x 32 |
|
CPU SPEED SELECTION | |||||||
|
CPU speed |
Clock speed |
Multiplier |
J2 |
J3 |
J4 |
J5 |
JB1 |
|
75MHz |
50MHz |
1.5x |
Open |
Closed |
Closed |
Open |
1 & 3, 2 & 4 |
|
90MHz |
60MHz |
1.5x |
1 & 2 |
Closed |
Open |
Closed |
1 & 3, 2 & 4 |
|
100MHz |
66MHz |
1.5x |
2 & 3 |
Open |
Closed |
Closed |
1 & 3, 2 & 4 |
|
120MHz |
60MHz |
2x |
1 & 2 |
Closed |
Open |
Closed |
2 & 4, 3 & 5 |
|
133MHz |
66MHz |
2x |
2 & 3 |
Open |
Closed |
Closed |
2 & 4, 3 & 5 |
|
150MHz |
60MHz |
2.5x |
1 & 2 |
Closed |
Open |
Closed |
3 & 5, 4 & 6 |
|
166MHz |
66MHz |
2.5x |
2 & 3 |
Open |
Closed |
Closed |
3 & 5, 4 & 6 |
|
200MHz |
66MHz |
3x |
2 & 3 |
Open |
Closed |
Closed |
1 & 3, 4 & 6 |
|
CPU VOLTAGE SELECTION | ||
|
Voltage |
J31 |
JP9 |
|
2.8v – 2.9v |
Open |
Open |
|
3.3v – 3.6v |
Closed |
1 & 2, 3 & 4, 5 & 6, 7 & 8, 9 & 10, 11 & 12 |
|
Note: Pins designated should be in the closed position. | ||