SHUTTLE COMPUTER INTERNATIONAL, INC.

HOT-671

Device Type

Mainboard

Processor

Pentium II/Celeron

Processor Speed

233/266/300/333MHz

Chip Set

Intel 440EX

Maximum Onboard Memory

256MB (EDO & SDRAM supported)

Audio Chip Set

OPTI

Cache

0/128/256/512KB (located on the CPU)

BIOS

Award

Dimensions

244mm x 170mm

I/O Options

32-bit PCI slots (3), floppy drive interface, game/MIDI port, IDE interfaces (2), parallel port, PS/2 mouse port, PS/2 mouse interface, serial ports (2), serial port, IR connector, USB connectors (2), ATX power connector, AGP slot, line in, line out, microphone in, audio in – CD-ROMs (2), wake on LAN connector

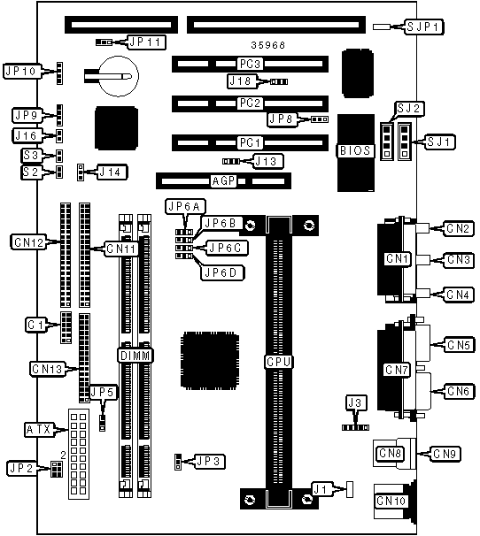
CONNECTIONS

Purpose

Location

Purpose

Location

AGP slot

AGP

Floppy drive interface

CN13

ATX power connector

ATX

IR connector

J3

EISCA connector

C1

Chassis fan power

J13

Game/MIDI port

CN1

Wake on LAN connector

J14

Microphone in

CN2

Reset switch

J16

Line in

CN3

AGP fan power

J18

Line out

CN4

CPU fan power

JP3

Serial port 2

CN5

CPU fan power

JP5

Serial port 1

CN6

Speaker

JP9

Parallel port

CN7

Power LED

JP10

USB connector 1

CN8

32-bit PCI slots

PC1 – PC3

USB connector 2

CN9

Soft off power supply

S2

PS/2 mouse port

CN10

IDE interface LED

S3

IDE interface 2

CN11

Audio in – CD-ROM

SJ1

IDE interface 1

CN12

Audio in – CD-ROM

SJ2

USER CONFIGURABLE SETTINGS

Function

Label

Position

»

Factory configured - do not alter

J1

Unidentified

 

Flash BIOS voltage select 12v

JP8

Pins 1 & 2 closed

 

Flash BIOS voltage select 5v

JP8

Pins 2 & 3 closed

»

CMOS memory normal operation

JP11

Pins 1 & 2 closed

 

CMOS memory clear

JP11

Pins 2 & 3 closed

»

Factory configured - do not alter

SJP1

Unidentified

DIMM CONFIGURATION

Size

Bank 0

Bank 1

8MB

(1) 1M x 64

None

16MB

(1) 2M x 64

None

16MB

(1) 1M x 64

(1) 1M x 64

24MB

(1) 2M x 64

(1) 1M x 64

32MB

(1) 4M x 64

None

32MB

(1) 2M x 64

(1) 2M x 64

40MB

(1) 4M x 64

(1) 1M x 64

48MB

(1) 4M x 64

(1) 2M x 64

64MB

(1) 8M x 64

None

64MB

(1) 4M x 64

(1) 4M x 64

72MB

(1) 8M x 64

(1) 1M x 64

80MB

(1) 8M x 64

(1) 2M x 64

96MB

(1) 8M x 64

(1) 4M x 64

DIMM CONFIGURATION (CON’T)

Size

Bank 0

Bank 1

128MB

(1) 16M x 64

None

128MB

(1) 8M x 64

(1) 8M x 64

136MB

(1) 16M x 64

(1) 1M x 64

144MB

(1) 16M x 64

(1) 2M x 64

160MB

(1) 16M x 64

(1) 4M x 64

192MB

(1) 16M x 64

(1) 8M x 64

256MB

(1) 16M x 64

(1) 16M x 64

Note: Board accepts EDO & SDRAM memory.

CACHE CONFIGURATION

Note: 256KB/512KB cache is located on the Pentium II CPU. 128KB cache is located on the Celeron 300A & 333 CPU.

CPU SPEED SELECTION

CPU speed

Clock speed

Multiplier

JP2/pins 1 & 2

JP2/pins 3 & 4

JP2/pins 5 & 6

233MHz

66MHz

3.5x

Open

Open

Open

266MHz

66MHz

4x

Open

Open

Open

300MHz

66MHz

4.5x

Open

Open

Open

333MHz

66MHz

5x

Open

Open

Open

CPU SPEED SELECTION (CON’T)

CPU speed

Clock speed

Multiplier

JP6A

JP6B

JP6C

JP6D

233MHz

66MHz

3.5x

2 & 3

Open

2 & 3

Open

266MHz

66MHz

4x

Open

2 & 3

2 & 3

2 & 3

300MHz

66MHz

4.5x

Open

2 & 3

2 & 3

Open

333MHz

66MHz

5x

Open

Open

2 & 3

2 & 3

Note: Pins designated should be in the closed position. If BIOS detects multiplier, set all above jumpers to pins 1 & 2 closed

KEYBOARD/MOUSE SELECTION

Setting

JP1

JP4

Keyboard/mouse power on enabled

Pins 2 & 3 closed

Pins 2 & 3, 5 & 6 closed

Keyboard/mouse power on disabled

Pins 1 & 2 closed

Pins 1 & 2, 4 & 5 closed

Mouse power on enabled

Pins 2 & 3 closed

Pins 2 & 3, 4 & 5 closed

Keyboard power on disabled

Pins 2 & 3 closed

Pins 1 & 2, 5 & 6 closed

Note: The location of the above jumpers is unidentified.