ACCTON TECHNOLOGY CORPORATION

ETHERPOCKET-SP (EN2209)

NIC Type

Ethernet

Network Transfer Rate

10Mbps

Data Bus

Parallel

Topology

Linear Bus, Star

Wiring Type

Unshielded twisted pair

RG-58A/U 50ohm coaxial

Boot ROM

Not available

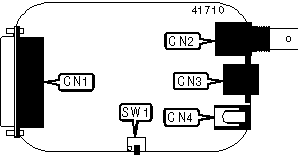
CONNECTIONS

Function

Label

Function

Label

Parallel port

CN1

Unshielded twisted pair port

CN3

RG-58A/U 50ohm coaxial port

CN2

DC power port

CN4

CABLE TYPE SELECTION

Type

SW1

RG-58A/U 50ohm coaxial

Position 2 (Right)

Unshielded twisted pair

Position 1 (Left)

DIAGNOSTIC LED(S)

LED

Color

Status

Condition

LED1

Green

On

Power is on

LED1

Green

Off

Power is off

LED2

Green

Blinking

Data is being transmitted/received

LED2

Green

Off

Data is not being transmitted/received

LED3

Green

On

10Base-T network connection is good

LED3

Green

Off

10Base-T network connection is broken

LED4

Green

On

10-Base2 network connection is good

LED4

Green

Off

10-Base2 network connection is broken

Note: The location of the LED’s are unidentified.