KATRON TECHNOLOGIES, INC.

ET16/P-S2

Card Type

Network Interface Card

NIC Type

Ethernet

Maximum Onboard Memory

16 Kb

Boot ROM

Available

Network Transfer Rate

10Mbps

Topology

Linear Bus, Star

Wiring Type

Unshielded twisted pair

AUI transceiver via DB-15 port

RG-58A/U 50ohm coaxial

Data Bus

8-bit ISA/16-bit ISA

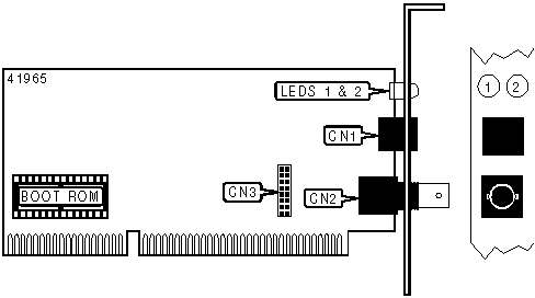
CONNECTIONS

Function

Label

Function

Label

UTP connector

CN1

AUI bracket connector

CN3

RG-58A/U

CN2

   

DIAGNOSTIC LED(S)

LED

Color

Status

Condition

LED1

Green

On

UTP link is good

LED1

Green

Off

UTP link is broken

LED2

Yellow

Blinking

Network data is being transmitted/received

LED2

Yellow

Off

No data is being transmitted/received

LED2

Yellow

On

Adapter failure