IMC NETWORKS CORPORATION
QUICKCEIVER FX
|
Card Type |
Ethernet Transceiver |
|
NIC Type |
Ethernet |
|
Maximum Onboard Memory |
Unidentified |
|
Boot ROM |
Not available |
|
Network Transfer Rate |
100Mbps |
|
Topology |
Linear Bus |
|
Wiring Type |
MII transceiver via 40 pin port, Fiber optic cable |
|
Data Bus |
External |
|
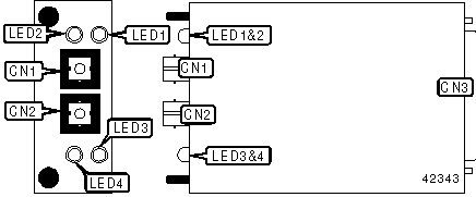
CONNECTIONS | |||
|
Function |
Label |
Function |
Label |
|
Fiber optic STII receive connector |
CN1 |
MII 40 pin port |
CN3 |
|
Fiber optic STII transmit connector |
CN2 | ||
|
DIAGNOSTIC LED(S) | |||
|
LED |
Color |
Status |
Condition |
|
LED1 |
Green |
On |
Network connection is good |
|
LED1 |
Green |
Off |
Network connection is broken |
|
LED2 |
Amber |
On |
Data is being received |
|
LED2 |
Amber |
Off |
Data is not being received |
|
LED3 |
Red |
On |
Collision detected on network |
|
LED3 |
Red |
Off |
No collision detected on network |
|
LED4 |
Green |
On |
Power is supplied to the unit |
|
LED4 |
Green |
Off |
Power is not supplied to the unit |