TOSHIBA
TOSHIBALAN (TOSHIBA BUS)
|
NIC Type |
Ethernet |
|
Transfer Rate |
10Mbps |
|
Data Bus |
8/16-bit Toshiba bus |
|
Topology |
Linear |
|
Wiring Type |
RG58A/U 50ohm coaxial AUI transceiver via DB-15 port |
|
Boot ROM |
Not available |
|
BASE MEMORY | |
|
Purpose |
Connector |
|
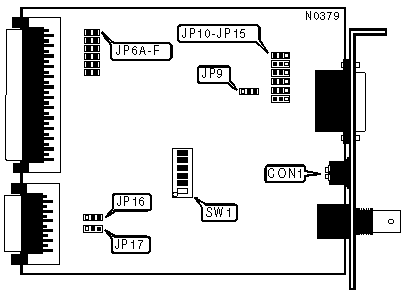
External 12VDC power supply |
CON1 |
|
INTERRUPT REQUEST | |||||||
|
IRQ |
JP6A |
JP6B |
JP6C |
JP6D |
JP6E |
JP6F | |
| » |
2/9 |
Open |
Open |
Open |
Closed |
Open |
Open |
|
3 |
Open |
Open |
Open |
Open |
Open |
Closed | |
|
4 |
Open |
Open |
Open |
Open |
Closed |
Open | |
|
5 |
Open |
Open |
Closed |
Open |
Open |
Open | |
|
7 |
Closed |
Open |
Open |
Open |
Open |
Open | |
|
10 |
Open |
Closed |
Open |
Open |
Open |
Open | |
|
CABLE TYPE | |||
|
Type |
JP9 |
JP10 - JP15 | |
| » |
RG58A/U 50ohm coaxial |
Pins 2 & 3 closed |
Pins 2 & 3 closed |
|
AUI transceiver via DB-15 port |
Pins 1 & 2 closed |
Pins 1 & 2 closed | |
|
CPU TYPE | |||
|
Type |
JP16 |
JP17 | |
| » |
8086/8088 |
Pins 2 & 3 closed |
Pins 2 & 3 closed |
|
80286/80386 |
Pins 1 & 2 closed |
Pins 1 & 2 closed | |
|
I/O BUS SIZE | |||
|
Size |
SW1/1 |
SW1/2 | |
| » |
8-bit |
Off |
Off |
|
16-bit |
Off |
On | |
|
Note:I/O bus size should only be set to 16-bit if the card is being used in a Toshiba T5100 or T5200. | |||
|
I/O BASE ADDRESS | ||||
|
Address |
SW1/3 |
SW1/4 |
SW1/5 |
SW1/6 |
|
200h |
On |
On |
On |
On |
|
220h |
On |
On |
On |
Off |
|
240h |
On |
On |
Off |
On |
|
260h |
On |
On |
Off |
Off |
|
280h |
On |
Off |
On |
On |
|
2A0h |
On |
Off |
On |
Off |
|
2C0h |
On |
Off |
Off |
On |
|
2E0h |
On |
Off |
Off |
Off |
|
300h |
Off |
On |
On |
On |
|
320h |
Off |
On |
On |
Off |
|
340h |
Off |
On |
Off |
On |
|
360h |
Off |
On |
Off |
Off |
|
380h |
Off |
Off |
On |
On |
|
3A0h |
Off |
Off |
On |
Off |
|
3C0h |
Off |
Off |
Off |
On |
|
3E0h |
Off |
Off |
Off |
Off |