3COM CORPORATION

IMPACT (3C872, 3C877)

Card Type

ISDN TA, modem (asynchronous)

I/O Options

Analog adapter (optional)

Chipset

Unidentified

Maximum Data Rate

14.4Kbps

Maximum Fax Rate

14.4Kbps

Fax Class

Unidentified

Data Modulation Protocol

Bell 103A, 212A

ITU-T V.21, V.22, V.22bis, V.23, V.32, V.32bis

Fax Modulation Protocol

Unidentified

Error Correction/Compression

MNP5, MNP10, V.42, V.42bis, STAC

ISDN Transfer Rate

56Kbps x 2/64Kbps x 2

ISDN Protocol

V.120, PPP

Switch Type

5ESS, DMS100, EWSD, NI-1

Data Bus

Serial

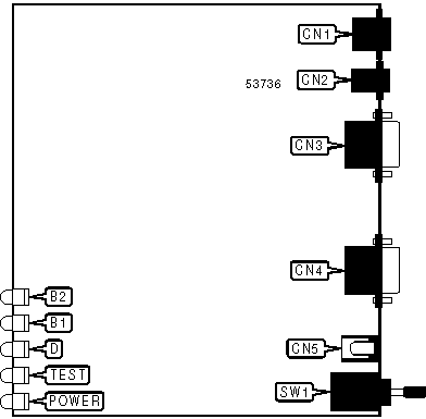
CONNECTIONS

Function

Label

Function

Label

ISDN interface

CN1

Serial port

CN4

Analog adapter

CN2

AC power in

CN5

Serial port

CN3

Power switch

SW1

Note: CN2 may not be present on all models.

DIAGNOSTIC LED(S)

LED

Color

Status

Condition

B2

Green

On

Data call connected on B2 channel

B2

Yellow

On

Voice call connected on B2 channel

B2

Green

Blinking

TA is dialing data call on B2 channel

B2

Yellow

Blinking

TA is dialing voice call on B2 channel

B2

N/A

Off

B2 channel is not connected

DIAGNOSTIC LED(S) (CON'T)

LED

Color

Status

Condition

B1

Green

On

Data call connected on B1 channel

B1

Yellow

On

Voice call connected on B1 channel

B1

Green

Blinking

TA is dialing data call on B1 channel

B1

Yellow

Blinking

TA is dialing voice call on B1 channel

B1

N/A

Off

B1 channel is not connected

D

Yellow

On

Signal is not synchronized or ISDN line is not connected

D

Yellow

Blinking

Signal is synchronized but D-channel protocols not established

D

Yellow

Off

Signal is synchronized

TEST

Yellow

On

TA failed last test

TEST

Yellow

Blinking

TA is executing test

TEST

Yellow

Off

TA is not executing test

POWER

Yellow

On

Power is on

POWER

Yellow

Off

Power is off

SUPPORTED STANDARD COMMANDS

Basic AT Commands

+++, A/

A, B, E, H, L, M, O, V, X, Z

&D, &F, &G, &V, &W

Extended AT Commands

\A, \B, \G, \L, \N, \Q, \T

%E, %L, %Q

Special AT Commands

*H, -K, -Q

S-Registers

S0

Note: See MHI help file for complete information.

UNIDENTIFIED COMMANDS

Command

Default

S63

Unidentified

Proprietary AT Command Set

CALL TYPE

Type:

Register

Format:

AT [cmds] S61=n [cmds]

Description:

Selects the type of call the TA will make.

Command

Function

í S61=0

TA will dial according to dial modifiers.

S61=2

TA will place ISDN call.

S61=3

TA will place modem call.

DIAL

Type:

Immediate

Format:

AT [cmds] D<#>;[cmds]

Description:

Dials the telephone number indicated according to any modifiers included in the string.

Command

Function

D

Dial number indicated with ISDN adapter.

DP

Dial number indicated in pulse dialing mode with modem.

DT

Dial number indicated in tone dialing mode with modem.

PROTOCOL/SPEED

Type:

Configuration

Format:

AT [cmds] Fn [cmds]

Description:

Selects the protocol and speed the modem will attempt to connect at.

Command

Function

F0

Auto-detect the highest common connect speed.

F1

Select V.21 or Bell 103 at 300bps speed.

F3

Select V.23 at 75/1200bps speed.

F4

Select V.22 or Bell 212A at 1200bps speed.

F5

Select V.22bis at 2400bps speed.

F6

Select V.32 or V.32bis at 4800bps speed.

F7

Select V.32bis at 7200bps speed.

F8

Select V.32bis or V.32 at 9600bps speed.

F9

Select V.32bis at 12Kbps speed.

F10

Select V.32bis at 14.4Kbps speed.

See 3COM CORPORATION IMPACT (3C871) for a full command summary.