DIAMOND MULTIMEDIA SYSTEMS, INC.
SUPRAEXPRESS 144 PLUS
|
Card Type |
Fax, Modem (synchronous/asynchronous) |
|
Chip Set |
Rockwell |
|
Maximum Data Rate |
14.4Kbps |
|
Maximum Fax Rate |
14.4Kbps |
|
Data Bus |
External |
|
Fax Class |
Class I |
|
Data Modulation Protocol |
Bell 103/212A ITU-T V.21, V.22, V.22bis, V.32, V.32bis |
|
Fax Modulation Protocol |
ITU-T V.17, V.21CH2, V.27ter, V.29 |
|
Error Correction/Compression |
MNP5, V.42, V.42bis |

|
CONNECTIONS | ||||||
|
Function |
Label |
Function |
Label | |||
|
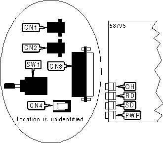
Line out/in - Unidentified |
CN1 |
DC power |
CN4 | |||
|
Line in/out - Unidentified |
CN2 |
Power switch |
SW1 | |||
|
RS-232/422 |
CN3 | |||||
|
DIAGNOSTIC LED(S) | |||
|
LED |
Color |
Status |
Condition |
|
PWR |
Red |
On |
Power is on |
|
PWR |
Red |
Off |
Power is off |
|
SD |
Red |
On |
Modem is transmitting data |
|
SD |
Red |
Off |
Modem is not transmitting data |
|
RD |
Red |
On |
Modem is receiving data |
|
RD |
Red |
Off |
Modem is not receiving data |
|
OH |
Red |
On |
Modem is off-hook |
|
OH |
Red |
Off |
Modem is on-hook |
|
SUPPORTED COMMAND SET |
|
Basic AT Commands |
|
AT, ‘+++’, ‘comma’, A/ |
|
A, E, H, L, N, O, P, R, S, T, U, V, W, Y, Z |
|
&A, &B, &C, &G, &J, &K, &L, &P, &R, &S, &T, &V, &W, &X, &Y, &Z |
|
Extended AT Commands |
|
\A, \B, \C, \E, \G, \J, \K, \L, \N, \O, \Q, \T, \U, \V, \W, \X, \Y, \Z |
|
%A, %C, %E, %L, %Q, %TT |
|
S Registers |
|
S0, S1, S2, S3, S4, S5, S6, S7, S8, S9, S10, S11, S12, S18, S38, S39, |
|
S46, S48, S82, S86, S90, S91, S92, S95, S99, S108, S109, S110, 201 |
|
Special Commands |
|
"H, "N, "O,-J, )M, :E, +MS?, +MS |
|
Note: See MHI Help File for full command documentation. |
Proprietary AT Command Set
See model SUPRAEXPRESS 288 PNP for a full command summary.