E-TECH RESEARCH, INC.

UFOMATE P1496MX (REV. 1)

Card Type

Modem(asynchronous)

Chip Set

Unidentified

Maximum Data Rate

14.4Kbps

Maximum Fax Rate

9600bps

Data Bus

External

Fax Class

Class I & II

Data Modulation Protocol

Bell 103A/212A

ITU-T V.21, V.22, V.22bis, V.23, V.32, V.32bis

Fax Modulation Protocol

ITU-T V.21CH2, V.27ter, V.29

Error Correction/Compression

MNP5, V.42, V.42bis

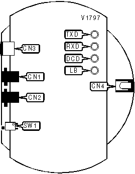
CONNECTIONS

Function

Label

Function

Label

Line in

CN1

Power in

CN4

Line out

CN2

Power switch

SW1

RS-232/422

CN3

   

DIAGNOSTIC LED(S)

LED

Color

Status

Condition

TXD

Red

On

Modem is transmitting data

TXD

Red

Off

Modem is not transmitting data

RXD

Red

On

Modem is receiving data

RXD

Red

Off

Modem is not receiving data

DCD

Red

On

Carrier signal detected

DCD

Red

Off

Carrier signal not detected

LB

Red

On

Battery is low (ten minutes power remaining)

LB

Red

Off

Normal operation

Proprietary AT Command Set

BIT-MAPPED REGISTER S14

Format:

AT [cmds] S14=n [cmds]

Default:

Read only

Range:

0 - 255

Description:

Displays echo canceler, answer/originate, remote digital loopback, dial interrupt, buffer size

Bit

Value

Function

0

0

Not used

1

0

1

Standard canceler enabled

Long canceler for round trip delays of over 36.833ms enabled

2

0

1

Answer mode

Originate mode

3

0

1

Remotely requested remote digital loopback disabled

Remotely requested remote digital loopback enabled

4

0

Not used

5

0

1

Dial interrupt disabled

Dial interrupt enabled

6

0

1

Normal (2.2K)buffer size

Small (1.5K)buffer

BIT-MAPPED REGISTER S21

Format:

AT [cmds] S21=n [cmds]

Default:

0

Range:

0 - 255

Description:

Controls speed conversion and flow control

Bit

Value

Function

3. 2, 1, 0

í 0000

0001

0010

0011

0100

0101

0110

0111

1000

Speed conversion enabled

Speed conversion disabled

Speed conversion disabled

Speed conversion disabled

Speed conversion disabled

Speed conversion disabled

Speed conversion disabled

Speed conversion disabled

Speed conversion disabled

7, 6, 5, 4

í 0000

0001

0010

0011

0100

0101

XON/XOFF enabled

XON/XOFF passthrough enabled

ENQ/ACK enabled

DTR/DSR enabled

CTS/RTS enabled

Flow control disabled

BIT-MAPPED REGISTER S22

Format:

AT [cmds] S22=n [cmds]

Default:

4

Range:

0 - 255

Description:

Controls speaker and extended result codes

Bit

Value

Function

3, 2, 1, 0

0000

0001

0010

0011

í 0100

Disabled

Enable extended result codes

Enable extended result codes and dial tone detect

Enable extended result codes and busy signal detect

Enable dial tone detect and busy signal detect

7, 6, 5, 4

0000

0001

0010

Speaker disabled

Speaker disabled until DCD high

Speaker enabled

BIT-MAPPED REGISTER S23

Format:

AT [cmds] S23=n [cmds]

Default:

0

Range:

0 -255

Description:

Controls test options, serial port speed, parity and guard tone

Bit

Value

Function

7, 6, 5, 4

0000

0001

0010

Guard tone disabled

550Hz guard tone enabled

1800Hz guard tone enabled

BIT-MAPPED REGISTER S28

Format:

AT [cmds] S28=n [cmds]

Default:

49

Range:

0 - 255

Description:

Controls speaker and error correction

Bit

Value

Function

3, 2, 1, 0

0000

í 0001

0010

0011

Speaker disabled

Speaker disabled until DCD high

Speaker enabled

Speaker while dialing until DCD high

7, 6, 5, 4

0000

0001

0010

í 0011

0100

Normal mode

Auto MNP mode

MNP mode

Auto V.42 mode

LAPM mode

BIT-MAPPED REGISTER S29

Format:

AT [cmds] S29=n [cmds]

Default:

0

Range:

0 - 255

Description:

Controls DTR and carrier control

Bit

Value

Function

3, 2, 1, 0

0000

0001

0010

0011

DTR ignored

Escape command state on low DTR, remain off hook

Go on hook and auto answer disabled

Reset on low DTR

7, 6, 5, 4

0000

0001

0010

0011

DCD forced high

DCD follows remote modem

Conforms to Computer Systems Interface

Conforms to Port Contender

BUFFER SIZE

Type:

Configuration

Format:

AT [cmds] $Bn [cmds]

Description:

Controls buffer size

Command

Function

í $B0

Normal buffer size (2.2K)

$B1

Reduce buffer size to 1.5K

CANCELER

Type:

Configuration

Format:

AT [cmds] $An [cmds]

Description:

Controls echo canceler length

Command

Function

$A0

Standard canceler enabled

í $A1

Long canceler for round trip delays of over 36.833ms enabled

CARRIER DETECT

Type:

Configuration

Format:

AT [cmds] &Cn [cmds]

Description:

Controls DCD, Computer Systems Interface and Port Contender

Command

Function

í &C0

DCD forced high

&C1

DCD follows remote modem

&C2

Conforms to Computer Systems Interface

&C3

Conforms to Port Contender

COMPRESSION

Type:

Configuration

Format:

AT [cmds] $Cn [cmds]

Description:

Controls data compression

Command

Function

$C0

Data compression disabled

í $C1

Data compression enabled

CONNECT/SPEED MESSAGE

Type:

Configuration

Format:

AT [cmds] $Xn [cmds]

Description:

Controls connect and speed message displayed

Command

Function

$X0

Normal connect and DCE speed message enabled

$X1

Normal connect and DTE speed message enabled

í $X2

Extended connect and DCE speed message enabled

$X3

Extended connect and DTE speed message enabled

DIAL INTERRUPT

Type:

Configuration

Format:

AT [cmds] $Kn [cmds]

Description:

Controls dial interrupt

Command

Function

$K0

Dial interrupt disabled

í $K1

Dial interrupt enabled

DISPLAY STORED INFORMATION

Type:

Configuration

Format:

AT [cmds] &Vn [cmds]

Description:

Displays stored phone numbers, configuration profiles and S registers

Command

Function

&V0

Display stored phone numbers

&V1

Display current configuration profiles

&V2

Display contents of S registers

&V3

Display stored profiles briefly

DSR SIGNAL

Format:

AT [cmds] S27=n [cmds]

Default:

0

Range:

0 - 255

Description:

Controls DSR signal

Bit

Value

Function

7

í 0000

0001

0010

0011

DSR forced high

DSR follows remote modem

Conforms to Computer Systems Interface

Conforms to Port Contender

EQUALIZATION

Type:

Configuration

Format:

AT [cmds] $Qn [cmds]

Description:

Controls compromise equalization

Command

Function

$Q0

0dB equalization

$Q1

2dB equalization

í $Q2

4dB equalization

$Q3

6dB equalization

$Q4

8dB equalization

$Q5

10dB equalization

$Q6

12dB equalization

$Q7

14dB equalization

FLOW CONTROL

Type:

Configuration

Format:

AT [cmds] $Fn [cmds]

Description:

Controls XON/XOFF, ENQ/ACK, DTR/DSR and CTS/RTS flow control

Command

Function

$F0

XON/XOFF enabled

$F1

XON/XOFF passthrough enabled

$F2

ENQ/ACK enabled

$F3

DTR/DSR enabled

í $F4

CTS/RTS enabled

$F5

Flow control disabled

INACTIVITY TIMER

Type

Configuration

Format

AT [cmds] S36=n [cmds]

Default

0

Range

0 - 255

Unit

1 minute

Description

Sets length of time the modem waits before disconnect if no data sent or received

LINE SPEED

Type:

Configuration

Format:

AT [cmds] S37=n [cmds]

Description:

Controls speed at which modem attempts to connect

Command

Function

í S37=0

Line speed follows DTE speed. If DTE is over 9600bps, attempt connect at 14.4Kbps

S37=1

Connect at V.23 75/1200bps

S37=2

Not used

S37=3

Connect at 300bps

S37=4

Not used

S37=5

Connect at 1200bps

S37=6

Connect at 2400bps

S37=7

Connect at 4800bps

S37=8

Not used

S37=9

Connect at 9600bps

S37=10

Not used

S37=11

Not used

LINE SPEED

Type:

Configuration

Format:

AT [cmds] &Ln [cmds]

Description:

Controls speed at which modem attempts to connect

Command

Function

í &L0

Line speed follows DTE speed. If DTE is over 9600bps, attempt connect at 14.4Kbps

&L1

Connect at V.23 75/1200bps

&L2

Not used

&L3

Connect at 300bps

&L4

Not used

&L5

Connect at 1200bps

&L6

Connect at 2400bps

&L7

Connect at 4800bps

&L8

Not used

&L9

Connect at 9600bps

&L10

Not used

&L11

Not used

PARITY

Format:

AT [cmds] S30=n [cmds]

Default:

0

Range:

0 - 255

Description:

Controls parity

Bit

Value

Function

1, 0

00

01

10

11

Parity even

Parity space

Parity odd

Parity null

PROTOCOL

Type:

Configuration

Format:

AT [cmds] $En [cmds]

Description:

Controls protocol used

Command

Function

$E0

Normal mode

$E1

Auto MNP mode

$E2

MNP mode

í $E3

Auto V.42 mode

$E4

LAPM mode

RETRAIN

Format:

AT [cmds] S15=n [cmds]

Default:

5

Range:

0 -255

Description:

Controls number of retrains per minute allowed

Bit

Value

Function

3, 2, 1, 0

0000

Not used

7, 6, 5, 4

í 0000

0001

0010

0011

0100

Disconnect If more than four retrain attempts in three minutes

Disconnect If more than four retrain attempts in four minutes

Disconnect If more than four retrain attempts in five minutes

Unlimited retrain allowed

Retrain disabled

RETRAIN LIMIT

Type:

Configuration

Format:

AT [cmds] &En [cmds]

Description:

Controls number of retrains per minute allowed

Command

Function

í &E0

Disconnect If more than four retrain attempts in three minutes

&E1

Disconnect If more than four retrain attempts in four minutes

&E2

Disconnect If more than four retrain attempts in five minutes

&E3

Unlimited retrain allowed

&E4

Retrain disabled

SPEED CONVERSION

Type:

Configuration

Format:

AT [cmds] $Sn [cmds]

Description:

Controls speed conversion

Command

Function

$S0

Speed conversion enabled

í $S1 - $S8

Speed conversion disabled

TEST STATUS

Format

AT [cmds] S16=n [cmds]

Default:

Read-only

Range:

0 - 255

Unit:

Bit-mapped

Description:

Contains status of loopback tests

Bit

Value

Function

0

0

1

Local analog loopback test disabled

Local analog loopback test enabled

1

0

Not used

2

0

1

Local digital loopback test disabled

Local digital loopback test enabled

3

0

1

Remotely requested remote digital loopback enabled

Remotely requested remote digital loopback disabled

4

0

1

Locally requested remote digital loopback test not in progress

Locally requested remote digital loopback test in progress

5

0

1

Remote digital loopback with local self-test disabled

Remote digital loopback with local self-test enabled

6

0

1

Local analog loopback with local self-test disabled

Local analog loopback with local self-test enabled

7

0

Not used

TRANSMISSION LEVEL

Type:

Configuration

Format:

AT [cmds] $Tn [cmds]

Description:

Controls transmission level

Command

Function

$T0 - $T2

-4dBm

$T3

-6dBm

$T4

-8dBm

í $T5

-10dBm

$T6

-12dBm

$T7

-14dBm

$T8

-16dBm

V.42bis TIMER

Type

Configuration

Format

AT [cmds] S24=n [cmds]

Default

75

Range

0 - 255

Unit

Unidentified

Description

Sets the time the modem waits for V.42bis parameter negotiation before fallback to MNP or normal mode

BITS PER CHARACTER

Type:

Configuration

Format:

AT [cmds] $Ln [cmds]

Description:

Sets character length while in data mode

Command

Function

$L0

Not used

$L1

6 data bits, 1 stop bit

$L2

7 data bits, 1 stop bit

í $L3

8 data bits, 1 stop bit

$L4

5 data bits, 2 stop bits

$L5

6 data bits, 2 stop bits

$L6

7 data bits, 2 stop bits

$L7

8 data bits, 2 stop bits