MAXTECH CORPORATION
MAXTECH 9424H
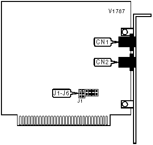
|
Card Type |
Modem(asynchronous) |
|
Chip Set |
Unidentified |
|
Maximum Data Rate |
2400bps |
|
Maximum Fax Rate |
9600bps |
|
Data Bus |
8 bit ISA |
|
Fax Class |
Class I |
|
Data Modulation Protocol |
Bell 103A/212A ITU-T V.21, V.22, V.22bis |
|
Fax Modulation Protocol |
ITU-T V.21CH2, V.27ter, V.29 |
|
Error Correction/Compression |
MNP5, V.42, V.42bis |

|
CONNECTIONS | ||||||
|
Function |
Label |
Function |
Label | |||
|
Line in |
CN1 |
Line out |
CN2 | |||
|
SERIAL PORT ADDRESS | ||
|
Setting |
J1 |
J2 |
|
COM1 (3F8h) |
Pins 1 & 2 closed |
Pins 1 & 2 closed |
|
COM2 (2F8h) |
Pins 2 &3 closed |
Pins 1 & 2 closed |
|
COM3 (3E8h) |
Pins 1 & 2 closed |
Pins 2 &3 closed |
|
COM4 (2E8h) |
Pins 2 &3 closed |
Pins 2 &3 closed |
|
INTERRUPT | ||||
|
Setting |
J3 |
J4 |
J5 |
J6 |
|
2 |
On |
Off |
Off |
Off |
|
3 |
Off |
On |
Off |
Off |
|
4 |
Off |
Off |
On |
Off |
|
5 |
Off |
Off |
Off |
On |
Proprietary AT Command Set
|
BIT-MAPPED REGISTER S14 | ||
|
Format |
AT [cmds] S14=n [cmds] | |
|
Default: |
170 | |
|
Range: |
0 - 174 | |
|
Unit: |
Bit-mapped | |
|
Description: |
Controls command echo, result codes, dialing mode, and answer/originate mode | |
|
Bit |
Value |
Function |
|
0 |
0 |
Not used |
|
1 |
0 í 1 |
Command echo off Command echo on |
|
2 |
í 01 |
Result codes enabled Result codes disabled |
|
3 |
0 í 1 |
Numeric result codes Verbose result codes |
|
4 |
0 |
Not used |
|
5 |
0 í 1 |
Tone dialing selected Pulse dialing selected |
|
6 |
0 |
Not used |
|
7 |
0 í 1 |
Answer mode selected Originate mode selected |
|
BIT-MAPPED REGISTER S21 | ||
|
Format |
AT [cmds] S21=n [cmds] | |
|
Default: |
0 | |
|
Range: |
0 - 249 | |
|
Unit: |
Bit-mapped | |
|
Description: |
Selects jack type, low DTR action, DCD signal, DSR signal, and the Long Space Disconnect function | |
|
Bit |
Value |
Function |
|
0 |
í 01 |
Selects RJ-11jack Selects RJ-12 or RJ-13 jack |
|
1 |
0 |
Not used |
|
2 |
0 |
Not used |
|
4, 3 |
í 0001 10 11 |
DTR signal ignored Modem goes to command mode on low DTR Modem disconnects on low DTR Modem is initialized on low DTR |
|
5 |
í 01 |
DCD forced high DCD normal |
|
6 |
í 01 |
DSR forced high DSR normal |
|
7 |
í 01 |
Long Space Disconnect function disabled Long Space Disconnect function enabled |
|
BIT-MAPPED REGISTER S22 | ||
|
Format |
AT [cmds] S22=n [cmds] | |
|
Default: |
118 | |
|
Range: |
0 - 255 | |
|
Unit: |
Bit-mapped | |
|
Description: |
Controls volume and speaker settings, result codes, and make/break pulse ratio | |
|
Bit |
Value |
Function |
|
1, 0 |
00 í 0110 11 |
Not used Low volume setting Medium volume setting Highest volume setting |
|
3, 2 |
00 í 0110 11 |
Speaker disabled Speaker enabled until carrier signal detected Speaker enabled Speaker off during dialing |
|
6, 5 ,4 |
000 001 010 011 100 101 110 í 111 |
Busy and dialtone detection disabled, result codes 0-4 enabled Not used Not used Not used Busy and dialtone detection disabled, result codes 0-5, 10 enabled Busy tone detection disabled, dialtone detection enabled, result codes 0-6, 10 enabled Busy tone detection enabled, dialtone detection disabled, result codes 0-5, 7, 10 enabled Busy and dialtone detection enabled, all result codes enabled |
|
7 |
í 01 |
39/61ms at 10pps (North America) 33/67ms at 10pps (Europe) |
|
BIT-MAPPED REGISTER S23 | ||
|
Format |
AT [cmds] S23=n [cmds] | |
|
Default: |
7 | |
|
Range: |
0-247 | |
|
Unit: |
Bit-mapped | |
|
Description: |
Grants/denies remote digital loopback, connect speed, parity and guard tone | |
|
Bit |
Value |
Function |
|
0 |
0 í 1 |
Remote digital loopback denied Remote digital loopback allowed |
|
2, 1 |
00 01 10 í 11 |
Connect at 0-300bps Not used Connect at 1200bps Connect at 2400bps |
|
3 |
0 |
Not used |
|
5,4 |
í 0001 10 11 |
Parity even Space parity Parity odd No Parity |
|
7, 6 |
í 0001 10 11 |
Guard tone disabled Guard tone 550Hz enabled Guard tone 1800Hz enabled Not used |
|
BIT-MAPPED REGISTER S27 | |||||
|
Format: |
AT [cmds] S27=n [cmds] | ||||
|
Default: |
64 | ||||
|
Range: |
0-127 | ||||
|
Description: |
Asynchronous operation, leased/switched line, ITU-U/Bell operation | ||||
|
Bit |
Value |
Function | |||
|
3, 1, 0 |
í 0x00 |
Asynchronous operation | |||
|
2 |
í 01 |
Switched line Leased line | |||
|
4 |
0 |
Not used | |||
|
5 |
0 |
Not used | |||
|
6 |
0 í 1 |
V.21/V.22 Bell 212A | |||
|
TEST STATUS | ||
|
Format |
AT [cmds] S16=n [cmds] | |
|
Default: |
0 | |
|
Range: |
0 - 122 | |
|
Unit: |
Bit-mapped | |
|
Description: |
Contains status of loopback tests | |
|
Bit |
Value |
Function |
|
0 |
í 01 |
Local analog loopback test disabled Local analog loopback test enabled |
|
1 |
0 |
Not used |
|
2 |
í 01 |
Local digital loopback test disabled Local digital loopback test enabled |
|
3 |
í 01 |
Remote digital loopback test disabled Remote digital loopback test enabled |
|
4 |
í 01 |
Remote digital loopback test not in progress Remote digital loopback test in progress |
|
5 |
í 01 |
Remote digital loopback test with test and error disabled Remote digital loopback test with test and error enabled |
|
6 |
í 01 |
Local digital loopback test with self test disabled Local digital loopback test with self test enabled |