MAGICXPRESS
MX56V - R
|
Card Type |
Modem/Fax card |
|
Chip Set |
Unidentified |
|
I/O Options |
Line out, phone in, microphone in, speaker out |
|
Maximum Modem Rate |
56Kbps |
|
Maximum Fax Rate |
14.4Kbps |
|
Data Modulation Protocol |
Bell 103A/212A ITU-T V34, V34+, V.32bis, V.32, V.22bis, V.23, V.22, V.21 |
|
Fax Modulation Protocol |
ITU-T V.17, V.27ter, V.29 |
|
Error Correction/Compression |
MNP5, V.42, V.42bis |
|
Fax Class |
Class I |
|
Data Bus |
8-bit ISA |
|
Card Size |
Three-quarter length |

|
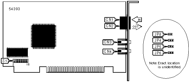
CONNECTIONS | ||||||
|
Function |
Label |
Function |
Label | |||
|
Phone in |
CN1 |
Speaker out |
CN3 | |||
|
Line out |
CN2 |
Microphone in |
CN4 | |||
|
SERIAL PORT ADDRESS | |||||
|
Setting |
S1 |
JP4 |
JP5 |
JP6 |
JP8 |
|
COM1 (3F8h) |
3 & 4, 7 & 8 |
1 & 2 |
1 & 2 |
1 & 2 |
Open |
|
COM2 (2F8h) |
3 & 4, 11 & 12 |
1 & 2 |
1 & 2 |
1 & 2 |
Open |
|
COM3 (3E8h) |
1 & 2, 7 & 8 |
1 & 2 |
1 & 2 |
1 & 2 |
Open |
|
COM4 (2E8h) |
1 & 2 11 & 12 |
1 & 2 |
1 & 2 |
1 & 2 |
Open |
|
Plug and play enabled |
N/A |
2 & 3 |
2 & 3 |
2 & 3 |
Closed |
|
Note: Pins designated are in the closed position. | |||||
|
IRQ INTERRUPT | |
|
Setting |
S1 |
|
IRQ3 |
Pins 9 & 10 closed |
|
IRQ4 |
Pins 5 & 6 closed |
|
IRQ5 |
Pins 13 & 14 closed |
|
IRQ7 |
Pins 15 & 16 closed |
|
SUPPORTED COMMAND SET |
|
Basic AT Commands |
|
AT, ‘+++’, A/ |
|
A, B, C, E, H, M, O, P, Q, T, V, X, Y, Z |
|
&C, &D, &P, &V, &W, &Y, &Z |
|
Extended AT Commands |
|
\A, \B, \G |
|
%C, %L, %Q |
|
Special Commands |
|
+MS |
|
S Registers |
|
S0, S1, S2, S3, S4, S5, S6, S7, S8, S9, S10, S11, S12, S14, S18, S21, ,S24, S25,S26 |
|
S29, S30, S31, S32, S33, S38, S91, S92, S95 |
|
Note: See MHI Help File for full command documentation. |
Proprietary AT Command Set
|
DIAL | |
|
Type: |
Immediate |
|
Format: |
AT [cmds] D<#> [cmds] |
|
Description: |
Dials telephone number according to any modifiers included in the string |
|
Note: |
Any combination of modifiers can be used to produce the desired dial functions in sequence. |
|
Command |
Function |
|
DL |
Re-dial last number |
|
í DP |
Pulse dialing enabled |
|
DS=n |
Dial stored telephone number n |
|
DT |
Tone dialing enabled/Pulse dialing disabled |
|
DW |
Dialing resumed following dial tone detection |
|
D, |
Dialing paused for amount of time specified in S8 register |
|
D! |
Flash function initiated. Modem commanded to go off-hook for specified time before returning on-hook. |
|
D@ |
Wait for Quite Answer function enabled. Modem waits until a "quiet answer," a ring-back signal followed by silence up to the time specified in S7, is received prior to executing the rest of the dial string. |
|
D; |
Modem returned to idle state after dialing. The semicolon can only be placed at the end of the dial command. |
|
D^ |
Toggles calling tone enable/disable: Applicable to current dialing attempt only |
|
DJ |
Perform MNP 10 link negotiation at 1200bps |
|
DK |
Enable power level adjustment during MNP 10 link negotiation |
|
REPORT INFORMATION | |
|
Type: |
Immediate |
|
Format: |
AT [cmds] In [cmds] |
|
Description: |
Displays information requested |
|
Command |
Function |
|
I0 |
Reports four digit product code |
|
I1 |
Reports ROM checksum |
|
I2 |
Reports "ERROR" |
|
I3 |
Reports firmware revision |
|
I4 |
Reports OEM defined identifier string |
|
I5 |
Reports country code parameter |
|
I6 |
Reports modem data pump model and internal code revision |
|
I7 |
Reports the DAA code |
|
SPEAKER VOLUME | |
|
Type: |
Configuration |
|
Format: |
AT [cmds] Ln [cmds] |
|
Description: |
Controls speaker volume |
|
Command |
Function |
|
L0 |
Low volume setting |
|
í L1 |
Low volume setting |
|
L2 |
Medium volume setting |
|
L3 |
Highest volume setting |
|
AUTO-MODE DETECTION | |
|
Type: |
Configuration |
|
Format: |
AT [cmds] Nn [cmds] |
|
Description: |
Selects various options for the automatic detection and negotiation of protocols during the handshake process if the modem is communicating with a remote modem of dissimilar speed. |
|
Command |
Function |
|
N0 |
Auto-mode detection disabled |
|
í N1 |
Auto-mode detection enabled |
|
NEGOTIATION PROGRESS | |
|
Type: |
Configuration |
|
Format: |
AT [cmds] Wn [cmds] |
|
Description: |
Reports error correction call progress |
|
Command |
Function |
|
W0 |
Enables CONNECT result codes to report DTE speed. |
|
W1 |
Enables CONNECT result codes to report line speed, error correction protocol, and DTE speed. |
|
W2 |
Enables CONNECT result codes to report DCE speed. |
|
FACTORY DEFAULT PROFILE | |
|
Type: |
Configuration |
|
Format: |
AT [cmds] &F [cmds] |
|
Description: |
Sets values in active profile to values found in the default profile |
|
Command |
Function |
|
í &F0 |
Sets values to factory configuration 0 |
|
&F1 |
Sets values to factory configuration 1 |
|
GUARD TONE | |
|
Type: |
Configuration |
|
Format: |
AT [cmds] &Gn [cmds] |
|
Description: |
Commands the modem to transmit a guard tone in V.22/V.22bis |
Note: Used primarily for international data transmission | |
|
Command |
Function |
|
í &G0, &G1 |
Guard tone disabled |
|
&G2 |
1800Hz guard tone enabled |
|
FLOW CONTROL | |
|
Type: |
Configuration |
|
Format: |
AT [cmds] &Kn [cmds] |
|
Description: |
Enables flow control options |
|
Command |
Function |
|
&K0 |
Flow control disabled |
|
&K3 |
RTS/CTS flow control enabled |
|
&K4 |
XON/XOFF flow control enabled |
|
&K5 |
Transparent XON/XOFF flow control enabled |
|
í &K6 |
Hardware and software flow control enabled |
|
COMMUNICATIONS MODE | |
|
Type: |
Configuration |
|
Format: |
AT [cmds] &Mn [cmds] |
|
Description: |
Selects communications mode options (same as &Q) |
|
COMMUNICATIONS MODE | |
|
Type: |
Configuration |
|
Format: |
AT [cmds] &Qn [cmds] |
|
Description: |
Selects communications mode options |
|
Command |
Mode |
|
&Q0 |
Asynchronous mode, serial port speed follows connect speed. |
|
&Q5 |
Error correction mode |
|
&Q6 |
Buffered asynchronous mode |
|
DATA SET READY (DSR) | |
|
Type: |
Configuration |
|
Format: |
AT [cmds] &Sn [cmds] |
|
Description: |
Selects DSR options |
|
Command |
Function |
|
í &S0 |
DSR forced high |
|
&S1 |
DSR high only while modem is handshaking or connected |
|
TEST MODES | |
|
Type: |
Immediate |
|
Format: |
AT [cmds] &Tn |
|
Description: |
Selects test options |
|
Command |
Function |
|
&T0 |
End current test |
|
&T1 |
Begin local analog loopback test |
|
&T8 |
Begin local analog loopback and self-test |
EXTENDED AT COMMAND SET
|
BREAK TYPE | ||||
|
Type: |
Configuration | |||
|
Format: |
AT [cmds] \Kn [cmds] | |||
|
Description: |
Configures action of break signal | |||
|
Command |
Break from DTE during normal or MNP mode |
Break from DTE during direct mode |
Break received from remote modem | |
|
\K0 |
Online command mode enabled, send no break to remote modem |
Send break to remote modem |
Buffers cleared, break sent to DTE | |
|
\K1 |
Break sent to remote modem and buffered cleared |
Send break to remote modem |
Buffers cleared, break sent to DTE | |
|
\K2 |
Online command mode enabled, send no break to remote modem |
Send break to remote modem |
Break sent immediately to DTE | |
|
\K3 |
Send break to remote modem immediately |
Send break to remote modem |
Break sent immediately to DTE | |
|
\K4 |
Online command mode enabled, send no break to remote modem |
Send break to remote modem |
Break sent with received data to the DTE | |
|
\K5 |
Send break with transmitted data |
Send break to remote modem |
Break sent with received data to the DTE | |
|
CONNECT MODE | |
|
Type: |
Configuration |
|
Format: |
AT [cmds] \Nn [cmds] |
|
Description: |
Controls the type of connection the modem will operate in |
|
Command |
Function |
|
\N0 |
Normal mode enabled |
|
\N1 |
Direct mode enabled |
|
\N2 |
Reliable mode enabled |
|
\N3 |
Auto-reliable mode enabled |
|
\N4 |
LAPM reliable mode enabled |
|
\N5 |
MNP reliable mode enabled |
|
SINGLE LINE CONNECT MESSAGE | |
|
Type: |
Configuration |
|
Format: |
AT [cmds] \Vn [cmds] |
|
Description: |
Enables/disables single line connect message format |
|
Command |
Function |
|
\V0 |
Connect messages are controlled by the command settings X, W, and S95 |
|
\V1 |
Connect messages are displayed in single line format described below subject to the command settings V and Q. In non-verbose mode (V0) single line connect messages are disabled and a single numeric result code is generated for CONNECT DTE. |
|
AUTO-RETRAIN - AUTO-FALLBACK/FALL-FORWARD | |
|
Type: |
Configuration |
|
Format: |
AT [cmds] %En [cmds] |
|
Description: |
Controls auto-retrain mode and fallback/fall-forward |
|
Command |
Function |
|
í %E0 |
Auto-retrain disabled |
|
%E1 |
Auto-retrain enabled |
|
%E2 |
Auto-fallback/fall-forward enabled |
|
%E3 |
Auto-fallback/fall-forward enabled. Fast hang-up. |
S(STATUS) -REGISTERS
|
BIT-MAPPED REGISTER S22 | ||
|
Format |
AT [cmds] S22=n [cmds] | |
|
Range: |
0-255 | |
|
Unit: |
Bit-mapped | |
|
Description: |
Controls speaker volume and controls, limits results codes, and pulse dial make/break ratio. | |
|
Bit |
Value |
Function |
|
1, 0 |
00 í 0110 11 |
Low volume Low level volume Medium level volume High level volume |
|
3, 2 |
00 í 0110 11 |
Speaker off Speaker off on carrier Speaker always on Speaker on during handshake |
|
6 - 4 |
000 100 101 110 111 |
Basic result codes only enabled Basic and connection speed result codes enabled Basic and connection speed result codes and dial tone detection enabled All result codes except dialtone detection enabled All result codes enabled |
|
7 |
0 |
Reserved |
|
BIT-MAPPED REGISTER S23 | ||
|
Format |
AT [cmds] S23=n [cmds] | |
|
Range: |
0-189 | |
|
Unit: |
Bit-mapped | |
|
Description: |
Grants/denies remote digital loopback, controls DTE rate and parity, and sets guard tone. | |
|
Bit |
Value |
Function |
|
0 |
0 í 1 |
Remote digital loopback denied Remote digital loopback allowed |
|
3 - 1 |
000 001 010 í 011100 101 110 111 |
Sets serial port speed to 0-300bps Sets serial port speed to 600bps Sets serial port speed to 1200bps Sets serial port speed to 2400bps Sets serial port speed to 4800bps Sets serial port speed to 9600bps Sets serial port speed to 19200bps Sets serial port speed to 38400bps or higher |
|
5, 4 |
00 01 10 í 11 |
Parity even Not used Parity odd Mark or No Parity |
|
7, 6 |
í 0001 10 |
Guard tone disabled Guard tone disabled Guard tone 1800Hz enabled |
|
BIT-MAPPED REGISTER S28 | ||
|
Format |
AT [cmds] S28=n [cmds] | |
|
Range: |
0-31 | |
|
Unit: |
Bit-mapped | |
|
Description: |
Controls V.23 split speed, transmit/receive speed, half duplex; and pulse dialing. | |
|
Bit |
Value |
Function |
|
0-2 |
0 |
Reserved |
|
4, 3 |
í 0001 10 11 |
39ms make/61ms break at 10pps 33ms make/67ms break at 10pps 39ms make/61ms break at 20pps 33ms make/67ms break at 20pps |
|
5 |
0 |
Reserved |
|
6-7 |
í 001 10 |
Link will be negotiated at highest possible speed Link will be negotiated at 1200bps Link will be negotiated at 4800bps |
|
BIT-MAPPED REGISTER S36 | ||
|
Format |
AT [cmds] S36=n [cmds] | |
|
Unit: |
Bit-mapped | |
|
Description: |
This register is read when S48 contains the value 128 or if an attempted link correction fails. | |
|
Bit |
Value |
Function |
|
0-2 |
000 001 010 011 100 101 110 í 111 |
Modem disconnect Modem stays on-line and direct mode connection is established Not used Modem stays online and a normal mode connection is established An MNP connection is attempted. If it fails, the modem disconnects An MNP connection is attempted. If it fails, a direct mode connection is established Reserved An MNP connection is attempted. If it fails, a normal mode connection is established |
|
DCE LINE SPEED | |
|
Type: |
Register |
|
Format |
AT [cmds] S37=n [cmds] |
|
Description: |
Sets the maximum allowable data exchange rate attempted during handshake process. |
|
Command |
Function |
|
S37=0 |
Speed of last connection |
|
S37=1 |
300bps |
|
S37=2 |
300bps |
|
S37=3 |
300bps |
|
S37=4 |
Reserved |
|
S37=5 |
V.22 at 1200bps |
|
S37=6 |
V.22bis 2400bps |
|
S37=7 |
V.23 |
|
S37=8 |
V.32/V.32bis at 4800bps |
|
S37=9 |
V.32/V.32bis at 9600bps |
|
S37=10 |
V.32bis at 12.0Kbps |
|
S37=11 |
V.32bis at 14.4Kbps |
|
S37=12 |
V.32bis at 7200bps |
|
BIT-MAPPED REGISTER S39 | ||
|
Format |
AT [cmds] S39=n [cmds] | |
|
Unit: |
Bit-mapped | |
|
Description: |
Displays the current flow control | |
|
Bit |
Value |
Function |
|
0-2 |
000 í 011100 101 110 |
Flow control disabled RTS to CTS flow control disabled XON/XOFF flow control enabled Transparent XON/XOFF flow control enabled UnidirectionalXON/XOFF flow control enabled |
|
BIT-MAPPED REGISTER S40 | ||
|
Format |
AT [cmds] S40=n [cmds] | |
|
Range: |
0-255 | |
|
Unit: |
Bit-mapped | |
|
Description: |
Controls power level and break handling; selects MNP extended services, link negotiation, and block size. | |
|
Bit |
Value |
Function |
|
0-1 |
000 í 001010 |
MNP Extended Services disabled MNP Extended Services enabled MNP Extended Services enabled |
|
1 |
í 01 |
Auto adjustment enabled Forced adjustment disabled |
|
5, 4, 3 |
000 001 010 011 100 í 101 |
AT\K0 AT\K1 AT\K2 AT\K3 AT\K4 AT\K5 |
|
7, 6 |
00 í 0110 11 |
MNP block size is 64 characters MNP block size is 128 characters MNP block size is 192 characters MNP block size is 256 characters |
|
BIT-MAPPED REGISTER S41 | ||
|
Format |
AT [cmds] S41=n [cmds] | |
|
Range: |
0-31 | |
|
Unit: |
Bit-mapped | |
|
Description: |
Selects compression, auto-retrain, flow control, and MNP mode. | |
|
Bit |
Value |
Function |
|
1 - 0 |
00 01 10 í 11 |
Data compression disabled MNP5 enabled V.42bis enabled MNP5 and V.42bis enabled |
|
6,2 |
í 0001 10 |
Auto-retrain disabled Auto-retrain enabled Fallback/fall forward enabled |
|
3 |
í 01 |
Flow control disabled Flow control enabled |
|
4 |
í 01 |
Stream mode for MNP Block mode for MNP |
|
5 |
0 |
Reserved |
|
7 |
0 í 1 |
Fallback to V.22bis/V22 disabled Fallback to V.22bis/V22 enabled |
|
ERROR CORRECTION/COMPRESSION | |||
|
Type: |
Register | ||
|
Format: |
AT [cmds] S46=n [cmds] | ||
|
Description: |
Selects active error correction and compression protocols | ||
|
Command |
Function | ||
|
S46=136 |
LAP-M only, no compression | ||
|
í S46=138 |
LAP-M with V.42bis data compression | ||
|
FEATURE NEGOTIATION OPTIONS | |||
|
Type: |
Register | ||
|
Format: |
AT [cmds] S48=n [cmds] | ||
|
Description: |
Selects active error correction and compression protocols | ||
|
Command |
Function | ||
|
S48=0 |
Detection negotiation disabled, XID negotiation disabled | ||
|
S48=7 |
Detection negotiation and XID negotiation enabled | ||
|
S48=128 |
Fall-back to options set in S36 | ||
|
CONNECTION FAILURE CODES | |
|
Type: |
Register |
|
Format |
AT [cmds] S86? [cmds] |
|
Description: |
Reports codes which correspond to the possible causes of a connection failure |
|
Value |
Meaning |
|
0 |
Normal hang up |
|
4 |
Carrier signal lost |
|
5 |
No error-control detected for remote modem during feature negotiation |
|
9 |
No common protocol found |
|
12 |
No failure - remote modem disconnected normally |
|
13 |
Remote modem failed to respond after 10 re-transmissions same message |
|
14 |
Violation of negotiated protocol caused failure |