PATTON ELECTRONICS COMPANY

2703

Card Type

E1 CSU/DSU

Chip Set

Unidentified

Transfer Rate

2.048Mbps

Data Bus

External

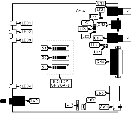
CONNECTIONS

Function

Label

Function

Label

75 ohm coax line in or out

CN1

120V or 230V AC power

CN5

120 ohm shielded twisted pair

CN2

Fuse for 120V: 250V @ 50mA

Fuse for 230V: 250V @ 32mA

F1

75 ohm coax line in or out

CN3

Power switch

SW1

V.35, V.36, or X.21 port via UD-26

CN4

Local analog loopback test switch

SW2

Note:The information as to which coax connector is for transmit and which is for receive is unidentified.

USER CONFIGURABLE SETTINGS

Setting

Label

Position

»

Shield of transmit coax is not grounded

LK1

Open

 

Shield of transmit coax is grounded

LK1

Closed

»

Shield of receive coax is not grounded

LK2

Open

 

Shield of receive coax is grounded

LK2

Closed

»

Clock master mode disabled

LK3

Open

 

Clock master mode enabled

LK3

Closed

»

Shield of twisted pair is not grounded

LK4

Open

 

Shield of twisted pair is grounded

LK4

Closed

»

Auto-detect device connected to line in

LK5

Closed

 

Do not auto-detect device connected to line in

LK5

Open

»

DSU is clock master

S1/1

On

 

DSU is clock slave

S1/1

Off

USER CONFIGURABLE SETTINGS (CON’T)

Setting

Label

Position

»

Loopback mode is enabled only by front panel switch

S1/4

Off

 

Loopback mode is enabled continually

S1/4

On

»

Transmitted and received data are not inverted

S1/5

Off

 

Transmitted and received data are inverted

S1/5

On

»

Power supply set for 230V operation

SW3

Off

 

Power supply set for 115V operation

SW3

On

Note:Setting LK3 to Open overrides S1/1. When LK3 is closed, the DSU may still be set to Slave mode with S1/1.

LINE TERMINATION IMPEDANCE

Setting

LK6

LK7

75 ohm

Closed

Closed

120 ohm

Open

Open

LINE SPEED

Setting

S1/2

S1/3

256Kbps

On

On

512Kbps

Off

On

1.024Mbps

On

Off

2.048Mbps

Off

Off

CLOCK SOURCE

Setting

S1/6

S1/7

External clock source

On

On

Internal clock source

Off

Off

SERIAL PORT TYPE

Setting

S1/8

S5/1

S5/2

S5/3

S5/4

S5/5

S5/6

S5/7

S5/8

V.35

N/A

On

On

On

On

On

On

On

On

V.36

On

Off

Off

Off

Off

Off

Off

Off

Off

X.21

Off

Off

Off

Off

Off

Off

Off

Off

Off

SERIAL PORT TYPE (CON’T)

Setting

S6/1

S6/2

S6/3

S6/4

S6/5

S6/6

S6/7

S6/8

V.35

On

On

On

On

On

On

On

On

V.36

Off

Off

Off

Off

Off

Off

Off

Off

X.21

Off

Off

Off

Off

Off

Off

Off

Off

DIAGNOSTIC LED(S)

LED

Color

Status

Condition

LED1

Green

On

Power is on

LED1

Green

Off

Power is off

LED2

Green

On

DSU is receiving valid signal

LED2

Green

Off

DSU is not receiving valid signal

LED3

Green

On

DSU is operating as master clock source

LED3

Green

Off

DSU is operating as slave clock source

LED4

Red

On

DSU is in loopback test mode

LED4

Red

Off

DSU is not in loopback test mode