RACAL-DATACOM

RMD 3222

Card Type

Modem (synchronous/asynchronous)

Chipset

Unidentified

Maximum Data Rate

14.4Kbps

Data Modulation

Bell 103A, 208, 212A

ITU-T V.21, V.22, V.22bis, V.23, V.32, V.32bis, V.33

Error Correction/Compression

MNP5, V.42, V.42bis

Data Bus

Serial

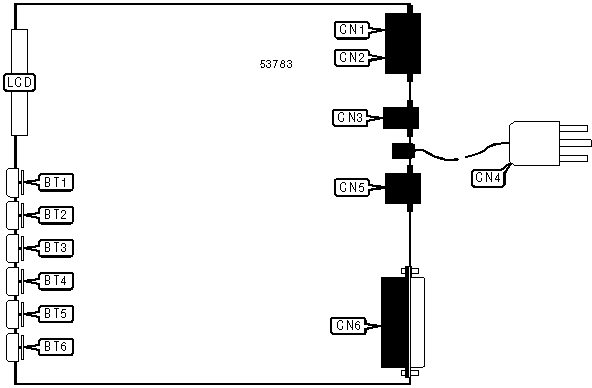
CONNECTIONS

Function

Label

Function

Label

PREVIOUS button

BT1

Leased telephone line out

CN2

1 button

BT2

Switched telephone line out

CN3

2 button

BT3

AC power in

CN4

3 button

BT4

Diagnostic connector

CN5

NEXT button

BT5

Serial port

CN6

ENTER button

BT6

LCD display

LCD

Telephone line in

CN1

   

MISCELLANEOUS TECHNICAL NOTES

There are several jumpers on this board. Their exact locations and functions are unidentified.

SUPPORTED STANDARD COMMANDS

Basic AT Commands

+++, ‘comma’, A/

A, B, E, H, L, M, N, O, P, T, V, X, Y, Z

&C, &D, &F, &G, &K, &M, &Q, &S, &T, &W, &Y, &Z

Extended AT Commands

\T, \V, \X

S-Registers

S0, S1, S2, S3, S4, S5, S6, S7, S8, S9, S10, S11, S12, S18, S25, S26

V.25bis Commands

CIC, CRN, CRS, DIC, PRN

Note: See MHI help file for complete information.

UNIDENTIFIED COMMANDS

Command

Default

   

Proprietary AT Command Set

BREAK TYPE

Type:

Configuration

Format:

AT [cmds] \Kn [cmds]

Description:

Configures the modem's reaction to receiving a break signal.

Command

Function

\K0

Modem ignores received break signal.

\K1

Buffers are cleared, break is transmitted immediately.

\K2

Buffers are not cleared, break is transmitted immediately.

í \K3

Buffers are not cleared, break is transmitted in sequence with data.

CARRIAGE RETURN DELAY

Type:

Configuration

Format:

AT [cmds] \Fn [cmds]

Description:

Selects whether the modem will insert a delay the length of five characters after sending any character that would cause a printer or teletype's carriage to return.

Command

Function

\F0

Carriage return delay enabled.

í \F1

Carriage return delay disabled.

CONNECT MODE

Type:

Configuration

Format:

AT [cmds] \Nn [cmds]

Description:

Controls the type of connection the modem will make.

Command

Function

\N0

Normal mode enabled.

\N1

Reliable mode enabled.

\N2

Normal mode enabled.

í \N3

Auto-reliable mode enabled.

CTS AND RTS SIGNALS

Type:

Configuration

Format:

AT [cmds] &Rn [cmds]

Description:

Controls the behaviour of the CTS and RTS signals.

Command

Function

í &R0

CTS follows RTS.

&R1

CTS follows DTR.

&R2

CTS normal.

DIAL

Type:

Immediate

Format:

AT [cmds] D<#>;[cmds]

Description:

Dials the telephone number indicated according to any modifiers included in the string.

Command

Function

DLn

If connection is not successful, modem will dial the number stored in memory location n.

DP

Pulse dialing enabled.

DR

Answer mode enabled; originate mode disabled following handshake initiation. This must be the last modifier except for a semicolon.

DS=n

Dial stored telephone number n.

DT

Tone dialing enabled.

DW

Dialing resumed following dial tone detection.

D,

Dialing paused for amount of time specified in S8 register.

D!

Flash function initiated. Modem commanded to go off-hook for specified time before returning on-hook.

D@

Wait for Quiet Answer function enabled. Modem waits until a "quiet answer," a ring-back signal followed by silence up to the time specified in S7, is received prior to executing the rest of the dial string.

D;

Modem returned to idle state after dialing. The semicolon can only be placed at the end of the dial command.

DISPLAY CONFIGURATION

Type:

Immediate

Format:

AT [cmds] &Vn [cmds]

Description:

Displays the indicated part of the modem's configuration.

Command

Function

&V0

Displays the command settings, stored profiles, and stored telephone numbers 0 through 5.

&V1

Displays all stored telephone numbers.

DISPLAY CONFIGURATION - MNP

Type:

Immediate

Format:

AT [cmds] \S [cmds]

Description:

Displays the settings of the modem's MNP-related commands.

DISPLAY INFORMATION

Type:

Immediate

Format:

AT [cmds] In [cmds]

Description:

Displays information requested about the modem.

Command

Function

I0

Displays product identification code.

I1

Displays ROM checksum.

I2

Tests and displays ROM checksum result.

I3

Displays firmware revision.

ERROR CORRECTION TYPE

Type:

Configuration

Format:

AT [cmds] \Pn [cmds]

Description:

Selects which types of error correction the modem will attempt to use.

Command

Function

\P0

Modem will use V.42 error correction only.

\P1

Modem will use MNP error correction only.

í \P2

Modem will use V.42 or MNP error correction.

FLOW CONTROL

Type:

Configuration

Format:

AT [cmds] \Qm,n [cmds]

Description:

Selects the type or types of flow control the modem will use.

Note:

Two types of flow control may be active at any time. There is no difference between the values of m and n.

Command

Function

\Q0

Flow control disabled.

\Q1

CTS/RTS flow control enabled.

\Q2

DC1/DC2 flow control enabled.

í \Q3

DC1/DC3 flow control enabled.

LOCK SERIAL PORT

Type:

Configuration

Format:

AT [cmds] \Bn [cmds]

Description:

Sets operation of serial port speed.

Command

Function

\B0

Serial port speed follows connect speed.

í \B1

Serial port speed locked.

MNP MODE

Type:

Configuration

Format:

AT [cmds] \Cn [cmds]

Description:

Selects which classes of MNP the modem will attempt to use.

Command

Function

\C1

Modem may use MNP class 1 only.

\C2

Modem may use MNP class 2 or 1.

\C3

Modem may use MNP class 3 and below.

\C4

Modem may use MNP class 4 and below.

í \C5

Modem may use all MNP classes (5 and below).

PROTOCOL/SPEED

Type:

Configuration

Format:

AT [cmds] Fn [cmds]

Description:

Selects the modulation protocol and line speed the modem will attempt to connect with.

Command

Function

í F0

Auto-detect fastest common protocol.

F1

Attempt to connect with V.21 at 300bps.

F2

Attempt to connect with V.22 at 600bps.

F3

Attempt to connect with V.23 at 1200/75bps.

F4

Attempt to connect with V.22 at 1200bps.

F5

Attempt to connect with V.22bis at 2400bps.

F6

Attempt to connect with V.32 at 9600bps.

F7

Attempt to connect with V.32 at 14.4Kbps.

RESULT CODE - DIALING

Type:

Configuration

Format:

AT [cmds] \Dn [cmds]

Description:

Selects whether the modem will display DIALING when it goes off hook to dial a telephone number.

Command

Function

í \D0

DIALING result code disabled.

\D1

DIALING result code enabled.

RESULT CODES

Type:

Configuration

Format:

AT [cmds] Qn [cmds]

Description:

Enables modem to send result codes to the DTE.

Command

Function

í Q0

Result codes enabled.

Q1

Result codes disabled.

Q2

Result codes enabled in originate mode only.

V.42bis MODE

Type:

Configuration

Format:

AT [cmds] \Mn [cmds]

Description:

Selects whether the modem will attempt to connect with V.42bis data compression.

Command

Function

í \M0

V.42bis data compression enabled.

\M1

V.42bis data compression disabled.

Proprietary V.25bis Command Set

COMMAND SET - AT

Type:

Immediate

Format:

RHA

Description:

Resets the modem to AT command mode.

REQUEST LISTED NUMBERS

Type:

Immediate

Format:

RLN

Description:

Requests the modem to return the list of stored numbers.