ZYXEL COMMUNICATIONS CORPORATION

OMNI TA128, OMNI TA128U

Card Type

ISDN TA

Chipset

Siemens

ISDN Protocol

V.110, V.120, X.75, PPP

Switch Type

5ESS, DMS100, 1TR6, EWSD, DSS1, NI-1

Transfer Rate

64Kbps x 2

Data Bus

Serial

Error Correction/Compression

V.42bis

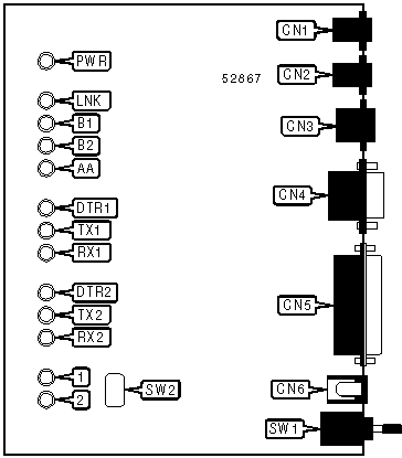
CONNECTIONS

Function

Label

Function

Label

Analog line 1 in

CN1

Serial port 1

CN5

Analog line 2 in

CN2

DC power in

CN6

ISDN line out

CN3

Power switch

SW1

Serial port 2

CN4

Auto-dial switch

SW2

Note: Pressing the auto-dial switch while connected will disconnect the call.

DIAGNOSTIC LED(S) (POWER-UP)

LED

Color

Status

Condition

LNK

Unidentified

On

TA is testing memory

LNK

Unidentified

Blinking

Memory test failed

B1

Unidentified

On

TA is testing ISDN controller interface

B1

Unidentified

Blinking

ISDN controller interface test failed

B2

Unidentified

On

TA is testing ISDN controller functions

B2

Unidentified

Blinking

ISDN controller function test failed

AA

Unidentified

On

TA is testing HDLC functions

AA

Unidentified

Blinking

HDLC function test failed

LNK

Unidentified

On

All tests passed

Note: On power-up, the LEDs should indicate the tests in progress in the order indicated above. A blinking LED or any pattern other than the ones shown above indicate an error. The final indication should remain lit for one-half of one second.

DIAGNOSTIC LED(S) (NORMAL OPERATION)

LED

Color

Status

Condition

PWR

Unidentified

On

Power is on

PWR

Unidentified

Off

Power is off

LNK

Unidentified

On

Physical ISDN layer active

LNK

Unidentified

Off

Physical ISDN layer inactive

LNK

Unidentified

Blinking

D-channel link layer in multi-frame mode

B1

Unidentified

On

B1 channel connected

B1

Unidentified

Off

B1 channel not connected

B1

Unidentified

Random blink

B1 channel is retransmitting packets

B1

Unidentified

1 blink

B1 channel is protected by single DES mode encryption

B1

Unidentified

3 blinks

B1 channel is protected by triple DES mode encryption

B2

Unidentified

On

B2 channel connected

B2

Unidentified

Off

B2 channel not connected

B2

Unidentified

Random blink

B2 channel is retransmitting packets

B2

Unidentified

1 blink

B2 channel is protected by single DES mode encryption

B2

Unidentified

3 blinks

B2 channel is protected by triple DES mode encryption

AA

Unidentified

On

Auto-answer enabled

AA

Unidentified

Off

Auto-answer disabled

AA

Unidentified

Blinking

Phone is ringing

DTR1

Unidentified

On

DTR signal of serial port 1 is high

DTR1

Unidentified

Off

DTR signal of serial port 1 is low

TX1

Unidentified

Blinking

Serial port 1 is transmitting data to TA

TX1

Unidentified

Off

Serial port 1 is not transmitting data to TA

RX1

Unidentified

Blinking

Serial port 1 is receiving data from TA

RX1

Unidentified

Off

Serial port 1 is not receiving data from TA

DIAGNOSTIC LED(S) (NORMAL OPERATION, CON’T)

LED

Color

Status

Condition

DTR2

Unidentified

On

DTR signal of serial port 2 is high

DTR2

Unidentified

Off

DTR signal of serial port 2 is low

TX2

Unidentified

Blinking

Serial port 2 is transmitting data to TA

TX2

Unidentified

Off

Serial port 2 is not transmitting data to TA

RX2

Unidentified

Blinking

Serial port 2 is receiving data from TA

RX2

Unidentified

Off

Serial port 2 is not receiving data from TA

1

Unidentified

On

Analog line 1 is off-hook

1

Unidentified

Off

Analog line 1 is on-hook

2

Unidentified

On

Analog line 2 is off-hook

2

Unidentified

Off

Analog line 2 is on-hook

SUPPORTED STANDARD COMMANDS

Basic AT Commands

+++, ‘comma’, A/

A, E, L, M, O, Q, V, X, Z

&C, &D, &F, &H, &S, &W, &Z

S-Registers

S0, S1, S2, S3, S4, S5, S7, S8, S16, S21, S23, S25, S31, S32

Note: See MHI documentation for complete information.

Proprietary AT Command Set

AUTO-CALLBACK

Type:

Configuration

Format:

AT [cmds] *GCn [cmds]

Description:

Selects the auto-callback feature. The modem will compare the caller ID information to the five auto-callback numbers stored with the *HC command. If one of them matches, the modem will reject the call before it connects and call that number back.

Command

Function

í *GC0

Auto-callback disabled.

*GC1

Auto-callback enabled.

AUTO-CALLBACK NUMBER DISPLAY

Type:

Immediate

Format:

AT [cmds] *VC [cmds]

Description:

Displays all auto-callback numbers.

AUTO-CALLBACK NUMBER SET

Type:

Configuration

Format:

AT [cmds] *HCn=<#>

Description:

Sets auto-callback number n to the number specified. n must be between 0 and 4.

BIT-MAPPED REGISTER S24

Format

AT [cmds] S24=n [cmds]

Default:

Unidentified

Range:

0-63

Description:

Controls ring volume, speaker volume, and speaker control for analog line DTMF tone generation.

Bit

Value

Function

1,0

00

01

10

11

Ring volume off.

Ring volume low.

Ring volume medium.

Ring volume high.

2

0

1

DTMF tones from analog line 1 follow setting of M command.

DTMF tones from analog line 1 audible regardless of setting of M command.

3

0

1

DTMF tones from analog line 2 follow setting of M command.

DTMF tones from analog line 2 audible regardless of setting of M command.

5,4

00

01

10

11

Speaker volume off.

Speaker volume low.

Speaker volume medium.

Speaker volume high.

BIT-MAPPED REGISTER S118

Format:

AT [cmds] S118=n [cmds]

Default:

Unidentified

Range:

0 - 245

Description:

Controls dial-in mode, default line speed, low-speed service type, and analog call acceptance.

Bit

Value

Function

0

0

1

Dial-in calls may be answered.

Dial-in calls may not be answered.

1

0

Not used.

2

0

1

Use 64Kbps speed for ISDN.

Use 56Kbps speed for ISDN.

3

0

Not used.

4

í 0

1

Use 3.1KHz service for analog line 2.

Use voice service for analog line 2.

5

í 0

1

Use 3.1KHz service for analog line 1.

Use voice service for analog line 1.

6

í 0

1

All analog calls will be answered.

Only analog calls with matching MSN will be answered.

7

í 0

1

Incoming analog calls will be answered.

Incoming analog calls will be ignored.

CONFIGURATION PROFILES

Type:

Immediate

Format:

AT [cmds] &Vn [cmds]

Description:

Displays active and stored configuration profiles.

Command

Function

&V0

Displays current settings.

&V1

Displays profile 0.

&V2

Displays profile 1.

&V3

Displays profile 2.

&V4

Displays profile 3.

&V5

Displays factory defaults.

&V6

Displays analog line 1 settings.

&V7

Displays analog line 2 settings.

HOOK CONTROL

Type:

Immediate

Format:

AT [cmds] Hn [cmds]

Description:

Hangs up ISDN and analog lines.

Command

Function

H0

Hangs up line currently in use.

H3

Hangs up analog line 1.

H4

Hangs up analog line 2.

I-FIELD DATA LENGTH

Type:

Register

Format:

AT [cmds] S114=n S115=n [cmds]

Default:

Unidentified

Range:

0-65535

Unit:

N/A

Description:

These registers set the data length for the I-field. S114 stores the Most Significant Byte, and S115 stores the Least Significant Byte. To set the correct value for S114, use the formula S114 = INT(value/256). To set S115, use the formula S115 = value - S114 * 256.

LOCAL SERIAL PORT SPEED

Type:

Register

Format:

AT [cmds] S20=n [cmds]

Description:

Sets the speed of the local serial port.

Command

Function

S20=0

Sets 921.6Kbps speed.

S20=1

Sets 460.8Kbps speed.

S20=2

Sets 230.4Kbps speed.

í S20=3

Sets 115.2Kbps speed.

S20=8

Sets 57.6Kbps speed.

S20=9

Sets 38.4Kbps speed.

S20=10

Sets 19.2Kbps speed.

S20=11

Sets 9600bps speed.

S20=12

Sets 4800bps speed.

S20=13

Sets 2400bps speed.

S20=14

Sets 1200bps speed.

LOCAL SERIAL PORT SPEED ON AUTO-ANSWER

Type:

Register

Format:

AT [cmds] S18=n [cmds]

Description:

Sets serial port speed when modem auto-answers an incoming call.

Command

Function

í 0

Auto-detect current speed.

1

Sets 921.6Kbps speed.

2

Sets 460.8Kbps speed.

3

Sets 230.4Kbps speed.

4

Sets 115.2Kbps speed.

9

Sets 57.6Kbps speed.

10

Sets 38.4Kbps speed.

11

Sets 19.2Kbps speed.

12

Sets 9600bps speed.

13

Sets 4800bps speed.

14

Sets 2400bps speed.

15

Sets 1200bps speed.

METERING PULSE

Format

AT [cmds] S89=n [cmds]

Default:

Unidentified

Range:

0-96

Description:

Controls the generation of metering pulses on the analog adapters.

Bit

Value

Function

5

0

1

Metering pulse for analog line 1 disabled.

Metering pulse for analog line 1 enabled.

6

0

1

Metering pulse for analog line 2 disabled.

Metering pulse for analog line 2 enabled.

PORT ASSIGNMENTS

Type:

Configuration

Format:

AT [cmds] S125=n [cmds]

Description:

Selects which ports may be in use.

Command

Function

í S125=0

Serial port 2 disabled; analog port 2 enabled.

S125=1

Serial port 2 enabled; analog port 2 disabled.

PPP IDLE OUT PREVENTION

Type:

Register

Format:

AT [cmds] S124=n [cmds]

Default:

0

Range:

0-255

Unit:

1 second

Description:

Sends an empty packet after being idle for the time specified to avoid disconnection on PPP connections.

REPORT INFORMATION

Type:

Immediate

Format:

AT [cmds] In [cmds]

Description:

Returns requested information about the TA.

Command

Function

I0

Displays product code.

I1

Displays product information and ROM checksum.

I9

Displays Plug-N-Play code.

SERIAL PORT 2 DATA FORMAT

Type:

Configuration

Format:

AT [cmds] *Nn [cmds]

Description:

Sets the parity used for the second serial port.

Command

Function

*N0

8 data bits, no parity, 1 stop bit.

*N1

7 data bits, even parity, 1 stop bit.

*N2

7 data bits, odd parity, 1 stop bit.

SERIAL PORT 2 DATA FORMAT

Type:

Configuration

Format:

AT [cmds] S46=n [cmds]

Description:

Sets the parity used for the second serial port.

Command

Function

S46=0

8 data bits, no parity, 1 stop bit.

S46=1

7 data bits, even parity, 1 stop bit.

S46=2

7 data bits, odd parity, 1 stop bit.

SERIAL PORT 2 FLOW CONTROL

Type:

Configuration

Format:

AT [cmds] *Mn [cmds]

Description:

Selects the flow control used on the second serial port.

Command

Function

*M0

Flow control disabled.

*M1

RTS/CTS flow control enabled.

*M2

XON/XOFF flow control enabled.

SERIAL PORT 2 FLOW CONTROL

Type:

Configuration

Format:

AT [cmds] S45=n [cmds]

Description:

Selects the flow control used on the second serial port.

Command

Function

S45=0

Flow control disabled.

S45=1

RTS/CTS flow control enabled.

S45=2

XON/XOFF flow control enabled.

SERIAL PORT 2 SPEED

Type:

Configuration

Format:

AT [cmds] *An [cmds]

Description:

Sets the speed of the second serial port.

Note:

This command may only be issued through port 1.

Command

Function

í *A1

Set serial port speed to 115.2Kbps.

*A2

Set serial port speed to 76.8Kbps.

*A3

Set serial port speed to 57.6Kbps.

*A4

Set serial port speed to 38.4Kbps.

*A5

Set serial port speed to 19.2Kbps.

*A6

Set serial port speed to 9600bps.

*A7

Set serial port speed to 2400bps.

SERIAL PORT 2 SPEED

Type:

Configuration

Format:

AT [cmds] S43=n [cmds]

Description:

Sets the speed of the second serial port.

Command

Function

S43=0

Set serial port speed to 230.4Kbps.

í S43=1

Set serial port speed to 115.2Kbps.

S43=2

Set serial port speed to 76.8Kbps.

S43=3

Set serial port speed to 57.6Kbps.

S43=4

Set serial port speed to 38.4Kbps.

S43=5

Set serial port speed to 19.2Kbps.

S43=6

Set serial port speed to 9600bps.

S43=7

Set serial port speed to 2400bps.

See ZYXEL COMMUNICATIONS CORPORATION ELITE 2864I-U for a full command summary.

MISCELLANEOUS TECHNICAL NOTES

When the referenced document refers to "A/B adapter", these commands apply to analog line 1. When it refers to "fax/data modem", they apply to analog line 2.