BEHAVIOR TECH COMPUTER CORPORATION

1510T

Card Type

Video card

Video Chip Set

Oak Technology

Highest Resolution Supported

800 x 600

Maximum Video Memory

256KB DRAM

Data Bus

8-bit ISA

Video Types Supported

VGA

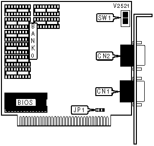
CONNECTIONS

Function

Label

Function

Label

9-pin digital video port

CN1

15-pin analog video port

CN2

USER CONFIGURABLE SETTINGS

Function

Label

Position

»

IRQ2 enabled

JP1

Pins 2 & 3 closed

 

IRQ2 disabled

JP1

Pins 1 & 2 closed

DRAM CONFIGURATION

Size

Bank 0

256KB

(8) 256K x 1

DISPLAY CONFIGURATION

Setting

SW1/1

SW1/2

SW1/3

SW1/4

MDA

On

On

On

Off

CGA

Off

On

On

Off

EGA

On

Off

On

Off

NEC Multisync

Off

Off

On

Off

NEC Multisync Plus

On

On

Off

Off

NEC Multisync 2A

Off

On

Off

Off

NEC XL

On

Off

Off

Off

NEC 4D OR 5D

On

Off

Off

On

Reserved

Off

Off

Off

Off

VGA (Mono)

Off

On

On

On

VGA (Color)

On

Off

On

On

VGA 16in. (Color)

Off

Off

On

On

Reserved

N/A

N/A

Off

On

Note:IBM VGA modes and 800 x 600 graphics modes are supported on NEC Multisync 2A monitors.