JAZZ MULTIMEDIA, INC.

JAKARTA PORT OF ENTRY CARD

Card Type

Video MPEG card

Video Chip Set

Unidentified

Highest Resolution Supported

1280 x 1024

Maximum Video Memory

2MB DRAM (location unidentified)

Data Bus

8-bit ISA

Video Types Supported

XVGA

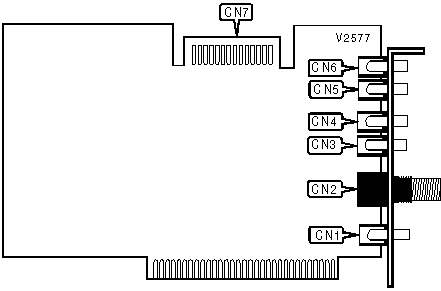
CONNECTIONS

Function

Label

Function

Label

Composite video 2 in

CN1

Audio 2 in

CN5

RF in

CN2

Audio 1 in

CN6

Composite video 1 in

CN3

Port of entry card connector

CN7

S-Video in

CN4

   

VIDEO MEMORY CONFIGURATION

Note: The size, location and configuration of the DRAM is unidentified.